时间:2023-10-12 15:49
人气:
作者:admin
波特图
通常,我们使用波特图来分析系统的频率响应。这类图表以图形的方式展示一定频率范围内的幅度和相位,可用于分析和理解电路行为。总的来说,波特图可以清晰且直观地展示电路频率响应特性,进而有助于电子系统的设计、优化和故障排除,是一种强大的电路分析辅助工具。
波特图可以通过收集不同输入信号频率下的幅度和相位值数据手动生成——将所有得到的数值手动绘制在坐标纸上即可。若收集的数据点较多,可借助Excel、MATLAB或Python等软件来绘制座标图。
2系列混合信号示波器提供2-SOURCE或2-ULTIMATE可选,可支持内置函数发生器和波特图功能。
对于4/5/6系列混合信号示波器而言,波特图功能需要使用功率测量和分析选项(PWR)。功率测量和分析结果可通过控制回路响应测量得出。
部分泰克示波器提供内置函数发生器和波特图功能,用户可以更加轻松、准确地分析和拓展他们的电路设计。这一内置功能支持用户根据自己的选择自动更改函数发生器的输出频率,捕捉输入和输出信号,并生成波特图。
波特图简介
波特图由两张图组成:幅频响应(增益)图和相频响应图。这两张图可以显示系统响应不同频率的方式,并提供有关系统增益和相位特性的见解。
增益图以对数标度表示,指示系统的幅频响应与频率的函数关系。使用对数标度,频率轴可以跨越几个数量级,且不会降低分辨率。对数标度将较高的频率压缩到图的右侧,从而更加均匀地表示整个频率范围。
相位图则以度数表示,指示相移的量和方向。相位响应范围为-180°F至180°F,相位图可显示系统影响不同频率信号时序和同步的方法。相位图还为幅度图进行了一定的补充,包含系统频率响应的整体视图。

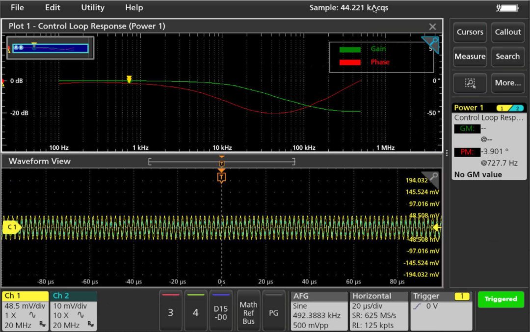
图1:2系列混合信号示波器的增益图和相位图
波特图作用
波特图可为电路分析提供多种见解,包括:
1
增益和衰减
波特图可以显示电路在不同频率下的增益或衰减情况。幅度图展示了电路放大或衰减不同频率信号的方式。此类信息对于了解电路的整体增益或损耗,以及识别其频率响应特性而言至关重要。
2
频宽
频宽是指电路有效工作的频率范围。通过检查幅度图,可以确定增益在指定范围内(例如-3dB)的频率范围,代表了电路的可用频宽。
3
滤波器分析
波特图可为低通、高通、带通和带阻滤波器等滤波器电路提供宝贵的见解,能够显示截止频率、滚降率和通带 / 阻带特性。波特图有助于直观展示电路选择性地允许或拒绝某些频率分量的方式,进而助力滤波器设计和分析。
4
相位响应
波特图还能够展示电路的相位响应情况。相位图能够展示电路在不同频率下引入的相移。在分析具有时间延迟的系统或对相位敏感的应用(如音频信号处理和反馈控制系统)时,上述信息至关重要。
5
稳定性分析
波特图可用于分析反馈控制系统的稳定性。稳定性分析中的断开循环,俗称“开环”或“开反馈环”,是一种通过仅考虑开环传递函数来简化复杂控制系统分析的技术。这在使用波特图进行稳定性分析时尤其有用。工程师可以通过检查开环传递函数的幅度图和相位图来确定(增益和相位的)稳定裕度。稳定裕度代表系统的稳定性以及对抗干扰和变化时的稳定程度。

图2:增益和相位裕度
6
共振和频率选择性
波特图有助于识别电路中的谐振频率和频率选择性,尤其是在包含电容和电感等电抗元件的系统中。幅度图表示峰值或谐振频率,而相位图表示这些频率相关的相移。
使用2系列混合信号示波器生成波特图
以下示例将使用一个简单的一阶低通滤波器演示如何在2系列混合信号示波器上生成波特图。该滤波器为无源滤波器,仅由一个电容和一个电阻串联而成。
RC网络使用10Ω电阻和1μF电容。

图3:配备RC网络的简单无源低通滤波器
使用下列公式计算截止频率。

截止频率约为 16kHz。
如需要在2系列混合信号示波器中启动波特图,请按下测量按钮添加新的测量值。波特图位于FRA选项卡下。参见图3。

图4:通过添加新的测量值来启动波特图
使用内置AFG或外置泰克AFG(AFG31000)配置波特图。参见图4。内置AFG支持高达50MHz的信号。

图5:使用内置AFG进行波特图配置

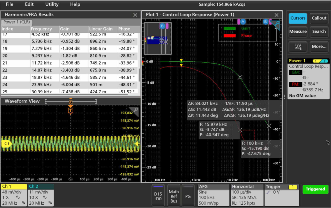
图6:低通滤波器截止频率为16kHz时的波特图
设置开始和停止频率,配置扫描频率范围。“点数/10 倍频”代表数据的间隔或密度。“点数/10倍频”的合理范围在5到10之间。默认设置是10点数/10倍频。
完成所有设置后,按下预设按钮,应用AFG的设置并初始化示波器。
请按下前面板上的运行/停止按钮,或单击位于屏幕右下角的运行/停止状态按钮开始采集和绘制数据。

图7:使用光标和结果表来查找数据的更多详细信息
使用光标和结果表从波特图中获得更多详细信息。在图7中,对于具有10Ω电阻和1μF电容的简单RC网络(如前所述),截止频率约为16kHz,与我们的计算结果相符,相位图显示约为-40°F,接近该截止频率的理想相位角-45°F。您还可以从增益图中检测到截止频率有较高的滚降。
2系列混合信号示波器功能灵活,可为您带来更多相关见解,并优化您的电路配置。其小巧便携的外形、选配的电池电源和内置功能(如波特图)可支持随时随地进行数据测量及分析。
编辑:黄飞