时间:2023-10-16 09:16
人气:
作者:admin
模型搭建背景电机控制器是电机驱动系统中的关键部分,其中,控制器及其功率驱动模块的好坏直接影响电机控制的性能及安全性,因此,在电机的研究和评估过程中,往往需要真实的电机和机械负载来检验电机的控制能力。由于传动机械电机台架的机械负载获取及安装不易,若采用连接同轴发电机的方式模拟电机运行,会使测试方式能耗、成本等大大增加,同时灵活性也会变差,从而在某些条件或复杂工况下运行测试困难。为解决这一问题,如果将电机及机械负载被视为电机驱动的一个功率负载,通过功率换流器来模拟电机端口电压和电流,来实现对电机的模拟不失为一种很好的选择,采用此种方法模拟的设备一般统称为电子负载,如果用来模拟电机,一般称作电机模拟器。电机模拟器系统结构电机模拟器可以理解为通过换流器来模拟电机的特性,本质上看,电路结构与常说的并网换流器并没有区别,不同的是控制的电流目标不一样。电机模拟器的整体系统一般包括交流电网,四象限换流器,电机模拟换流器以及电机驱动换流器及控制器等几部分构成,整体结构一般如下图所示:

图1电机模拟器结构框图
其中: 交流电网主要为整体设备提供电源支撑; 四象限换流器的作用是为与之连接的电机模拟功率换流器提供稳定的直流电压,一般采用常规的电压—电流双闭环控制即可,同时,四象限换流器还为电机模拟功率换流器充当功率传输通道,通过四象限换流器,电机模拟器可以从电网吸收或发出功率; 电机模拟功率换流器主要根据电机数学模型,结合当前的交流侧电压,通过对换流器的控制,输出能够对应电机工作点的三相电流(当然,根据电机数学模型的情况,也可以是根据电流,使换流器输出对应的电压。这两种请容许我称之为电流源型和电压原型电机模拟器,电流源型电机模拟器通常,电流源型电机模拟器更容易被广泛接受及使用,因此本文也采用此类型)。可以看出,相对真实电机而言,如果采用电机模拟器,当电机参数或电机类型发生变化时,一般无需更换功率硬件,只需修改软件电机参数或更换软件中的电机数学模型即可,具备相当的灵活性;

图2电机模拟器及电机控制框图
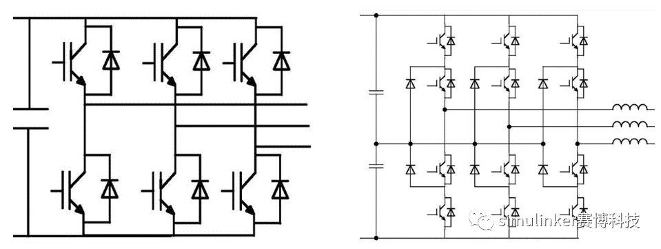
电机控制换流器及其其控制主要为电机的功率驱动单元以及对应驱动单元的控制器,主要实现对电机的控制。 从电路结构上看,四象限换流器、电机模拟功率换流器、电机控制(驱动)换流器等部电路基本相同,一般都可以是通常的两电平或三电平换流器结构:

图3换流器常见拓扑
当然,通过上述图可以看出,如果将系统中电机数学模型部分换成其他设备的数学模型,便可获得其他设备的模拟器。
电机模拟仿真模型
根据上述图描述,搭建基于永磁同步电机的电机模拟器simulink模型,其中交流电网电压380V,四象限换流器直流侧电压600V,额定功率150kW。其中电机数学模型采用我们之前介绍过的数学模型(基于simulink的永磁同步电机数学建模仿真)。

图4电机数学模型
验证模型 1
为验证本文所搭建的电机模拟器模型的正确性,搭建电路结构及参数完全相同的简单电路模型,电机直接接三相交流电网,并给定电机完全相同的负载转矩,进行测试。

图5电机模拟器模型
四象限换流器采用并网换流器常见的双闭环控制,外环为直流电压控制,内环为电流控制。

图6四象限换流器双闭环控制
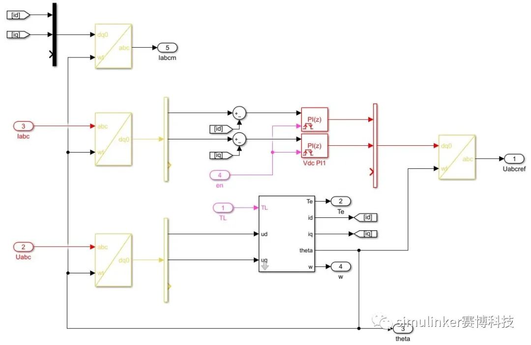
电机模拟器换流器采用电机电流闭环控制,采样换流器出口交流侧电压作为电机数学模型的输入,电机数学模型根据电压计算出电机电流,将此电流作为电流参考值,与换流器电流进行比较,进而控制换流器,使换流器输出与电机一致的电流。

图7电机电流闭环控制

图7电机数学模型
运行仿真后结果如下:

图8直流电压波形

图9电机交流侧电压波形(电机模拟器_simulink电机)

图10 电机定子电流波形(电机模拟器_simulink电机)

图11 给定负载转矩变化时电磁转矩波形(电机模拟器_simulink电机)

图12负载转矩变化时转速输出波形
验证模型 2为进一步验证本文所搭建的电机本模拟器模型,搭建电路结构及参数完全相同的基于FOC控制的永磁同步电机调速控制仿真模型,并给定电机模拟器和电机完全相同的负载转矩及转速指令,进行测试。

图13整体电机模拟器模型

图14直流电压波形

图15 给定电机负载转矩变化时转速波形对比

图16 电机负载转矩变化时电磁转矩波形对比

图17 电机负载转矩变化时定子电流波形对比

图18 FOC控制转速给定变化时电机转速输出波形对比

图19 FOC控制转速给定变化时电机转矩输出波形对比

图20 FOC控制转速给定变化时电机转速输出波形对比
通过上述仿真结果可以看出,在相同电路拓扑及输入给定的情况下,搭建的永磁同步电机模拟器模型仿真结果波形与matlab自带的电机模型仿真结果几乎完全重合,验证了所建模型的正确性。
审核编辑:彭菁