示波器应该是我们电子打工人的眼睛了,那么我们经常会看到使用的探头上写着X10,X100,这个衰减倍数到底是什么意思呢?如果我们只会按照使用说明去设置使用,那么我们和维修师傅有什么区别呢?今天就来了解一下其中的原理,以便在以后工作中更加灵活的使用它
如下是示波器探头接口的结构,最里面是一个垂直放大器,输入阻抗趋近无穷大。通常实际示波器上可选输入电阻为1MΩ(50Ω档位用于通信高频信号的阻抗匹配),输入电容是20pF。

而我们的示波器探头(以X20)的为例,其前端的探头如虚线框内的RC并联结构,阻抗和容抗自动可调。并且我们的线材是有屏蔽层包裹的,屏蔽层接地与探头线芯形成大约100pF的等效电容。那么示波器是如何调整探头的阻容参数,使输入信号进入示波器之前可以衰减20dB呢?我们来分析一下

- 对于交流信号: 分析等效电路如上,由电容隔直阻交的特性,可以看成是Cin对地串联上探头线和示波器的电容约120pF,那么由电容阻抗公式,探头电容Cin与输入等效电容的比例为1/20;可解出交流信号衰减20dB所需的Cin需调整为约6.3pF
- 对于直流信号: 分析电路如下,输入信号呢就是示波器探头的电阻Rin与示波器内部的输入阻抗分压,由直流分压公式,输入信号Vin要衰减20dB,则Rin取值需调整为19MΩ

- 校准可调RC: 对于电阻Rin,一般使用精密电阻就能实现对直流信号的精准倍数衰减。可是电容呢毕竟只是一个估算,想要对交流增益进行调整呢就必须进行校准,我们通常看到示波器上校准会有一个1Khz的参考方波校准口,当通过这个参考的方波,波形能够精准且不出现失真时( 相当于探头上的Rin和Cin取得了较为理想的值 )这就完成了矫正。
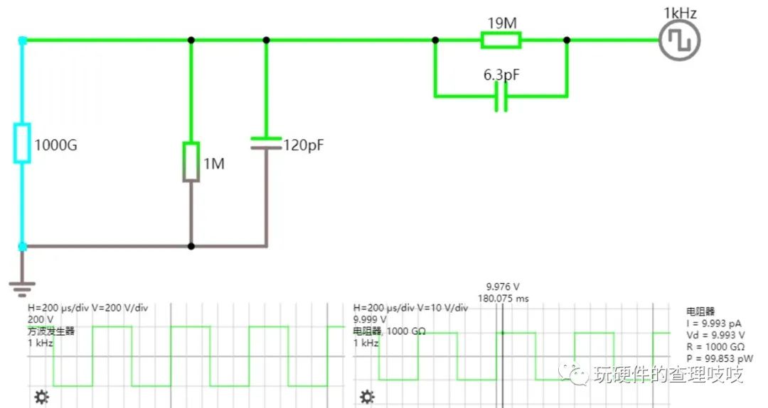
- 电路仿真: 那我也搭建电路仿真验证一下我们设计的这个X20探头,看看得到的波形是否达到我们想要的衰减倍数,参数按照如上分析的电路设计,仿真电路示波器内部的垂直放大器使用无穷大阻抗的1000G电阻代替,那么输入IKhz,幅值为正负200V的方波矫正信号,那么可以看到示波器得到不失真的幅值10V的方波显示,完全符合我们的计算。

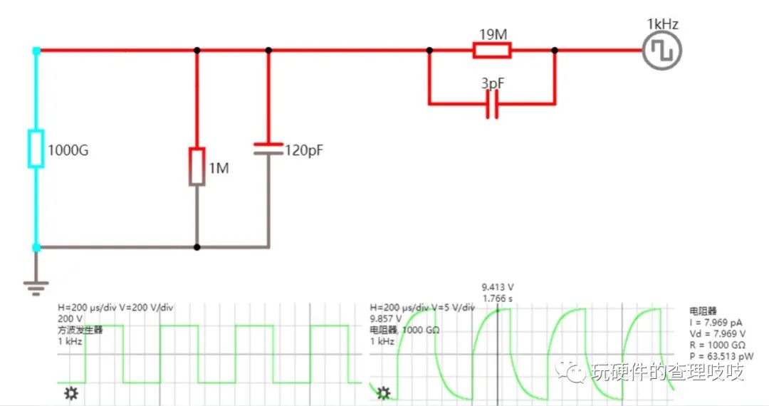
那么我们来也看一下当电容参数偏差下的波形失真情况是什么样的,把Cin改为3pF,那么看如下仿真波形,很清清楚的看到示波器中输出的波形已经完全失真,这就是探头上电容调整不理想的结果。

总结:今天就分享示波器探头的基本原理和电路仿真笔记,也是非常简单的电路分析。希望当示波器探头坏的时候,我们也能自制一个探头临时使用,当然这个机会不太可能有。