时间:2023-09-25 12:06
人气:
作者:admin
通过阅读这篇文章,你将对示波器探头有一个简单而快速的了解。本文重点介绍无源探头、有源探头(高压差分探头、电流探头)等基础知识。
1、示波器探头是什么?
示波探头是连接被测电路和示波输入端的电子元件。
2、在选择探头时要考虑:
在选择示波器探头之前,我们必须仔细阅读示波器的说明,了解我们使用的示波器适合什么样的探头。
在选择探头时,我们认为应考虑以下几点:
探头接口。我们必须确保探头接口与我们的示波器接口相匹配。目前,大多数示波器的探头接口都是BNC接口,但有些示波器可能是SMA接口或特殊接口。
观察所选探头的输入阻抗和电容是否与示波器的输入阻抗和电容相匹配。由于探头阻抗和电容与示波器的匹配程度对测量信号的准确性有很大影响。

BNC 接口

SMA 接口
有的示波器会支持 50Ω or 1 MΩ输入阻抗切换。但对于大多数的测量,1MΩ是最最常见的。50Ω的输入阻抗往往被用于测量高速信号,比如微波。还有逻辑电路中的信号传输延迟和电路板阻抗测量等。
示波器的输入阻抗往往可以定格为 1 MΩ 或 50Ω,但示波器的输入电容却受带宽和其它设计因素影响。通常而言,1MΩ阻抗的示波器常见的输入电容为14pF。这个数值也可能在5pF到 100pF之间。所以为了让探头匹配示波器的输入电容,在选择探头之前要了解探头的电容范围,然后通过校准棒来调节探头的电容,这就是探头的补偿,也是我们使用探头时应该注意的第一步。
3 、示波器探头怎么选?
根据我们测量需求的不同,对探头的数量和种类要求也是不同的。这有点像玩单反的人,也许他只有一台相机,但是往往却有很多个镜头。比如说,如果只是简单的测量直流电压,那么 1MΩ的无源探头基本就足够了。然而如果是电源系统测试中经常要求测量的三相供电中的火线与火线,或者火线与零(中)线的相对电压差,那么我们就需要用到差分探头了。
4、 无源探头
无源探头是最常见的探头,一般购买示波器的时候厂家就会标配几个。常见的无源探头由 探头头部、探头电缆、补偿设备或其他信号调节网络和探头连接头组成。 在这些类型的探针中没有使用有源元件,如晶体管或放大器,所以不需要为探头供电。总的来说,无源探头更常见,更容易使用,也更便宜。常见的无源探头可调衰减比例有:
1×: 没有衰减
10×:10 倍衰减
100×:100 倍衰减
1000×:1000 倍衰减
无源电压探头为不同电压范围提供了各种衰减系数。在这些无源探头中, 10×无源电压探头是最常用的探头。对信号幅度是 1V峰峰值或更低的应用, 1×探头可能比较适合,甚至是必不可少的。在低幅度和中等幅度信号混合(几十毫伏到几十伏)的应用中,可切换 1×/10×探头要方便得多。但是,可切换 1×/10×探头在本质上是一个探头中的两个不同探头,不仅其衰减系数不同,而且其带宽、上升时间和阻抗( R和 C)特点也不同。因此,这些探头不能与示波器的输入完全匹配,不能提供标准 10×探头实现的最优性能。
探头衰减是通过内部电阻器来扩大示波器的电压测量范围的,该内部电阻器与示波器的输入电阻一起使用时,会创建一个分压器。例如,一个典型的 10x探头装有一个内部 9MΩ电阻器,当与 1MΩ输入阻抗的示波器连接使用时,会在示波器的输入通道上产生 10: 1的衰减比。这意味着示波器上显示的信号将是实际测量信号幅度的 1/10,所以我们往往还需要去示波器的通道设置里将衰减比也调成 10X。

此衰减功能使得我们可以测量超出示波器电压限制范围的信号。而且衰减电路会导致较高的电阻(通常是一件好事)和较低的电容,这对于高频测量很重要。

10X 无源探头原理图
5 、有源探头
由于有源探头里包含了类似晶体管和放大器的有源部件,需要供电支持,因此称作有源探头。 最常见的情况下, 有源设备是一种场效应晶体管( PET),它提供了非常低的输入电容,低电容会在更宽的频段上导致高输入阻抗。有源 FET探头的规定带宽一般在 500MHz~ 4GHz之间。除带宽更高外,有源 FET探头的高输入阻抗允许在阻抗未知的测试点上进行测量,而产生负荷效应的风险要低得多。另外,由于低电容降低了地线影响,可以使用更长的地线。有源 FET探头没有无源探头的电压范围。有源探头的线性动态范围一般在 ±0.6V到 ±10V之间。
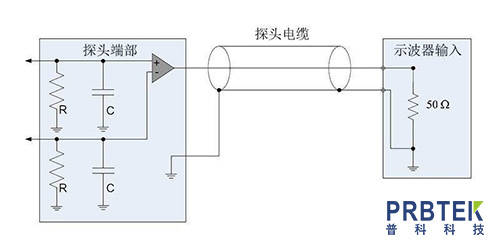
有源探头 --差分探头
差分探头测量的是差分信号。差分信号是互相参考,而不是参考接地的信号。差分探头可测量浮置器件的信号,实质上它是两个对称的电压探头组成,分别对地段有良好绝缘和较高阻抗。差分探头可以在更宽的频率范围内提供很高的共模抑制比( CMRR)。
差分信号和普通的单端信号走线相比,最明显的优势体现在以下三个方面:
1. 抗干扰能力强,因为两根差分走线之间的耦合很好,当外界存在噪声干扰时,几乎是同时被耦合到两条线上,而接收端关心的只是两信号的差值,所以外界的共模噪声可以被最大程度抵消。
2. 能有效抑制 EMI,同样的道理,由于两根信号的极性相反,他们对外辐射的电磁场可以相互抵消,耦合的越紧密,泄放到外界的电磁能量越少。
3. 时序定位精确,由于差分信号的开关变化是位于两个信号的交点,而不像普通单端信号依靠高低两个阈值电压判断,因而受工艺,温度的影响小,能降低时序上的误差,同时也更适合于低幅度信号的电路。目前流行的 LVDS就是指这种小振幅差分信号技术。
差分放大原理是指一对信号同时输入到放大电路中,然后相减,得到原始信号。差分放大器是由两个参数特性相同的晶体管用直接耦合方式构成的放大器。若两个输入端上分别输入大小相同且相位相同的信号时,输出为零,从而克服零点漂移。

差分探头原理图
有源探头 --电流探头
也许你会想,用电压探头测得电压值,除以被测阻抗值,很容易就可以获得电流值,为啥要专门搞个电流探头来测?因为实际上,这种测量引入的误差非常之大,我们一般不采用电压换算电流的方法。电流探头可以精确测得电流波形,方法是采用电流互感器输入,信号电流磁通经互感变压器变换成电压,再由探头内的放大器放大后送到示波器。电流探头基本上又分成两类, 交流电流探头和交直流电流探头,交流电流探头通常是无源探头,无需外接供电,而交直流电流探头通常是有源探头。传统电流探头只能测量交流交流信号,因为稳定的直流电流不能在互感器中感应电流。交流电流在互感器中,随着电流方向的变化,产生电场的变化,并感应出电压。然而,利用霍尔效应,电流偏流的半导体设备将产生与直流电场对应的电压。所以,直流电流探头是一种有源设备,需要外接供电。
6 、和探头有关的建议 :
1. 对探头进行正确的补偿:不同的示波器输入电容可能不同,甚至同一台示波器不同通道也会有略微差别。为了解决这个问题,学会给探头补偿调节是工程师应该掌握的最基本的技能。
2. 探头与被测电路连接时,探头的接地端务必与被测电路的地线相联。否则在悬浮状态下,示波器与其他设备或大地间的电位差可能导致触电或损坏示波器、探头或其他设备。
3. 尽量将探头的接地导线与被测点的位置邻近。接地导线过长,可能会引起振铃或过冲等波形失真
4. 对于两个测试点都不处于接地电位时,要进行 “浮动 ”测量,也称差分测量,要使用专业的差分探头。
探头对示波器的测量至关重要,首先要求探头对探测的电路影响必须达到最小,并希望对测量值保持足够的信号保真度。如果探头以任何方式改变信号或改变电路运行方式,示波器看到实际信号会失真比较严重,进而可能导致错误的或者误导性的测量结果。通过以上介绍得出,探头的选购和正确使用有许多值得我们注意的地方。
以上就是关于无源探头,差分探头和电流探头怎么选,如您使用中还有其他问题,欢迎登录西安普科电子科技。
审核编辑:汤梓红
上一篇:知识分享-电流探头的发展史
下一篇:世界首款基于事件的短波红外探测器