时间:2023-09-27 17:33
人气:
作者:admin
三相变压器是一种常见的电力转换装置,广泛应用于电力系统中。它能够将高压和低压之间进行电能转换,同时还能提供相位移和电压调节等功能。
三相变压器具有结构简单、运行可靠等优点,在电力传输和分配中发挥着重要作用。本文,我们将介绍三相变压器的工作原理和接线方式配置应用的区别,希望能够对你有用。
如果我们采用三个单相变压器,并以固定配置将它们的初级绕组相互连接,并将次级绕组相互连接,我们就可以在三相电源上使用这些变压器。
三相电源用于发电、输电和配电以及所有工业用途。三相电源比单相电源具有许多电气优势,在考虑三相变压器时,我们必须处理相位时间相差120度的三个交流电压和电流。

其中:Vl为线电压,Vp为相电压。
三相变压器可以通过将三个单相变压器连接在一起从而形成所谓的三相变压器组来构造,或者使用一个由三对单相变压器组成的预组装和平衡的三相变压器来构造。安装在单个叠片铁芯上的相绕组。
构建单个三相变压器的优点在于,对于相同的kVA额定值,它比连接在一起的三个单独的单相变压器更小、更便宜且更轻,因为铜芯和铁芯得到了更有效的利用。无论仅使用一台三相变压器还是使用三个单独的单相变压器,连接初级和次级绕组的方法都是相同的。

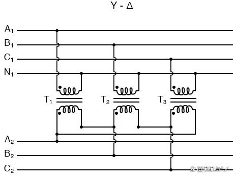
变压器的初级和次级绕组可以按所示的不同配置连接,以满足几乎任何要求。 对于三相变压器绕组,可以采用三种连接形式:“星形”(星形)、“三角形”(网状)和“互连星形”(锯齿形)。
三个绕组的组合可以是初级三角形连接和次级星形连接、或星形-三角形、星形-星形或三角形-三角形,具体取决于变压器的用途。当变压器用于提供三相或更多相时,它们通常被称为多相变压器。

三相变压器星形和三角形配置
在处理三相变压器连接时,“星形”和“三角形”是什么意思?三相变压器具有三组初级和次级绕组。根据这些绕组组的互连方式,确定连接是星形还是三角形配置。
三个可用电压本身彼此相差120电角度,不仅决定初级侧和次级侧使用的电气连接类型,还决定变压器电流的流动。

将三个单相变压器连接在一起,三个变压器中的磁通量相位相差120个时间度。对于单个三相变压器,铁芯中存在三个磁通量,时间相位相差120度。
标记三相变压器绕组的标准方法是在三个初级绕组上标记大写字母A、B和C,用于代表黄、绿、红三个单独的相。次级绕组标有小写字母a、b和c。每个绕组的两端通常标记为1和2,因此,例如,初级绕组的第二个绕组的端部将标记为B1和B2,而次级的第三个绕组将标记为c1和c2。

通常用在三相变压器上来用符号指示所使用的连接类型,大写Y表示星形连接,D表示三角形连接,Z表示互连星形初级绕组,小写y、d和z表示各自的次级绕组 。
三角形和星形变压器的优缺点
采用星形连接的高压变压器具有降低单个变压器上的电压、减少所需匝数并增加导体尺寸的优点,使线圈绕组比三角形变压器更容易绝缘且更便宜。
尽管如此,三角形-三角形连接比星形-三角形配置有一个很大的优势,即如果一组三个变压器中的一个出现故障或禁用,其余两个将继续提供容量等于变压器单元原始输出的大约三分之二。
三角形连接的三相变压器的一个缺点是,每个变压器必须绕全线电压和57.7%线电流。绕组中的匝数较多,加上匝之间的绝缘,需要比星形连接更大且更昂贵的线圈。三角形连接的三相变压器的另一个缺点是没有“中性”或公共连接。
星形连接需要使用三台变压器,如果任何一台变压器出现故障或失效,则整个组可能会失效。然而,星形连接的三相变压器在配电系统中特别方便且经济,因为第四根导线可以连接作为三个星形连接的次级的中性点(n)。
变压器是电力系统中不可或缺的元件之一,其在电力传输和分配中起到了重要的作用。通过合理的接线方式以及正确的运行状态选择,我们可以有效地利用变压器的功能,提供稳定、高效的电力供应。