时间:2023-09-19 10:37
人气:
作者:admin
今天,我们将在实验室演示示波器探头负载实验的实际操作。当示波器探头连接到被测设备时,探头和示波器会成为电路的一部分,会对测量精度产生负面影响。
什么是探头负载?
当示波器探头连接到在线测试点时,探头本身就成为被测电路的一部分,会影响测量结果。这通常被称为“探针负载”。
今天,本实验使用一个简单的2电阻分压器网络,从经验的角度展示与频率相关的探头阻抗如何显著影响测量精度。
所需的设备和部件
双通道示波器(≥50MHz带宽)
函数发生器(≥10MHz)
两个标准10:1无源示波器探头
面包板
两个10kΩ电阻
补偿探针
在创建电路和进行实验之前,对示波器探头进行适当的补偿是非常重要的,否则测量结果会不准确。为了补偿探头,在示波器的通道1输入和示波器前面板上的探头补偿测试端子之间连接一个探头。将第二个探针连接在示波器通道2输入和同一探针补偿测试端子之间。不要忘记将两个探头的接地线连接到示波器前面板的接地端子上。之后,将两个输入通道的衰减系数设置为10:1 (10: 1)。注意,有些高端示波器会检测10:1探头是否接通,然后自动为你设置探头衰减系数。
然后,设置每个通道的V/div设置和sec/div设置,以便在示波器显示器上显示一个或两个周期的探头补偿信号。探头补偿信号通常是1 kHz方波,因此合适的sec/div设置应为200 μsec/div。
如图1所示,用一把小平头螺丝刀调节每个探头的可调补偿电容,使两个波形都有一个“平坦”响应。这个可调电容器靠近探头或探头的一部分,靠近它所插入的示波器的BNC输入端。

图1: 调整每个无源探头的探头补偿

图2: 使用示波器的 1 kHz 探头补偿信号对10:1 无源探头进行补偿。

图3: 补偿不正确的探头。
图2显示了正常通道1和通道2的波形,前提是每个探头的探头补偿经过适当调整。图3显示了通道1探针过度补偿(黄色波形)和通道2探针补偿不足(绿色波形)的示例。
探头补偿包括什么?我们稍后会发现。
创建实验、预测结果和衡量结果。

图4: 电阻分压器网络。
如图4的原理图所示,使用面包板和两个10kω电阻创建了一个2电阻分压器网络。注意:如果你没有面包板,请将两个电阻焊接在一起,而不是简单地用一根长电缆和一个夹子连接在一起。长电缆会给这个实验增加电感,这是我们想要避免的。在启动信号发生器并通过示波器进行任何测量之前,请回答以下问题:
现在让我们测试这个电路,并与预测结果进行比较。
函数发生器的设置和连接:
1.将输出负载阻抗设置为高Z(而不是50ω)
2.将波形设置为正弦波
3.将振幅设置为5Vpp
4.将偏置设置为0.0V
5.将频率设置为10kHz。
6.将发电机的输出连接到R1。
7.将发电机接地端子连接到电路接地上。
示波器设置和连接:
1.将通道1探针连接在Vin和接地端子之间。
2.将通道2探针连接在Vout和接地端之间。
3.使用手形光标或自动执行测量,或者简单地计算网格数并乘以垂直比例因子(1.0V/div),即可测量Vin和Vout(峰峰值)。Etup选项。
4.确保示波器两个通道的探头衰减系数仍然设置为10:1。
5.将通道1和通道2的垂直刻度设置为1.0V/格。
6.使用垂直位置/偏移控制键使通道1和通道2波形位于屏幕中央。
7.将水平刻度(时基)设置为20.0μs/格。
8.将通道1的上升沿触发设置为大约0.0伏(典型的默认设置)。
9.使用手形光标或自动执行测量,或者简单地计算网格数并乘以垂直比例因子(1.0V/div),即可测量Vin和Vout(峰峰值)。
现在,示波器将显示类似于图5的图像。

图5:使用示波器的两个通道测量10 kHz时的V in和V out。
现在,将函数发生器的频率设置更改为10 MHz。然后将示波器的水平时基设置更改为20.0 ns/div,以便看到这个更快的输入信号。再次测量Vin和Vout。此时,示波器将显示类似于图6的图像。

图6:使用示波器的两个通道在10MHz下测量Vin和Vout。
了解探针负载
由于电容探头和示波器的负载,在10 MHz时,信号幅度在通过R2时会减小。理想情况下,探头具有无穷大的阻抗,不会影响测量结果。但无论是使用频谱分析仪、功率计、数字万用表、网络分析仪还是示波器,只要将探头连接到被测设备上,探头和仪器就会成为被测电路的一部分,影响测量精度。测试高频信号时尤其如此。
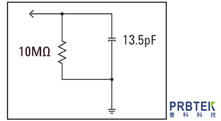
现在,让我们仔细看看这个实验中使用的探头——靠近示波器输入端的BNC连接。你可以看到这个探头相关的厂商名称和型号,以及输入阻抗的技术指标/特性。如图7所示,可能会显示“10mω/15 pF”。

图7:示波器探头型号和输入阻抗特性。
这意味着当探头连接到示波器时,探头的等效输入阻抗为10MΩ和15pF。图8显示了等效探头/示波器负载模型。它与R2并联(见图4)。您可以假设10mω电阻远大于10kω电阻(R2),甚至可以忽略R2。您也可以假设15pF电容在低频时不会影响电路。但是在10MHz下,这个电容的电抗是多少?

图8: 10:1被动探头负载模型。
现在,计算包括R2(与Xc并联)在内的负载阻抗。记住,可以忽略10MΩ电阻。
当输入频率设为10 MHz时,近似的输出电压就确定了——现在,基于分压器的网络包括与ZLoad串联的R1。
所以,我们现在似乎处于两难的境地。我们需要测量电路的输出电压,但是只要把示波器探头接入电路,就会改变输出特性。如何解决这个问题?
首先,在本实验中使用10kω电阻来说明一点。也就是说,在高频下,探头的容抗会“掩盖”负载电阻(R2)的阻抗。但事实上,大多数高频设计都包含低阻抗器件/元件。即使在低阻抗设计中,当频率足够高时(例如几百MHz或GHz信号),探头仍然会对被测电路产生影响。此外,目前大多数个人电脑都工作在几GHz的范围内。
这种应用通常需要特殊的高频“主动”探头。无源探头(如本实验中使用的探头)仅包括“无源”元件、电阻和电容。高频探头通常包括“有源”元件,如晶体管和放大器,这些探头需要电源才能工作。有源探针的输入电容在亚微米范围内。这说明它们在高频下对电路的影响会很小,但理论上不会没有影响。然而,这些探头的价格也远远超过标准的无源探头,这些探头通常配有示波器。主动探测几乎总是一个“昂贵”的选择。
了解探头负载

图 9: 无源 10:1 探头连接到示波器 1 MΩ 输入阻抗的简化模型。
图9显示了当示波器默认1mω输入选项用于连接示波器时,有关10:1无源探头电气模型的更多信息(但更简单)。虽然无源探头和示波器的电气模型中包含了固有/寄生电容(设计中未包含)和有意设计的补偿电容网络,但我们将暂时忽略这些电容成分,只分析这种探头和示波器系统在低频时的理想信号特性。
从电气模型中去掉所有容性元件后,只剩下串联的一个9mω探针电阻和一个1mω示波器输入阻抗。探头的净输入电阻为10mω,与之前所示的探头负载模型一致(图8)。根据欧姆定律,可以发现示波器BNC输入端接收到的电压等于探头电压的1/10:

这就是为什么这种探针被称为10: 1(读作“10:1”)探针。一旦示波器知道10:1探头连接到其输入端,所有测量和垂直比例因子都应乘以10,以表示探头的测量结果。通过手动输入探头的衰减系数或自动检测,示波器“知道”它配备了10:1探头。如果您使用的是没有探头衰减系数的老式模拟示波器,您需要自己进行数学计算,以便参考探头的测量结果。
所有示波器探头和示波器输入都有固有/寄生电容,包括探头电缆电容。
(Ccable)和示波器输入电容(Cscope)。“固有/寄生”是指电模型的这些元件不是有意添加的,而是客观存在于实际的电子世界中。不同的示波器和探头具有不同的固有/寄生电容。如果不专门增加其他电容分量来补偿系统中固有的电容分量,那么系统在动态信号条件下(非DC)的电抗可能会改变检测系统的整体动态衰减,使其偏离预定的10:1比例。
探针探针电容(Ctip)被添加/有意添加到可调补偿电容(Ccomp)中,以便构建一个容抗衰减网络来匹配10:1电阻衰减。换句话说,Ctip的电抗必须正好是Ccomp+Ccable+Cscope并联组成的电抗的9倍。如果是这样的话,在9mω探针电阻(Rtip)和串联1mω示波器输入电阻(Rscope)的基础上,不仅低频信号会衰减(衰减系数为10),在类似10:1容抗分压网络的基础上,高频信号也会衰减(衰减系数为10)。
现在,让我们利用以下条件来计算所需的补偿电容(Ccomp):

在这个示波器探头负载的实际实验室实验中,希望你能明白,当示波器探头连接到被测设备时,探头和示波器会成为电路的一部分,会对测量精度产生负面影响,尤其是在检测高频信号时。在很多入门级的教学实验中,你可能不需要考虑这个问题。但是,在一些高级和研究生水平的电气工程教学和实验中(可能侧重于高频RF应用或高速数字应用),有时需要注意探针负载。记住,数字信号具有远超过信号时钟速率的高频谐波。根据“经验”,包括示波器在内的检测系统的容抗应是被测系统等效源阻抗Thévenin的10倍或以上。对于本文列出的实验(图4),Thévenin的等效源阻抗为5kω。
你还需要了解10:1无源示波器探头的工作原理和探头补偿机制。虽然理解探头补偿的原理可能并不重要,但是对探头进行适当的补偿是非常重要的,即使是在很多低频的入门级实验室实验中。在使用示波器执行任何测量之前,最好将探头连接到示波器前面板上的探头补偿信号,并确保它已被正确调整。
以上就是关于示波器探头负载实验的相关内容,如您使用中还有其他问题,欢迎登陆西安普科电子科技。
审核编辑:汤梓红
上一篇:什么是量子计算?