时间:2023-09-08 09:48
人气:
作者:admin
随着生活质量的不断提升,大家愈发关注个人的身体健康。众所周知,血氧饱和度是人体健康的重要指标之一,而便携式穿戴设备加入血氧检测功能能够满足人们实时了解自己身体状况的需求。
Tips:智能手表测量血氧时,会在手的一面放置一个发射红光和红外线的光源。当这两种光线照射到手臂时,其中一部分光被血液中的血红蛋白吸收,另一部分被反射回来给到接收的光电晶体管。通过测量这两种光线在血液中的吸收程度,智能手表就能够准确测量血氧饱和度。
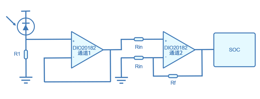
DIO20182是一款双通道轨到轨输入/输出CMOS运算放大器,具有1pA超低输入偏置电流,由于反射回来给到接收的光电晶体管的电流信号极其微弱,故需要采用超低偏置电流的DIO20182将微弱的电流信号放大后,再给到SOC的ADC进行处理分析,最后得出使用者的血氧饱和度。
DIO20182非常适合应用于智能手表/手环、便携式医疗,及其他对微小电流负载非常敏感的信号放大相关产品。

DIO20182拥有超低功耗,静态电流仅300nA/每通道,完美适用于电池供电和便携式设备。DIO20182可在1.4V至5.5V宽工作电源电压范围,失调电压最大值也仅有±3.5mV,工作温度范围支持到-40℃到125℃。
DIO
产品优势
超低偏置电流
在25℃环境测试时,DIO20182的偏置电流的典型值仅1pA;下图是不同电压下DIO20182的偏置电流,可以看出在-2.75V到2.75V电压范围内,DIO20182的偏置电流在0~2.25pA左右。

在-40℃到85℃不同温度的测试条件下,DIO20182的偏置电流都能保持在±5pA以内。下图反映了DIO20182偏置电流随着温度变化的情况,DIO20182在-40至85℃温度下都能保持超小偏置电流,非常适用于对微小电流信号放大的应用。

超低静态功耗
DIO20182的静态电流非常低, 实测单通道静态电流不到275nA,适用于对静态电流要求非常高的低功耗设备。

超小封装
DIO20182采用超小封装DFN1.6*1.2-8, 非常适用于手表这种对PCB板的摆件紧张,需要超小封装器件的应用。另外DIO20182还提供SOIC-8和MSOP-8封装,温度范围可到-40至125℃,可以满足工业和医疗上的应用。


DIO20182关键参数:
•宽电源范围:1.4V至5.5V
•超低输入偏置电流,适合超小电流信号放大:
−25°C 时为 1pA
−50°C 时最大 5pA
•低静态电流:300nA/每通道
•单位增益带宽:5kHz
•低失调电压:
−在温度范围为 -40°C 至 125°C,失调电压:±3.5mV(最大值)
−低输入失调电压漂移:±5µV/°C
•输出压摆率:3V/ms
•双通道轨到轨输入输出
•宽工作温度范围:-40°C至+125°C
•绿色封装:SOIC-8、MSOP-8 和 DFN-8
DIO20182是一款1pA超低偏置电流的运算放大器,扩充了帝奥微检测微弱电流的运算放大器系列产品,可广泛应用于穿戴、医疗和工业上微弱电流的检测。后续帝奥微会深度开发更多具有特色的运放类产品,目标覆盖消费、工业、医疗和汽车等各个领域的典型应用。
审核编辑:彭菁