时间:2023-09-11 11:27
人气:
作者:admin
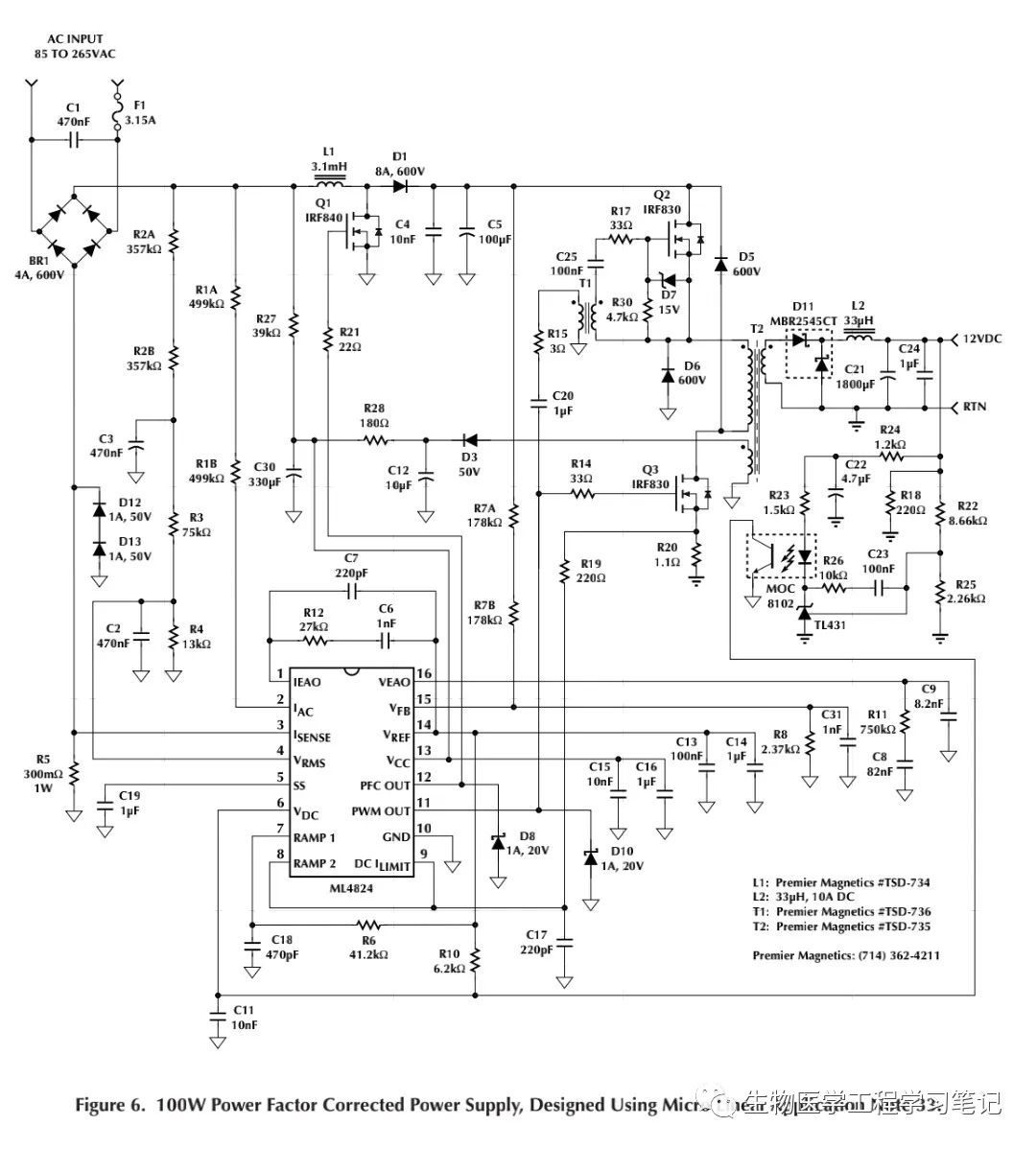
故障现象:
开机后,机器风扇转动,但是氙灯不亮,且没有点灯“哒哒哒”声音。
检修:
1、测量桥堆和大滤波电容电压正常
2、查找该电源管理芯片datasheet,查看典型应用电路,


3、测量电源管理芯片13脚VCC电压和14脚Vref不稳定,波动比较大,软启动5脚电压波形正常。


4、测量11脚PWM输出和12脚PFC输出波形为方波,且最大幅值只有2V,无法驱动场效应管Q1、Q2、Q3。
场效应管Q2无法打开,那么变压器T2初级侧下面小线圈无法获得能量产生电压,进而电路无法通过D3整流,C12滤波,R28给电源管理芯片提供稳定的供电电压。
因此,怀疑电源管理芯片本身存在故障。
5、更换电源管理芯片后开机,灯泡点亮。
6、灯泡点亮后,工作几秒钟灯泡熄灭并且保险丝烧坏。
7、此时检查发现,PWM控制的Q2损坏。拆下这两个场效应管后测量电路板上两个管子的位置发现Q3的DS之间存在短路,由电路图可知,Q3续流二极管短路,导致Q3被短路,此时只有Q2一个管子在工作,进而导致Q2工作一会就损坏。
8、此时再更换Q3的续流二极管和Q2场效应管,灯泡点亮,工作半小时仍正常。

编辑:黄飞