时间:2023-08-05 10:05
人气:
作者:admin
示波器作为电子测量中最常用的电子测量仪器,在测量技术中占据着重要的地位,主要用来测量电信号的周期、幅度、信号特性以及还原信号特性。因此,示波器是电子电路设计是最常用的信号观察以及故障诊断工具,它可以讲肉眼无法直接看到的电信号变化过程转换成人们可以直观看到的所要观测的波形,并通过显示屏显示出来,方便研究人员观察分析。
由于测量技术的飞速发展,相对于传统的模拟示波器,数字存储示波器具有先进的预触发功能,能够观察触发点之前的波形,同时还具有快速地自动测量未知的信号,捕捉电源开、关或信号突变等单次瞬态事件,能够快速、精确的计算和处理各种参数等优势特征。

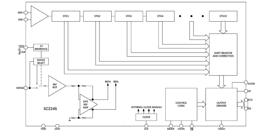
基于方案的设计,手持式设备应满足低功耗、易携带、户外操作等要求,该方案的A/D转换部分采用的是国产芯炽SC2245高性能低功耗CMOS模数转换器,它的有效位数是14位,高速高精度,转换速率有80MSPS、65MSPS、40MSPS、25MSPS、10MSPS可选。
SC2245模数转换器采用的是3V模拟电源供电,一个单独的输出电源能驱动0.5V至3.6V逻辑电路,专为数字化高频宽动态范围信号而设计,在80M Hz采样下拥有72.8dB的信噪比和85dB的无杂散动态范围,可用于远远超过奈奎斯特频率的输入信号。直流规格包括±1LSB INL(典型值),±0.25LSB DNL(典型值)和无漏失码。输入端参考噪声很低,仅为 0.96LSBRMS。

SC2245主要性能:
• 3V 电源供电,灵活输入范围:1VP-P to 2VP-P;
•低功耗:60mW(10MSPS),218mW(80MSPS);
• 80MHz 采样,30.5MHz 输入:信噪比(SNR)72.83dBFS,无杂散动态范围(SFDR):85.62dBFS;
•微分非线性(DNL):±0.25LSB(典型值)输入端参考噪声:0.96LSBRMS;
•片内基准电压源和采样保持电路,提供QFN-32 封装;
模数转换器选型表:

注:如涉及作品版权问题,请联系删除。