时间:2023-08-21 11:25
人气:
作者:admin
通过电池供电的电动工具、真空吸尘器、电动自行车和野营户外电源等应用让人们的现代生活变得更加便利。而随着无线充电越来越广泛的应用,锂电池的安全性也成为人们的关注点。设计人员们不断探索电池监测与保护的最佳解决方案。
电池组由多节锂电池串联而成。锂离子电池有三种不同类型的失效事件:内部短路、高温和过压(OV)。任何一个失效事件都可能导致电池温度达到特定的阈值,并触发一系列内部化学反应。这些反应会产生热量和气体,最终导致火灾或爆炸。
MP2797 是一款功能强大的电池管理器件,它提供可管理 7 至 16 节串联电池的电池管理系统 (BMS),能够预防电池失效事件的发生并保证电池安全。MP2797 提供全面的模拟前端 (AFE) 监测与保护、I2C 或 SPI 通信,并支持 8 位循环冗余校验 (CRC)。
电池电压和电流监测
高精度的电池电压与电流监测对实时获取电池组状态并保证电池的安全使用至关重要。MP2797 集成了两个独立的模数转换器 (ADC):一个 15 位 ADC 和一个 16 位 ADC。
15 位 ADC 通过测量每个通道(最多 16 个通道)的差分电池电压来监测电池电压。室温下的ADC 电压测量误差为 ±5mV。
图 1 显示了电池电压测量和电流测量的误差曲线。
与此同时,16 位 ADC 则通过外部电流采样电阻器测量充/放电电流,以此来监测电流。室温下的ADC 测量误差不超过 0.5%。

图 1:电池电压测量和电流测量的误差曲线
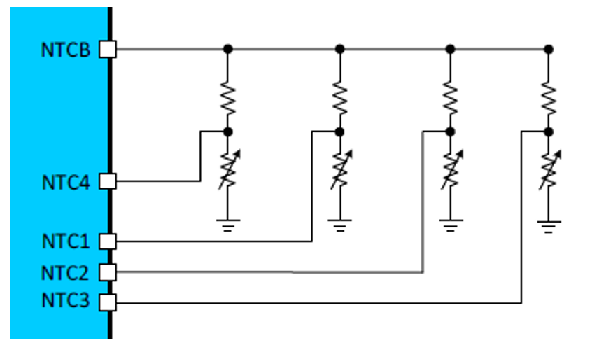
电池温度监测
电池内阻和电池布局等因素会导致充放电过程中电池温度与环境温度之间产生差异。由于电池在不同温度下的寿命不同,因此了解多串电池组内电池的温度非常有用。
除了测量芯片的温度外,MP2797 还可以多路复用 15 位 ADC ,以提供4个通道对外部 NTC 热敏电阻的温度进行采样。

图2: 4通道NTC采样
电池平衡管理
长时间的电池组充/放电会导致单电池的电压不平衡,化学阻抗也会产生偏差。如果电池组继续使用不平衡的电池,整个电池组的使用寿命都可能会缩短。如果单电池之间的电压差异很大,则需要实施电池平衡以尽量减少这种不一致性。
MP2797 集成了一个电池平衡 MOSFET,可以支持电流高达 50mA 的内部平衡。驱动外部平衡 MOSFET 则可以实现更大的平衡电流。
图 3 显示了一个外部平衡参考电路。

图3: 电池平衡参考电路
电池保护
MP2797 为电池组提供全面可靠的保护,其所有保护阈值均可配置。这些强大的保护功能包括:
充放电过流保护(OCP)
充放电短路保护(SCP)
单电池欠压保护(UVP)和过压保护(OVP)
电池组UVP 和 OVP
单电池低温/高温保护
芯片高温保护
MP2797 还集成了一个高端 (HS) 驱动器,可以驱动多个并联的 N 沟道 MOSFET。与低端(LS)驱动相比,HS驱动可以在与微控制器单元(MCU)保持通信的同时触发保护,从而确保系统持续获取电池组的实时状态。
此外,MP2797 还可以在无需预偏置电路的情况下软启动放电 MOSFET。
图4所示为MP2797的典型应用电路。

图 4:MP2797 典型应用电路
附加功能和特性
MP2797 还提供一系列的专用功能,包括低电流待机模式、负载/充电器插入检测、高压和低压 GPIO、开路检测和连续电池故障标记。该器件还提供用于保护阈值的可锁定多次可编程 (MTP) 存储器,同时支持随机电池连接。 它采用 TQFP-48 (7mmx7mm) 封装(见图 5)。

图5: MP2797 IC
设计方案
MP2797 与 MPF42790 MIPF42790 兼容。 MPF42790 MIPF42790 是一款 2 至 16 节堆叠式电池组电量计(见图 6)。MPF42790 MIPF42790 提供了灵活的设计方案,它可以利用系统 MCU 提供电池组读数,因此可与任意类型的 AFE 配合使用。

图 6:MPF42790 MIPF42790 典型应用电路
结语
MP2797能够提供高精度电池电压与电流监测、温度监测和电池平衡功能,同时具备全面的保护功能。锂电池安全对电池供电应用的重要性不断提高,MPS将持续提供丰富的电池管理系统监测与保护解决方案,助力确保电池安全,并延长电池寿命。
审核编辑:彭菁
上一篇:多剂量滴眼剂瓶密封检漏方法验证
下一篇:温度传感器好坏的检测手段有哪些