时间:2023-07-10 15:09
人气:
作者:admin
三相逆变器拓扑结构如下:
Fig1 三相逆变电路

不妨试着用倒推的方法进行理解。已知svpwm的电压利用率可达1。也就是说使用svpwm的调制方式,线电压的幅值可达Udc。
假设:Udc=1;选择载波范围为[0,1]
见下图所示:

为了防止进入过调制区域,必须保证调制波范围为[0,1]。
基于载波的调制方式,画一个简图,如下:

根据上述假设,当调制波幅值不大于载波幅值,且载波频率远大于调制波频率时,理论上,调制输出的端电压波形(Fig1中的端电压为Ua/Ub/Uc)应该和调制波波形相同(幅值及相位均相等)。
因此,为了不进入过调制,端电压的幅值也需要被限制在[0,1]。


三相的端电压与相电压的关系为:


上图中端电压Uao/Ubo/Uco超过了1。
前面提到,为了防止进入过调制,端电压Uao/Ubo/Uco的大小必须小于1。因此,上述星结点电压的选择并不合适。

该如何选择星结点电压Uno呢?
考虑选择合适的星结点电压,让超过1的波峰被削掉,将波形范围限制在[0,1]之间,如下图所示。

此时:

这就是基于载波实现的SVPWM。
基于上述选择的星结点电压,可得端电压波形Uao/Ubo/Uco,调制波波形也应与Uao/Ubo/Uco相同。

按照上述思路,你肯定可以想到若干组其他的星结点选择方式。这里不再进一步阐述。
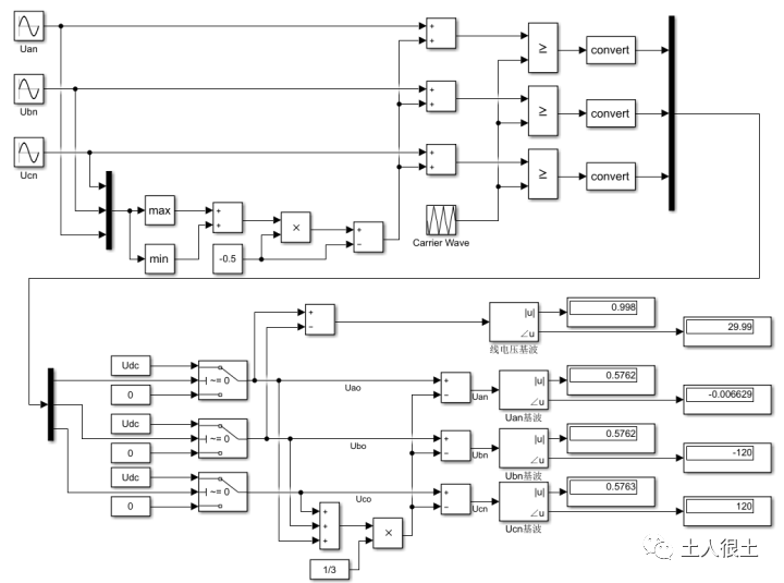
这里为了清楚显示结果,将模型信号流做如下处理,当然这样并不符合MAAB建模规范。


调制波及载波波形如下图所示:

基于载波的调制方式,如下图:

首先给出如下公式
调制信号为


第一扇区的空间向量调制,如下图:

由上图,基于伏秒等效原理(面积等效,即电压波形和时间轴围成的面积)可得:

扇区分布及三相电压大小关系如下图所示:



其他,如DPWM1,DPWMMIN应该可以同样推导出来,不再赘述。