时间:2023-06-21 17:04
人气:
作者:admin
对于任何一个器件,在使用之前,无论是生产方还是使用方都会进行充分的验证,以确定产品的性能是否符合相应的需求。今天我们就来说一说有关IGBT的一项比较重要的测试——双脉冲测试(Double Pulse Test)
当然,网上可以找到很多关于IGBT双脉冲测试的资料,不同厂家的都有,基本的测试过程都是差不多的,其目的也是一致的(为了验证IGBT的性能是否过关)。双脉冲测试的必要性在现在的行业中是显而易见的,其决定了对应的IGBT是否会被选用,也是使用者在选型之前的一道筛选手段。
1
双脉冲测试的意义
①对比同一品牌不同型号或者同一型号不同品牌的IGBT的性能;
②获取IGBT在开关过程的主要参数,以评估Rgon及Rgoff的数值是否合适,评估是否需要配吸收电路等;
③考量IGBT在变换器中工作时的实际表现(例如二极管的反向恢复电流是否合适,关断时的电压尖峰是否合适,开关过程是否有不合适的震荡等)。
一般IGBT的规格书中的参数是在特定条件下的测试数据,不一定能够代表实际应用中的真实表现,这时候双脉冲测试就显示出了它的优势。也提醒我们,在使用IGBT的时候,不能够过于依赖其Datasheet,要与实际应用工况相结合,这样才能更好地认知。
2
主要实验设备
3
平台和基本原理
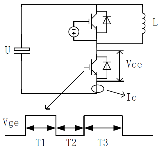
测试电路如下:

下管IGBT和上管反并二极管是被测对象(对于,IGBT模块来说,上下管都是要测的,这里只是以其中一个为例)。
用高压隔离探头取Vce;用罗氏线圈电流探头取Ic;用普通探头测量Vge。上管IGBT的门极加了负压,所以上管的IGBT是关断的,只有续流二极管起作用。
双脉冲实验的基本波形(概念化的):

基本原理:
①在t0时刻,门极放出第一个脉冲,被测IGBT饱和导通,电动势U加在负载L上,电感的电流线性上升,电流表达式为:I=Ut/L。
在t1时刻,电感电流的数值由U和L决定,在U和L都确定时,电流的数值由t1决定,时间越长电流越大因此可以自主设定电流的大小。


②在t1时刻被测关断,负载L的电流由上管二极管续流该电流缓慢衰减,如图虚线所示。


由于电流探头放在下管的发射极处,因此,在二极管续流时,IGBT关断,示波器上是看不见该电流的。
③在t2时刻第个脉冲的上,二升沿到达,被测IGBT再次导通续流二极管进入反向恢复,反向恢复电流会穿过IGBT,在电流探头上能捕捉到这个电流,如图所示。


在t2时刻,重点是观察IGBT的开通过程。反向恢复电流是重要的监控对象,该电流的形态直接影响到换流过程的许多重要指标。
④在时刻被测IGBT再次关断,此时电流较大,因为母线杂散电感的存在会产生,一定的电压尖峰。


在t3时刻,重点是观察IGBT的关断过程电压尖峰是重要的监控对象。
下面是实测时的波形:

4
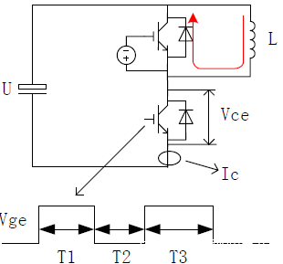
开通过程
IGBT典型的开关波形如下:

开通过程:
当门极电压到达门槛值时,IGBT导通,Ic开始增长,直到Ic基本到达电感电流的数值,续流二极管进入反向恢复后,IGBT的Vce才开始下降,反向恢复过程结束后,续流二极管截止,Vce到达饱和值,换流过程完成。
实测的波形如下:

红线:Ic;蓝线:Vce;绿线V
需要注意的几点是:
a. 二极管的反向恢复电流的di/dt,
b. 二极管的反向恢复电流的峰值,
c. 反向恢复后电流是否有震荡,拖尾有多长,
d. Vce电压是否正确变化
e. 测算出损耗,(依赖示波器功能)
调整门极电阻Rgon可以强烈地影响该过程,用以确定Rgon的数值是否合适。
5
续流二极管
IGBT中的续流二极管是一个很重要的器件,我们要关注下面几个问题:
a. 在IGBT开通的时刻,实际上是续流二极管关断的时刻。
b. 所有的功率半导体,包括IGBT芯片和二极管芯片,在关断的时刻面临的风险远大于其开通时面临的风险(换句话说,在IGBT关断的时刻,IGBT芯片的损坏风险是最大的;在IGBT开通的时刻,二极管芯片的损坏风险是最大的)。
c. IGBT芯片出现短路时,驱动器可以帮忙保护;但二极管芯片损坏时,没有其他的防护手段。
二极管风险项:
①安全工作区域(SOA)
下图是二极管的安全工作区的示意图和实测图。实际上这是一条恒功率曲线。其意义是:二极管在反向恢复过程中,其瞬时功率不能超过规定的数值,否则就有损坏的风险。


二极管在反向恢复的过程中,实际上是其工作点从导通过度到截止。其工作点的运动轨迹有多种选择,如右图所示。显然,轨迹A是最安全的,轨迹C则是危险的。
②尖峰电压
下图表示的是二极管反向恢复时,实测的电压及电流波形,同时利用示波器计算出瞬时损耗的波形。

图中红色线为二极管的瞬时功率,在二极管反向恢复电流达到最大值后,二极管的功率也达到最大值,如果此时二极管电压尖峰明显,则二极管损坏的风险将大大增加,因此杂散电感大小对二极管意义也很大。
二极管反向恢复电流上升时,杂散电感上产生的电压是与母线电压相抵的。反向恢复电流下降时,杂散电感电压与母线电压同向,电压落在二极管上,二极管出现电压尖峰,风险加大。如果杂散电感比较大,二极管就更加危险了,容易跑出安全工作区。
二极管的电压尖峰是由于杂散电感与二极管反向恢复电流的后沿
相作用而产生的。所以减小直流母排的杂散电感及优化反向恢复
电流的后半沿的斜率都可以有效提高二极管的安全裕量。
③电流变化率di/dt
通常在IGBT的datasheet中,关于二极管的部分会注明反向恢复电流的最大的di/dt水平,通常不能超过这个数值,否则可能导致反向恢复电流震荡。
二极管反向恢复电流的前沿的斜率受Rgon的影响很大,但反向恢复电流的后沿的形状(即其下降的部分),主要由IGBT厂商设计出来的。在大功率的场合,通常需要追求的二极管的软度。这主要体现在反向恢复电流的后沿的形状。
6
测量主电路杂散电感
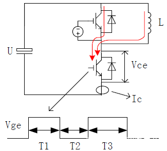
利用开通过程测量主电路杂散电感:
在IGBT开通时,Ic开始增长,而此时上管IGBT的续流二极管处于反向恢复,该二极管没有阻断能力,上管Uce=0。
在Ic开始增长时,杂散电感上感应的电压的方向如图所示,是与母线电压相反的,所以此时在下管的Vce上测得的波形出现了一个缺口,如右图波形中的虚线所示这个缺口。电压产生的原因是杂散电感抵消了一部分母线电压。也就是说,缺口的电压是杂散电感上的感应电压。

从示波器上读出Us,再读出di/dt,根据式子Us=Ls*di/dt就能算出杂散电感Ls的数值。
这个模型是比较准确的因此得出的数据比较可靠。
7
关断过程
关断波形如下图所示:

关断过程的关注点为Vce的电压尖峰,它是直流母线杂散电感与di/dt的乘积,通过观察这个尖峰,可以评估IGBT在关断时的安全程度。
Vce尖峰一般都客观存在,在短路或者过载时,这个尖峰会达到最高值,比正常工作时要高得多,通常可以使用有源钳位电路(Active Clamping)进行抑制。
通常在大功率的IGBT的应用中,有源钳位的功能是非常必要的,而功率越小,必要性越低。其原因是随着系统的功率变大,IGBT的di/dt会增大,且杂散电感也会越大,因此电压尖峰会越高。在IGBT短路时,关断短路电流的di/dt会更高,比关断额定电流要高很多,因此短路时电压尖峰更高。所以有可能出现,驱动器发现了IGBT的短路现象,并且也及时关断,但是由于di/dt太高,产生了非常高的电压尖峰,在关断该短路电流后仍然可以打坏了
IGBT。这时,有源钳位电路就非常必要。
为什么叫双脉冲测试?单脉冲不可以吗?
在大部分电力电子装置中,负载的电感量都比较大,在IGBT关断后,电感电流一般不会断流,二极管会一直续流,在此时开通IGBT,会有二极管的反向恢复过程。而单脉冲实验中是没有二极管反向恢复过程的,因而双脉冲实验比单脉冲实验真实。但是单脉冲实验可以充分观察关断过程,如果只需要关注关断过程,则单脉冲实验也是可以的。