时间:2023-05-18 09:54
人气:
作者:admin
多路热电偶测温容易遇到通道精度的一致性问题,主要原因是冷端的温度不一致性。本文分析该问题,并推荐相应的电路解决方案。
热电偶冷端的实际位置
热电偶是一种温差元件,如下图1,它的输出信号是两个线端之间的电压差:a(TA1-TA2)-b(TB1-TB2)。由于热源处是一个点,TA1和TB1相等,可记为TH。若室温处的两个线端A2和B2的温度TA2和TB2也相等,记为TC。则热电偶两个线端之间的电压差,简化为(a- b)*(TH-TC),对于特定的两种金属,可以进一步简化为VTC=α(TH-TC)。
图1
如果热电偶两个线端温度不相等,则以上简化不成立,将出现额外的偏差。因此,热电偶的两个线端需要保持在同一温度,保持等温。在等温环境,两个线端与第三种金属(例如:铜质接线端子的螺丝)相连接位置才是实际冷端的所在位置,而不是接线端子在PCB上的焊盘位置。
多通道时冷端温度的一致性问题
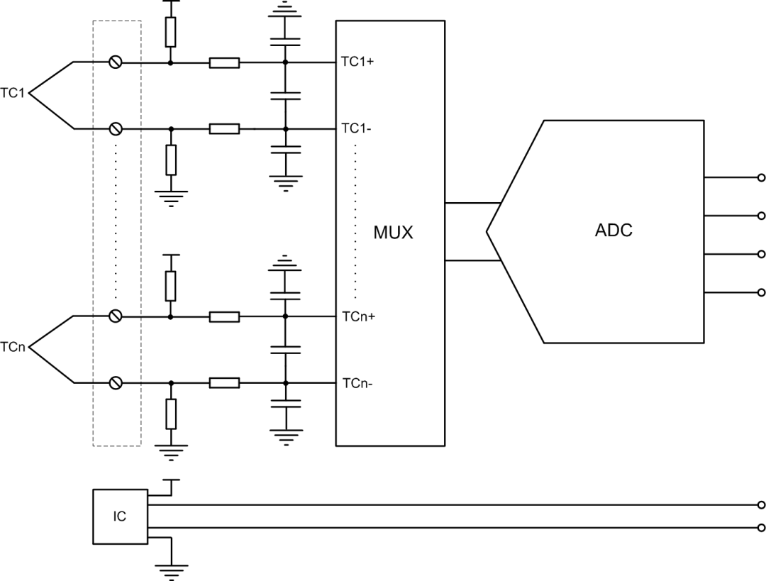
接线端子的螺丝或簧片通常处在PCB表面之外的空气中,当多个通道时,由于空气流动和附近热源的影响,就会难以保证各个接线端子的螺丝或簧片处于等温状态,使得各通道的冷端环境温度存在差异。常规的热电偶测量电路,冷端测温元件放在单个通道接线端子附近(如下图2)会顾及不到各通道的冷端温度差异,导致各通道的测量精度出现偏差。

图2
冷端温度的一致性是可以通过结构设计改善,例如:使用导热良好的金属块与各通道冷端位置靠近,使得各通道的冷端温度接近于相等;设计密封的接线盒,隔开热源的热传导,使得内部温度保持均匀相等。但是这些方式不但增加了结构件设计及装配,还增加设计复杂度和成本。
推荐的测量方案
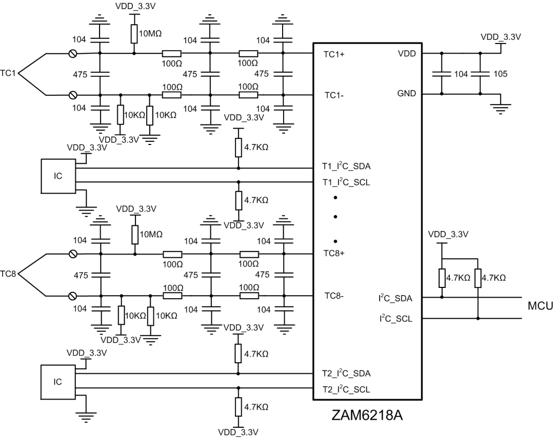
在不增加结构件的情况下,我们可以通过增加冷端测温元件的数量来提高各通道测量精度的一致性。推荐ZLG致远电子ZAM6218A八通道热电偶测温模块,内部集成24位ADC、信号调理电路、以及数据处理代码,直接输出以"℃"为单位的温度数据。其冷端测量采用测温芯片,提供两路I2C和冷端芯片通讯,提供两种冷端芯片可选,最多能读取八个冷端芯片的数据,如下图3。ZAM6218A的冷端测温芯片可根据实际应用需求与热电偶测温通道组合配置,例如每个热电偶测温通道可配置一颗冷端测温芯片,也可两个、四个、六个、八个热电偶测温通道配置一颗冷端测温芯片。

图3
ZAM6218A电路部分测量精度0.02%±0.1℃,搭配可选的冷端芯片,可实现0.2℃以内的测量通道精度一致性。ZAM6218A还提供了评估套件,如下图4。通过该评估套件,基于ZAM6218A模块可以快速搭建出高通道精度一致性的热电偶测量电路。
图4