时间:2023-05-06 10:46
人气:
作者:admin
水声信号是水下探测系统实现对水中目标远程探测识别的主要信息之一,有效获取水下声信号是一个十分重要的问题。人们对目标回波及水下环境噪声很感兴趣。从这些数据可以分析特定海域的海洋声特性、噪声特性及目标特性等很多有用信息,还可针对信号特点研究更有效的处理方法等,这就需要一套能够将多路水声信号采集、存储和处理的系统。
本文针对水下探测系统的特点,介绍一款低功耗高精度模数转换器GAD7980在水声信号采集处理系统中的应用,方案实现了低功耗、高精度的水声信号同步数据采集存储处理的设计。

目前的水声探测设备对水下声信号采样时,一般使用16位精度的模数转换器。在海洋环境下,由于受声传播距离的限制,声信号的频率不能太高,一般都小于10kHz,采样频率取50kHz左右。这样采集存储处理系统的基本要求是: 在50kH采样率,即20s的采样周期内完成对4路16bit的数字声信号的采集和存储处理。

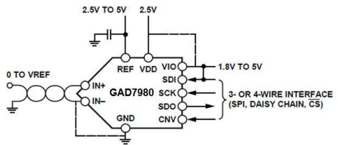
GAD7980引脚
GAD7980是一款16位电荷再分配逐次逼近型寄存器(SAR)型模数转换器,采用单电源供电,芯片内置了一个低功耗、高速、16位采样ADC和一个多功能串行接口端口。在CNV上升沿,该器件对IN+与IN-之间的模拟 输入电压差进行采样,范围从0V至REF。基准电压由外部提供,并且可以独立于电源电压,功耗和吞吐速率呈线性变化关系。
GAD7980性能参数:
•吞吐速度:1MSPS
•外部基准:2.5V-5V可选
•单模拟电源供电VDD:2.5V
•逻辑接口供电VIO:1.8V-5.5V
•待机电流:50Na
•工作温度范围为−40°C至+85°C
•采用10引脚DFN封装
注:如涉及作品版权问题,请联系删除。