时间:2023-05-09 11:41
人气:
作者:admin
数字万用表是一款多用途电子测量仪器,分为指针万用表和数字万用表两种类型,它可以测量直流电流、直流电压、交流电流、交流电压、电阻和音频电平等,主要用于物理、电气、电子等测量领域。
数字万用表其工作原理主要以数字电路为基础来检测和分析信号,然后通过模数转换器提供LCD显示出来,数字万用表一般采用液晶显示器作为读数装置,具有测量精度高、使用安全可靠的特点。
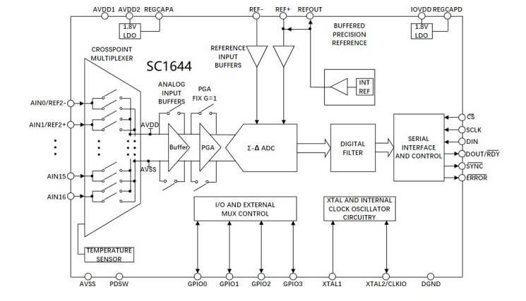
在某高精度数字万用表项目数据处理过程中需要用到ADC把测量到的模拟信号转换成数字信号,由于测量类的应用对精度的要求极高,国芯思辰给其介绍了高精度ADC SC1644,该芯片可满足项目的应用需求。SC1644是一款快速建立、高度精确、低功耗、8/16通道、多路复用的ADC,非常适合低带宽输入信号使用。

SC1644主要性能:
1、SC1644内部集成:精密模拟输入缓冲器和参考输入缓冲器 2.5V精密基准电压源(3.5ppm/°C),交叉点多路复用器,8个全差分或16个单端通道 ,时钟振荡器,GPIO和GPO引脚用于控制外部多路复用器等。
2、SC1644提供快速灵活的输出速率1.25SPS至31.25kSPS,通道扫描数据速率6.21kSPS/通道数(建立时间:161µs)。
3、SC1644性能规格:17.5位无噪声分辨率(31.25kSPS)、24位无噪声分辨率(1.25SPS),积分非线性:±3ppm/FSR。
4、SC1644的工作电压为3.3V或5V,电流为4mA,并提供QFN-40封装。
注:如涉及作品版权问题,请联系删除。