时间:2023-03-22 11:17
人气:
作者:admin
手持数字示波器是一种用途十分广泛的电了测量仪器,与传统模拟示波器相比,数字示波器不仅具有可测量波形、体积小、功耗低、使用方便等优点而且还具有强大的信号实时处理分析功能。手持数字示波器利用信号转换功能,适用于各种各样的物理现象的检测与研究。
数字示波器通过模数转换器把被测电信号转换为数字信号,再以数字信号处理的方式将信号随时间的变化波形绘制在显示设备上。数字示波器的核心性能指标主要为带宽:带宽决定了示波器所能检测到的信号频率范围,最高带宽越高,能够检测的最高信号频率越高,因此地芯科技的16位500kSPS四通道模数转换器GAD8684非常适合在该方案中的应用。

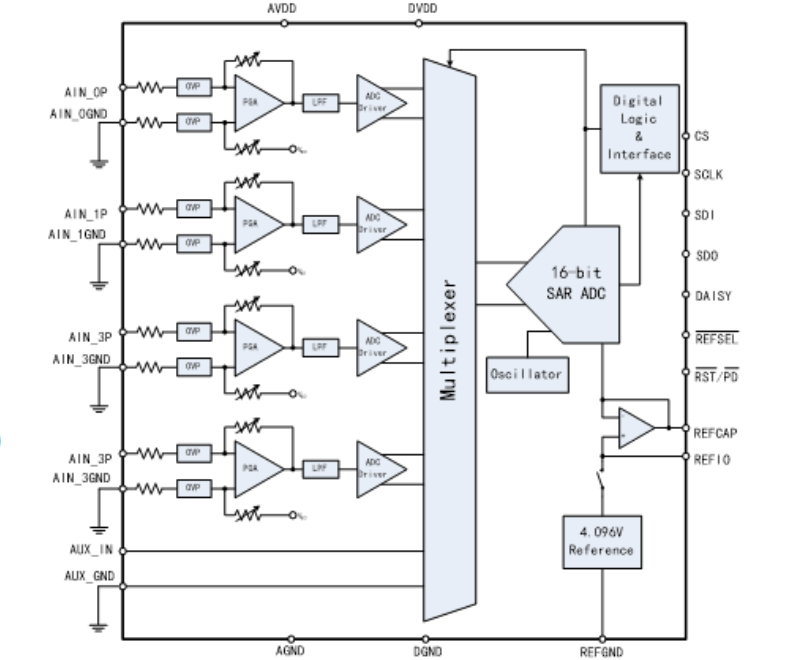
GAD8684是一款集成数据采集系统,工作吞吐量为500Ksps,芯片为每个输入通道提供集成模拟前端电路,过压保护高达±20V,芯片上的4.096V基准电压具有低温度漂移的特性。
GAD8684在单个5V模拟电源上工作时,器件上的每个输入通道可支持±10.24V、±5.12V和±2.56V的真实双极输入范围,以及0V至10.24V和0V至 5.12V的单极输入范围;所有输入范围的模拟前端增益均经过精确调整,以确保高直流精度。GAD8684输入范围的选择是软件可编程的,每个通道独立。无论选择的输入范围如何,这些器件都提供1MΩ的恒定阻性输入阻抗。

功能框图
GAD8684特征:
•带集成模拟前端的16位ADC;
•通道独立可编程输入;
•5V模拟电源:1.65V至5V I/O电源 ;
•恒定电阻输入阻抗:1MΩ;
•输入过电压保护:高达±20V;
•片上4.096V基准低漂移;DNL:±0.5LSB;INL: ±0.75LSB;
•增益误差和偏移误差的低漂移;
•低功耗:65毫瓦;SPI兼容串行接;
注:如涉及作品版权问题,请联系删除。
上一篇:高低温湿热试验箱的安全规范