时间:2023-01-13 16:42
人气:
作者:admin
目前,鲁尔连接器标准地用于连接输送医用流体所涉及的医疗装置和用于IV管的连接器,连接注射器、导液管、输液器、输血器、输液针、麻醉过滤器等医疗器械上,鲁尔圆锥接头性能质量试验,有专业的ZZ1962-C鲁尔圆锥接头多功能测试仪检验。
鲁尔圆锥接头抗轴向负载分离试验 仪器装置
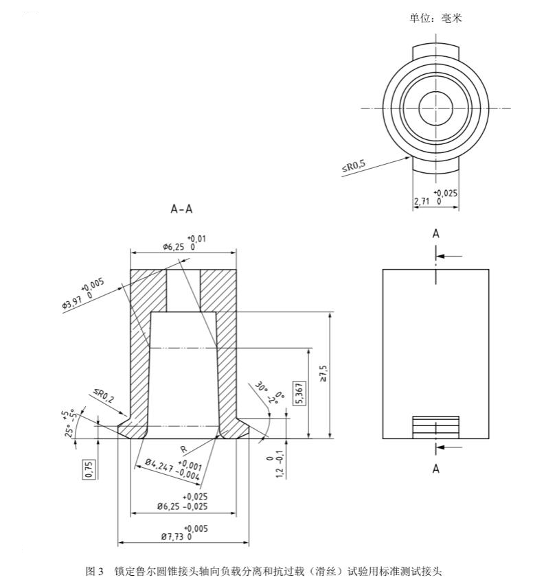
标准测试接头(测试锁定鲁尔圆锥接头的轴向负载分离和抗过载(滑丝)性能选用图3规定的标准测试接头)

ZZ1962-C 鲁尔圆锥接头多功能测试仪,可同时施加轴向力和扭矩,使供试鲁尔圆锥接头与标准测试接头组装的装置,并且可以通过置换夹具,测试鲁尔圆锥接头漏液、漏气、分离力、旋开扭矩、易装配性、抗滑丝性、抗过载性、应力开裂、压力衰减泄漏、正压液体泄漏、负压空气泄漏等10项性能。
计时器:精度为±l秒。
加载装置:可施加至少35N轴向分离力的装置。

鲁尔圆锥接头抗轴向负载分离试验 详细流程
①安装好产品和标准接头,内圆锥锁定接头产品组合使用0号2号接头,外圆锥锁定接头产品组合使用0号1号接头。
②点击“测试”,待“实测轴向力”、“实测扭矩力”到达设定值后,通过施加 26.5~27.5N的轴向力“保持时间”5秒。
③将连接着的产品和标准接头一起取下,观察标准接头是否超过产品的螺纹和凸耳,不超过则测试合格。
