时间:2022-12-08 16:51
人气:
作者:admin
漏电起痕试验仪与高压漏电起痕试验仪的区别
CTI漏电起痕和高压漏电起痕试验都是用来检测绝缘材料某一物理性能的测试设备,但两者所检测的物理性能却是不一样的,因此两者所依据的试验标准也是不一样的,接下来为您详述两者之间的主要区别有哪些。
一、定义区别
高压漏电起痕测试是模拟在工频(48Hz - 62Hz)下,用液体污染物和斜面试样,通过耐电痕化和蚀损的测量评定在严酷环境条件下使用的电气绝缘材料的耐电痕化和蚀损等级。其电痕化是指固体绝缘表面因局部区域的放电导致持续劣化并形成导电或部分导电通道。
CTI漏电起痕测试也叫耐漏电起痕是模拟家用电器产品在实际使用中不同极性带电部件在绝缘材料表面沉积的导电物质是否引起绝缘材料表面爬电、击穿短路和起火危险而进行的检验,从而测定其相比漏电起痕指数和耐漏电起痕指数。其电痕化是指在电应力和电解杂质的联合作用下,固体绝缘材料表面和/或试样内部导电通道逐形成。
二、主要依据的国标标准区别
高压漏电起痕所依据的国标标准是GB/T6553-2014《严酷环境条件下使用的电气绝缘材料评定耐电痕化和蚀损的试验方法》
CTI漏电起痕所依据的国标标准是GB/T4207-2022《固体绝缘材料耐电痕化指数和相比电痕化指数的测定方法》
CTI漏电起痕测试三、试验原理区别
CTI漏电起痕试验是在固体绝缘材料表面上,在规定尺寸(2mm×5mm)的铂电极之间,-施加某一电压并定时(30s)定高度(35mm)滴下规定液滴体积的导电液体(0.1%NH 4CL),用以评价固体绝缘材料表面在电场和潮湿或污染介质联合作用下的耐漏电性能,测定其相比电痕化指数(CT1)和耐电痕化指数(PT1)。
高压漏电起痕试验:是在工频(45 Hz~65 Hz)下,用液体污染物和斜面试样,通过耐电痕化和蚀损测量评定在严酷环境条件下使用电气绝缘材料的两种试验方法。在对电工电子产品、家用电器及其材料进行耐电痕化和蚀损的试验,用液体污染物和斜面试样,通过耐电痕化和蚀损的测量评定在严酷环境条件下使用的电气绝缘材料的耐电痕化和蚀损等级。在电器产品受潮湿和杂质环境的影响下,不同极性带电部件之间或带电部件与接地金属之间可能会引起绝缘上的漏电,产生的电弧对电器造成击穿短路或由于放电使材料电蚀损,甚至起燃导致火灾。本试验仪就是模拟上述情况对绝缘材料进行的一种破坏性试验,用以测量和评定在规定电压下,绝缘体在电场和含杂质水的作用时的相对耐漏电起痕性
方法1:恒定电痕化电压法
方法2:逐级电痕化电压法
注:方法1因为不需要连续的观察,是较广泛使用的方法
方法2试验条件设计成使效应加速产生,但并没有模拟在使用中所遇到的全部情况。
四、试验电路区别
CTI漏电起痕试验的电路原理是在电极上施加正选波电压,其在100V~600V之间变化,频率为48Hz~62Hz,电压测量装指示一真有效值,最大误差为1.5%。电源功率应不小于0.6kVA,试验电路图如图1所示。可变电阻器应能调节电极之间的短路电流到1.0A±0.1A,且在此电流下,电压表上指示的电压下降应不超过10%,短路电流的测量装置最大误差为±3%。试验装置输入电源电压应足够稳定。当电流有效值为0.5A,其相对公差为±10%,持续2.00s,器相对公差为±10%时,过电流应动作。

漏电起痕试验电路原理图
高电压起痕试验的电路原理是:由于试验在高压下进行,应使用安全栏安全接触,电路组成如下所述。
电源频率为45Hz~65Hz,输出电压可调到约6kv,并稳定在±5%,对于每个试样的额定电流应不小于0.1A。对方法,优先采用的试验电压为2.5kv、3.5kv和4.5kv。

高压漏电起痕试验电路原理图
五、试验所用电极材质区别
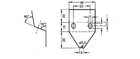
高压漏电起痕试验所有的电极、固紧装置以及电极相连的装配件,如螺钉应用不锈钢做成(例如:302级)电极装置如下图所示。

上电极(0.5mm不锈钢)

下电极(0.5mm不锈钢)
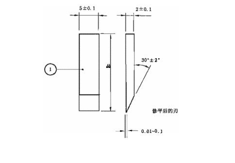
CTI漏电起痕试验所使用的电极应使用最小纯度为99%的铂金电极,两电极间两电极应有一横截面(5±0.1)mm,有30°±2°斜面,斜面的刃近似为平面约0.01mm±0.1mm宽。

漏电起痕试验电极
六、试验试样尺寸区别
CTI漏电起痕试验的试样可采取任何表面非常平的试样,只要其表面足够,确保试验时无液体流出边缘即可。
注:尽管可采用更小的尺寸,但推荐平面尺寸应不小于30mm*20mm,以减少电解液流出试样边缘损失。
试样厚度应为3mm或更厚,每一材料试样可重叠以获得至少3mm的厚度。
高压漏电起痕试验的试样尺寸面积为50mm*120mm,厚度为6mm
漏电起痕试验机