时间:2022-12-13 09:18
人气:
作者:admin
当下,全球都在强调制造业的重要性
我国更是将制造业转型升级作为长期的发展战略
扫描电镜作为一种强大的分析仪器
在提升制造业产品创新能力与产品质量上将大有作为

钨灯丝扫描电镜SEM2000
但在实际应用中
常有用户担忧电镜很“娇气”
容易损坏,使用操作复杂,需要花较长的时间才能上手
隐形成本很高!
国仪量子电镜团队针对这一痛点
以“人人都敢用,人人都能用”的目标打造了
“操作不挑人,简约不简单”的
钨灯丝扫描电镜SEM2000
SEM2000操作不挑人,简约不简单
SEM2000操作界面简洁
瞬间上手,皮实耐用,故障率低
即便是新手也能轻松使用
SEM2000自动化程度高
一键成像、自动聚焦、自动消像散、自动对比度功能
大大简化调试参数的步骤
SEM2000具有完备的防碰撞流程
可以完全避免样品碰伤物镜极靴、二次电子探测器等零部件
简约而不简单
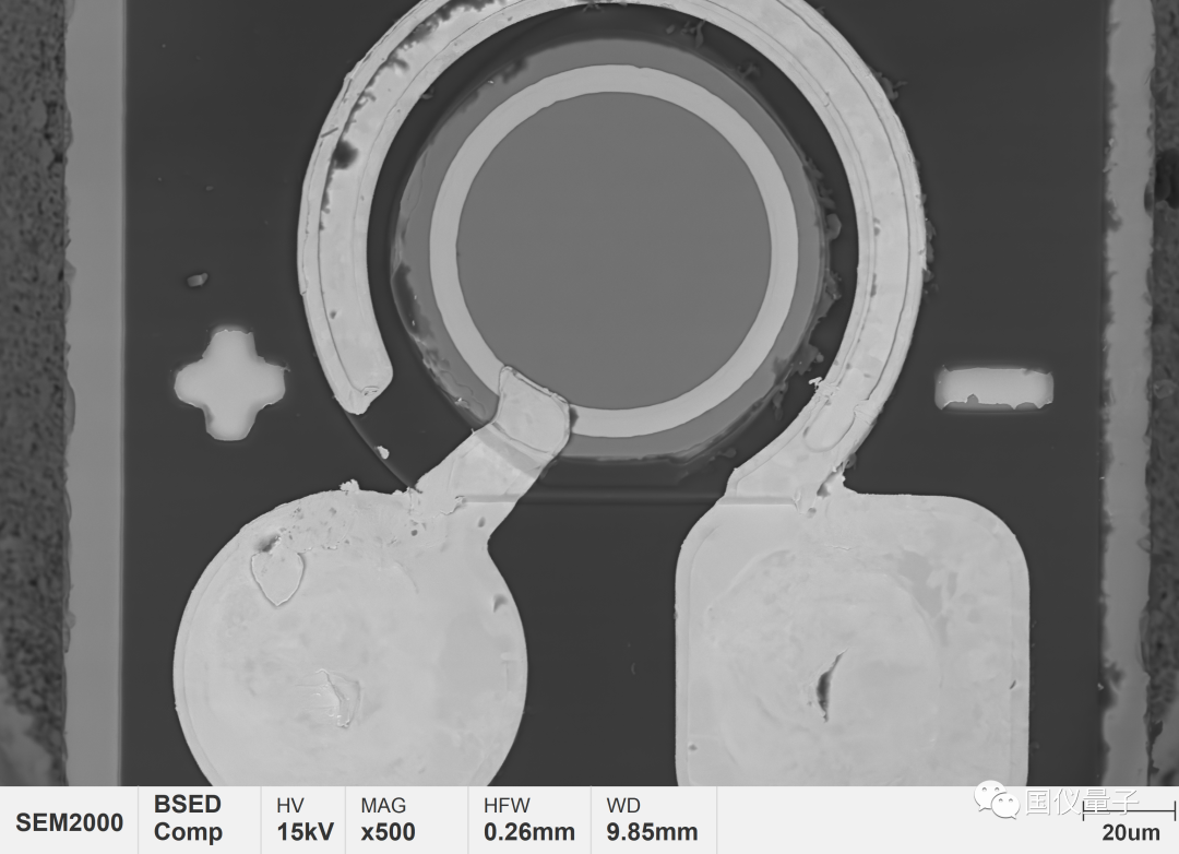
SEM2000实拍见真章
以下是经过短时间培训后的新手拍出的图片
图像清晰,对比度好,景深大
生箔

芯片

负极极片

负极碳包硅

SiC陶瓷 BSE

氧化铝粉体

如果您希望降低使用成本,提高操作效率
如果您从来没有使用过电镜,想要首次尝试扫描电镜
如果您希望工具可以更简单
那SEM2000将会是您最好的选择!