时间:2022-12-01 18:05
人气:
作者:admin
摘要:Acrel-1000变电站综合自动化系统,是我司根据电力系统自动化及无人值守的要求,总结国内外的研究和生产的先进经验,专门研制出的新一代电力监控系统。本系统具有保护、遥测、遥信、遥脉、遥调、遥控功能,可实现无人或少人值守功能,为监控系统的、经济、可靠运行提供了全新的解决方案。系统采用分层分布式结构,整个监控系统在物理上分为两个层:站控层和间隔层。站级通信网络采用标准以太网及TCP/IP通信协议,物理媒介可以为光纤、网线、屏蔽双绞线等。系统支持Modbus RTU、Modbus TCP、CDT、IEC60870-5-101、IEC60870-5-103、IEC60870-5-104、等通信规约。
关键词:变电站综合自动化系统;无人值守。
1
概述
该物流园变电站为全户内两层布置。一楼西侧为主变室。东侧为10kV配电装置室,东北侧为二次设备室。二层东侧为35kV 配电装置室,西北侧为10kV电容器室。35kV配电装置采用金属铠装移开式开关柜,户内单列布置;10kV配电装置采用金属铠装移开式开关柜,户内双列布置。35kV供电系统采用双母线分段系统,共有13面高压开关柜;10kV供电系统采用双母线分段系统,共有21面高压开关柜;综合自动机监控系统设置在电气监控室。
根据用户配电系统管理需求,需要对35kV开关柜、10kV开关柜、35kV/10kV主变、交直流系统等进行全方面监控与保护,及时发现故障故障,保证配电系统可靠运行。
结合用户实际生产工艺要求,为实现本项目35kV变电站的监控与管理,在35kV和10kV配电回路中配置AM5SE系列进线保护、主变保护及各种出线保护装置;在总进线处配置APView500电能质量在线监测装置。
在电气监控室配置一套Acrel-1000变电站综合自动化系统,通过通信管理机及网络交换机实时采集微机保护装置、电能质量等二次设备数据,实现整个物流园区供配电系统的电力监控与自动化管理。在电气监控室配置一套电源系统,为整个变电站的断路器、二次设备及监控主机等重要设备运行提供稳定可靠的电源。

图1 物流园电气监控图
2
系统结构
变电站综合自动化系统通过智能电力监控装置、通讯网络和计算机软件,实现供配电系统在运行过程中的数据采集、运行监视、事故记录和分析、继电保护等,完成园区的供电、用电管理和运行管理。系统可分为三层结构:即现场设备层、网络通讯层和平台管理层。
现场设备层:包含微机保护、智能操控、多功能仪表、计量表等设备,用于采集站内配电柜内电气运行参数、开关状态、电气接点温度等数据,同时分别在35kV变电站和10kV变电所配置多套直流电源,保障现场设备良好的运行环境。
网络通讯层:包含ANet-2E8S智能网关。网关主动采集现场设备层设备的数据,并可进行规约转换,数据存储,分散10kV变电站通过数据采集箱(内置智能网关)采集数据通过光纤上传至通信室变电站综合自动化监控系统平台;同时网关充当远动通信装置,将现场设备数据采集后通过交换机经纵向加密数据加密后上传调度网。
平台管理层:变电站综合自动化监控系统平台、国网浙江杭州市萧山区电力调度控制平台。

图2 监控系统网络结构图
3
解决方案
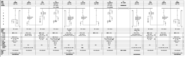
本项目35kV配电装置采用金属铠装移开式开关柜,本期及远景进线2回,采用单母线分段,本期新上柜中,有2台进线隔离柜,2台计量柜,2台进线开关柜,2台压变柜,2台主变进线开关柜,1台母线分段开关柜,1台母线分段隔离柜。为预留远景可能的3#主变,在35kVⅡ段母线PT柜与2#主变柜间空余一个柜位,日后可插入新柜。开关柜具有可靠的“机械五防”功能,进线开关与进线隔离手车间设置电器连锁。

图3 35kV开关室一次系统图
10kV配电装置采用金属铠装中置式开关柜,本期出线2回,采用单母线分段。本期新上9台开关柜,其中有1台主变进线开关柜,1台电容器柜,2台站用变柜,1台分段开关柜,1台分段隔离柜,2台馈线柜,1台母线PT柜。柜间母线桥1座,主变母线桥1座。其中10kVⅡ段待二期建设。

图4 10kV开关室一次系统图
方案综述
本次工程采用分层分布式综合自动化系统。计算机监控系统采用安科瑞电气股份有限公司生产的微机监控系统。本期配置:远动主机屏1面,公用测控屏1面,电力调度数据网屏1面,#1主变保护测控屏1面,电能计量屏1面,电源系统屏共7面,上述综合自动化屏在二次设备室内集中布置。
35kV进线、母分及10kV馈线、电容器、母分按间隔配置保测装置,35kV及10kV母设按间隔配置测控装置,上述设备均就地布置相应间隔开关柜内。各柜内安装的保护、测控装置的信息均通过103协议通过以太网通道上送至站控层。二次设备室内设备GPS时钟对时采用电B码,35kV、10kV开关室内保护测控装置采用网络对时。
本工程配置站用变压器2台(容量为50kVA),其中1台作为远景备用;直流系统电压为110V,蓄电池(容量200Ah,54只/2V)组屏2面。电源系统共组屏7面布置于二次设备室,至监控后台的报文采用通信软报文加硬接点方式。
全站N600有且仅有一点接地,该接地点设在#1主变保护测控屏上。
本工程设电能计量屏(主变35kV、主变10kV侧各1只电能表)1面,35kV进线、10kV馈线、电容器间隔电能表均就地布置在各间隔开关柜。其中计量关口设在35kV进线侧。站内电能表数据通过电能采集装置ERTU上传调度。
功能需求
①本地数据采集
变电站综合自动化系统需采集设备数量共计34台,本地设备根据数据类型主要分为遥测、遥信、电能三类数据。整体系统功能需求:
1)数据采集及处理:通过间隔层设备实时采集现场各种电参数、开关量及温度量、电能抄表值等;
2)画面显示:各回路的合、分状态、变位信息、保护设备动作及复归信息、直流系统及所用变系统的信息、各测量值的实时数据、各种告警等信息;
3)记录功能:具有电压、电流、功率、电能以及事故、告警事件等各种历史数据的存储功能,以供查询、分析、打印;
4)报警处理:用户可以根据自己的需要分类筛选有关报警,并将报警归纳于不同的报警窗口;
5)应具有完善的用户权限管理功能,避免越权操作;
6)曲线分析功能:可以曲线形式展示实时数据库和历史数据库中的模拟量、电度量数据,以便分析其当前运行状态及有关历史趋势;
7)报表统计功能:通过报表,可以方便分析供电系统及各回路运行参数,形成运行日报、月报、电能统计日报、月报、年报。
②电力防护需求
为了加强该物流园配电工程电力监控系统防护,抵御黑客及恶意代码等对监控系统发起的恶意破坏和攻击,以及其它非法操作,防止电力监控系统瘫痪和失控,和由此导致的变电站一次系统事故和其他事故,需制定电力防护方案。
该物流园配电工程内配置变电站监控系统、调度数据网系统、电采集装置。
变电站监控系统
本站变电站监控系统采用系统组态软件Acrel-1000变电站综合自动化监控系统,配置一台监控后台主机兼操作员站。主要实现变电站的数据采集、监视和控制功能,以监测控制计算机为主体,加上检测装置、执行机构与被监测控制的对象(生产过程)共同构成的整体。在这个系统中,计算机直接参与被监控对象的检测、监督和控制,采用IEC104规约、端口号2404,并实时与地调自动化主站系统进行数据传输。装置操作系统采用64位WINDOWS 7旗舰版,数据库版本为SQL Server 2008R2。
电采集装置
本站配备了一套华云信息生产的型号为ERTU3000C电量采集终端。电量采集终端是一种用于采集、存储和转送电站关口表采集和生成的计量计费信息的装置,配置2个以太网口,电源供电方式为:交直流220V。装置通过与电度表通信,收集电度表采集和生成的计量计费信息。采集器通过调度数据网非实时业务与计量计费主系统通信,地调接入网上传通信端口为1020,上报所采集和生成的的计量计费信息。
项目二次系统及生产厂商、操作系统具体版本号等情况如下:
表1 监控系统或设备列表

表2 网络及防护系统和设备列表

③主机与网络设备加固
该物流园配电工程现场应用的监控服务器系统组态软件Acrel-1000(狗用户锁),以及网络边界处的通信网关机ANet-2E4SM等,使用Windows的加固操作系统,已关闭非必要的网络服务,具体内容如下:
1)确定生产控制大区计算机设备各网卡的IP地址正确配置;
2)关闭非必要的网络服务;
3)禁止网络非法外联;
4)USB口、光驱用封条贴住,禁止USB、光驱移动介质接入;
5)强化口令密码,删除默认多余账户,不同的账户对应不同的权限设置;
6)禁止在计算机上安装与运行监控系统无关的软件。
现场网络设备如交换机、工控机、通信管理装置,对网口实行MAC地址绑定,实现专口专用,对于多余网口进行关闭并用防尘塞封堵端口贴上“端口禁用标志”。
该物流园配电工程项目监控系统分区及边界防护如下图所示:

图5 监控系统分区及边界防护图
配置设备清单
表1 我司提供方案设备列表


现场应用图

图6 35kV开关柜图

图7 10kV开关柜图

图8 35kV变压器图

图9 通信室现场图
4
系统功能
实时监测
Acrel-1000变电站综合自动化系统人机界面友好,能够以配电一次图的形式直观显示配电线路的运行状态,实时监测各回路电压、电流、功率、功率因数等电参数信息,动态监视各配电回路断路器、隔离开关、地刀等合、分闸状态及有关故障、告警等信号。其中,10kV配电系统中监测的开关量主要有:断路器分、合闸信号,手车工作、试验位置信号,远方/就地切换位置信号、弹簧储能状态信号、接地刀合分信号、变压器超温跳闸信号、高温报警信号,保护跳闸信号和事故预告信。

图10 实时监测主界面图
电能质量分析
提供电能质量检测仪所采集数据,如电压值,偏差率,谐波畸变率,电流值,分相功率,总功率等信息。

图11 电参量查询界面图
运行报表
能查询各回路或设备指定时间的运行参数,报表中显示电参量信息应包括:各相电流、三相电压、总功率因数、总有功功率、总无功功率、正向有功电能等。

图12 电参量运行统计报表界面图
网络拓扑图
系统支持实时监视接入系统的各设备的通信状态,能够完整的显示整个系统网络结构;可在线诊断设备通信状态,发生网络异常时能自动在界面上显示故障设备或元件及其故障部位。

图13 站内设备系统网络拓扑图
曲线查询
在曲线查询界面可以直接查看各电参量曲线,包括三相电流、三相电压、有功功率、无功功率、功率因数等曲线。

图14 曲线查询界面图
5
结语
变电站综合自动化系统在变电站的作用越来越显著,对实现电网调度自动化和运维管理现代化,提高电网的和可靠运行水平起到了很大的作用,因此各个地区电网中的变电站要进一步加强综合自动化系统水平,提高运维人员的技能,保证电网稳定运行。