时间:2022-10-31 15:53
人气:
作者:admin
引言
人生人身安全是大家关注的话题,2019年12月中国消防统计近五年发生在全国学生宿舍的火灾2314起(中国消防2019.12.应急管理部消防救援局官方微博),违规电器是引发火灾的主因。如果在各寝室安装智能用电监测器实时监督线路参数,将用电参数以数字或图像显示,学生若使用违规用电器,系统能自动识并切断电源,宿舍管理者电脑上弹出学生使用违规用电器的信息,将是对火灾的有效预防。本文设计了智慧校园安全用电监测系统,通过信息化方式实现校园内各类资源有效集成、整合和优化。系统监测器以树莓派为核心,定时将采集的用电信息上传至云端存储与备份,完成数据分析、能耗管理、过载报警等功能;可远程监控,宿舍管理者用手机通过校园网可访问该系统,掌握学生用电情况做出有效应答。
根据中国消防统计的近五年的2314起全国学生宿舍火灾,使用违规用电器是引发学生宿舍火灾的主要因素,所以,加强学校消防安全工作,对预防和减少校园火灾的发生具有十分重要的意义。现有的限制学生用电的方式是在电路中接入保险丝或者空气开关,当用电超过负荷时断电,此种方法设置简单,但是无法对电气事故进行详细分析。本系统针对以上问题,应用物联网和云平台技术,对学校用电情况进行智能化分析监控,在每间寝室安装智能用电监测器,并将用电参数以直观的数字或图像显示在宿舍管理人员和校园控制中心的电脑界面,当学生使用违规用电器时,系统能自动识别违规负载并切断学生所用电源,同时,宿舍管理人员和校园控制中心的电脑上收到使用违规用负载类型和学生寝室号的消息并做出处理,没收学生使用的违规用电器,这将是对电气火灾的有效预防。
智慧校园安全用电监测系统方案
引起校园电器火灾隐患的原因主要有过负荷火灾、短路火灾和漏电火灾三种方式。本系统应用物联网和云平台技术对学校用电情况进行分析监控,有效地预防火灾的发生。

图1-1智慧校园安全用电监测系统总体架构
图1-1为系统的总体架构,系统在工作时,每个房间的智能用电检测器定时读取宿舍的用电数据。每层楼上安放一个寝室楼层监视器,方便宿舍管理员发现用电问题。学校控制中心则将寝室的用电信息汇总。
寝室智能用电智能监测器将数据上传至宿舍管理员处的寝室楼层监视器,随后,寝室楼层监视器再将数据上传至云端存储并做大数据分析。校园控制中心可以直接访问云端获取用电数据,也可以通过寝室楼层监视器获取用电数据。
智慧校园安全用电监测系统的应用技术
云服务平台
由移动网和互联网构建云服务器平台。将系统采集到的用电数据通过移动网技术上传至云服务器上,进行存储与云计算。云服务平台可以将反映电气状态的实时数据上传至学校用电管理人员的电脑屏幕和手机端,同时,校园控制中心和寝室管理员可以用手机通过校园网查询学生用电信息。掌握学生用电情况,如有安全问题,可以及时作出应急措施。
大数据分析
依据学校正常用电数据,设置报警和违规负载类型参数的标准值,收集用电参数,将收集到的数据通过加工、整理和分析后转化为所需信息,进而分析出学校存在的不合理的用电点。
安全隐患预警
通过大数据分析,可以自动识别电器的安全隐患及负载类型,建立隐患识别系统。系统根据学校各用电设备的阈值进行报警。当学生使用违规用电器时,通过分析可以得出此违规负载的类型及具体的学生寝室房间号,同时,学生寝室会断电,学校后勤人员从而采取相应措施。
智慧校园安全用电监测系统软硬件设计
系统硬件设计
寝室智能用电监测器用来监控寝室用电信息、进行无线通讯和执行命令的操作,其总体设计框图如图3-1所示。包括采集模块、报警模块、继电器模块和控制模块。

图3-1寝室智能用电监测器的总体框图
采集模块:
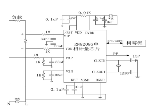
系统采用IM1277单相互感式电能质量检测仪采集电量信息,能够完成电能测量、采集及传输,准确高精度地测量单相交流电压、电流、功率、电流及总电量等电参数。采集模块的电路图如图3-2所示。220V电压经过电压互感器和电流互感器处理,变为较小的电流信号并通过电路传到电能计量芯片,将模拟信号转换为数字信号,然后通过串口送入树莓派控制中心。

图3-2电量采集电路
报警模块:
系统采用消息推送的方式实现报警功能,将主控制器与报警模块相连,当电路中接入违规用电器时,负载总功率会提高,控制系统检测到这一信号后,立刻控制报警模块报警并跳闸,同时,系统会记录下跳闸时间、房间号和负载类型。
继电器模块:
交流继电器模块则通过小电流的交流中间继电器通过传递控制信号实现对大电流继电器的控制。当电路中接入违规负载时,在控制系统的“指挥”下完成继电器-继电器的控制,使电路断路。

图3-3继电器电路图
控制模块:
树莓派作为系统的控制中心,可安装操作系统并可以直接将所写的编程运行,卡片主板周围有USB接口和以太网接口。树莓派控制所采集的内容以及电路的状态,将采集到的用电数据进行处理和保存并上传至云端,当经过数据分析后得出学生使用违规用电器的信息时,树莓派控制电路断开。

图3-4树莓派实物图
数据显示模块与远程控制:
PC机通过C语言程序实现数据节点的绘制、动态显示、查询历史数据和报警记录。同时,在手机端有APP,学校宿舍管理人员可以通过访问APP实现查询与远程控制,当学生使用违规用电器时,宿舍管理人员可以通过手机APP实现寝室断电。
系统软件设计
系统上电后,进行各端口初始化,搜索并加入网络,定时读取寝室用电信息,将用电信息保存并上传,进行数据分析处理;若存在安全隐患或使用违规用电器,则发送报警信号并做出相应的响应;若无安全隐患,则继续读取用电信息并上传至云端。循环此过程。系统程序流程图如图3-5所示。

图3-5系统程序流程图
系统测试
选取不同类型的负载如灯泡、电吹风,分别接入电路中,模拟寝室用电情况,灯泡模拟正常用电器,电吹风模拟违规用电器,每个用电器测试十次。
负载是灯泡时的电流与电压的测试数据,见表4-1;负载是灯泡时电压的测试数据,见表4-2;负载是吹风机时的电流测试数据,见表4-3;负载是吹风机时的电压测试数据,见表4-4。
表4-1负载是灯泡时的电流与电压的测试数据

表4-2负载是灯泡时电压的测试数据

表4-3负载是吹风机时的电流测试据

表4-4负载是吹风机时的电压测试据

当电路中接入电灯泡时,灯泡正常工作,实时显示电压值、电流值以及电功率曲线,在电脑界面无报警信息,可以用手机通过校园网访问系统,查看用电信息。
当电路接入电吹风时,系统检测到此负载为违规用电器,在电脑界面弹出报警框,同时自动断开电源。图4-1为灯泡电功率变化曲线,图4-2为智能用监检测器实物图。

图4-1灯泡电功率变化曲线

图4-2智能用电检测器实物图
安科瑞安全用电云平台功能介绍及选型
安科瑞安全用电云平台介绍
Acrelcloud-6000安全用电云管理系统能够对剩余电流、设备温度、故障电弧等电气故障进行实时监控、报警、记录,并且通过云端的远程控制。设备与云端的通讯方向不受限制,能上传数据、透传指令,并时间显示实时状态。通过对上传至云端的数据进行分析,为用户提供火灾隐患的相关数据,能够及早的发现问题并实施排查,避免火灾的发生。另一方面,云平台提供超大容量的信息储存及稳定的服务,提升了服务质量,对用户的长远发展具有战略意义。此外,该系统通过集中监控,使得数据通过每个节点的4G网络传输至云端集中式管理和监控,主控端布置于城市消防大队,从而能够对采集的信息进行统一的监控和管理。

平台的整体结构图

具体功能如下:
(1)安全用电监管服务系统包含安全用电管理云平台、电脑终端显示系统、手机APP、漏电探测器、漏电互感器、电流互感器等。
(2)安全用电监管服务系统平台能展示剩余电流、温度、电流等电气安全参数的实时监测数据及变化曲线、历史数据与变化曲线、实时报警数据等,能实时显示现场服务次数、排除隐患数、未排除隐患数、报警未处理数、常规巡检及产品维护等数据,监管数据能保存十年以上。
(3)手机APP软件同时具有IOS版本和安卓版本,能通过手机APP对每条报警记录进行呼叫,便于紧急情况下能尽快通知用电单位。
(4)能对各个单位及设备的电气安全运行情况进行自动统计和分析评估,并随时展示电气安全运行分析报告。
(5)监控探测终端产品满足国家法律法规和有关技术标准(GB14287.2《剩余电流式电气火灾监控探测器》和GB14287.3《测温式电气火灾监控探测器》)的要求,并通过国家消防产品质量监测检验中心提供的消防3C认证。
(6)漏电探测器能同时探测剩余电流、四路温度、三相电流等参数值,并能通过无线以移动通讯网络接入安全用电监管系统平台。
产品选型
(1)漏电火灾监控探测器

(2)故障电弧探测器
安科瑞故障电弧产品型号代码为AAFD,共有两种电流等级,可监测回路故障电弧的发生,并及时预警,提醒用户处理,防止电弧导致的火灾的发生。
AAFD可配合AF-GSM400使用并接入安全用电平台,该产品不可在同一台AF-GSM400下与ARCM混接。如图:

(3)限流式保护器
安科瑞限流式保护器型号代码为ASCP200-1,有三种电流等级,可监测回路短路过载等故障信息,发生故障时预警和产生灭弧效果,防止电弧导致的火灾的发生。
ASCP200-1可配合AF-GSM400使用并接入安全用电平台,也能够通过插入SIM卡直接上传到平台。
以下是ASCP200-1的主要功能:
短路保护功能。保护器实时监测用电线路电流,当线路发生短路故障时,能在150微秒内实现快速限流保护,并发出声光报警信号。
过载保护功能。当被保护线路的电流过载且过载持续时间超过动作时间(3…60秒可设)时,保护器启动限流保护,并发出声光报警信号。
表内超温保护功能。当保护器内部器件工作温度过高时,保护器启动超温限流保护,并发出声光报警信号。
过、欠压保护功能。当保护器检测到线路电压过压或欠压时,保护器发出声光报警信号,可预先设置是否启动限流保护。
配电线缆温度监测功能。当被监测线缆温度超过报警设定值时,保护器发出声光报警信号,可预先设置是否启动限流保护。
漏电流监测功能。当被监测的线路漏电超过报警设定值时,保护器发出声光报警信号,可预先设置是否启动限流保护。
保护器具有1路RS485接口,1路2G无线通讯,可以将数据发送到后台监控系统,实现远程监控。
(4)剩余电流互感器

(5)AF-GSM400-2G/4G无线上传模块
AF-GSM400-2G/4G/CE模块是一款2G/4G有线无线模块,该无线模块为安全用电云平台专用模块。
AF-GSM400接入每块仪表所需流量为20M/月,单个模块可以接入30块仪表。默认上传间隔2分钟,如发生报警,会实时上传数据。
(6)温度传感器

温度传感器为一热敏电阻NTC,它提供0-120°的温度监控基准,可以用来监测线缆或配电箱体的温度,提供温度保护。
结束语
本文开发了一种基服务的智慧校园安全用电监测系统,分别从硬件平台和软件设计两个部分进行了介绍,实现了电量的检测和可靠预警。系统选用树莓派作为主控制中心,有很高的精度和可靠性,可实现电器的启停、电路过载报警、电量数据上传等功能,UI设计安排合理,便于用户的学习和操作。当出现安全隐患时,系统发出报警,同时学校后勤管理部门与寝室楼层管理人员会收到报警信息,从而采取相应措施,以智能化的方式解决用电的安全隐患。该系统可应用于学校的安全用电管理,满足学校后勤部门对校园安全的管理需求。