时间:2023-06-12 15:18
人气:
作者:admin
该参考设计提供了一个创建基于PC的温度测量系统的方案,用于评估信号调理器MAX6603。 该设计采用两块评估(EV)板:MAX1396EVKIT和MAX6603EVKIT,并给出了简单易用的软件程序。
MAX6603能够通过两个铂热敏电阻将环境温度转换为电压信号。 MAX1396EVKIT将MAX6603EVKIT输出的模拟电压信号转换成数字信号。 之后,MAX1396EVKIT将数据传输给PC。 软件将接收到的数据转换成温度值显示在屏幕上。
测试装置
MAX6603: MAX6603为双通道、铂电阻、RTD至电压信号调理器,器件为两个内部串联100Ω铂电阻温度元件(Pt RTD)提供激励,并对信号进行放大,最终得到高压、经过滤波的信号,用于温度测量。 该参考设计利用MAX6603EVKIT测量温度。 移除JU4短路器,可以断开安装在评估板上的铂电阻温度元件,以便通过双绞线将外部铂电阻温度元件连接到MAX6603。
MAX1396: MAX1396为312.5ksps、两通道、单端、12位SAR ADC。 在本参考设计中用于转换MAX6603EVKIT的输出电压。 请参考MAX1396EVKIT数据资料提供的安装向导安装评估板。
硬件: 将+6V至+9V电源连接到MAX6603EVKIT的HVIN焊盘,电源负端接GND焊盘。 MAX6603EVKIT的OUT1和GND焊盘需要连接到MAX1396EVKIT的AIN1和GND焊盘。 通过USB电缆将MAX1396EVKIT连接到PC机,图1给出了硬件系统设置。

图1. 硬件系统框图
MAX6603EVKIT包含MAX6603以及所有必要的无源元件,并提供了经过验证的PCB布局。 MAX6603EVKIT原理图如图2所示,表1给出了跳线设置。

图2. MAX6603EVKIT原理图
| Jumper | Position |
| JU1 | 1-2 |
| JU2 | 1-2 |
| JU3 | 1-2 |
| JU4 | 1-2 |
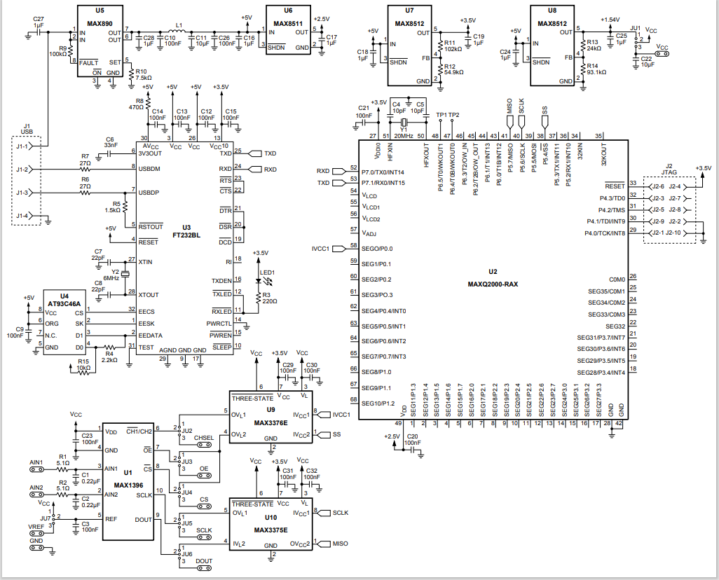
MAX1396EVKIT由MAX1396、MAXQ2000微控制器及所有必要的无源元件组成,并提供了经过验证的PCB布局。 MAX1396EVKIT原理图如图3所示,表2给出了跳线设置。

图3. MAX1396EVKIT原理图
| Jumper | Position |
| JU1 | 1-2 |
| JU2 | 1-2 |
| JU3 | 1-2 |
| JU4 | 1-2 |
| JU5 | 1-2 |
| JU6 | 1-2 |
| JU7 | 1-2 |
Windows®程序概述
该程序(图4)提供简捷的图形用户界面,兼容于Windows 98SE/2000/XP。 能够在屏幕上显示MAX6603EVKIT的输出电压以及相应的铂热敏电阻的温度值。
一旦通过USB电缆将MAX1396EVKIT连接到PC,MAXQ2000将开始等待Windows程序的指令。 启动程序后,弹出类似于图4的窗口。 如果信息框提示“No Virtual COM Port Detected”,则关闭程序,重新连接USB电缆并重启程序。
启动软件后,默认状态下选中Auto Read。 软件将连续地向MAX1396EVKIT发送Read Temp指令,测量MAX6603EVKIT的OUT1电压。 温度读取速度可以通过Time Interval下拉菜单设置。 软件接收到OUT1电压测量值后,相应的温度值将会显示在屏幕的左上角。
为了提高ADC读数精度,可以使用数字万用表测量MAX1396EVKIT上JU7引脚1的基准电压,然后将该值填入MAX1396 EV kit reference voltage编辑框。 通过这个方式,可以使ADC的读数误差小于0.1%。
测量MAX6603EVKIT上JU1引脚1的实际电源电压值,然后将该数值输入MAX6603 supply voltage编辑框。 这一步骤非常重要,因为将MAX6603输出电压转化成温度值的计算公式需要根据电源电压进行计算。

图4. 参考设计软件显示评估板的温度测量值和MAX6603的测量电压
图4. 参考设计软件显示评估板的温度测量值和MAX6603的测量电压
审核编辑:郭婷