时间:2022-10-31 10:29
人气:
作者:admin
本文介绍了如何使用 E5061B-3L5 低频-射频 网络分析仪 (5 Hz 至 3 GHz) 来测量DC-DC 转换器和相关的无源PDN 元器件的频域特征。

图1. 配电网络示例
测量DC-DC 转换器的反馈环路特征
DC-DC 转换器的基本工作原理
首先,我们快速概括一下 DC-DC 转换器的基本工作原理。我们以一个简单的、采用电压控制模式的非隔离单相降压转换器为例。
图2 的原理图和时序图显示了DC-DC 降压转换器的基本工作原理。MOSFET 开关把直流输入电压Vin 变成脉冲电压,开关的通/断状态由反馈环路来控制。这个脉冲电压再通过电路输出级的 LC 滤波器的充电和放电过程变为直流输出电压Vout。
当开关接通时,电流 Ion 经过电感器 L, 将电量传送到输出电容器 Cout 和负载, 此时Vout 上升。
当 Vout 达到某一电压电平时,开关就会断开, 刚才利用电流 Ion 给 L 充入的电量会生成电流 Ioff, 并将电量传送到负载,同时给 Cout 所充的电量也会传送到负载,此时 Vout 就会下降。当 Vout 下降到某一电平时, 开关又会接通, 这样 Vout 就会再次上升。输出电压电平由脉冲占空比决定。
时间Ton 越长,电路的输出电压越高。时间Ton 越短,电路的输出电压越低。当有一个高于某一特定电平的电流持续流经电感L 时,平均输出电压可按照以下公式计算: Vout = Ton/(Ton + Toff) x Vin。重复进行这种通/断操作,同时监视输出电压并调整脉冲占空比,这样无论负载如何变化, 都能得到一个稳定的输出DC 电压。

图2. DC-DC 转换器的基本工作原理

图3. DC-DC 转换器原理图示例
图3 是DC-DC 转换器的详细原理图示例。由R1 和R2 所分担的输出电压被反馈到误差放大器,误差放大器将反馈电压与稳定的参考电压Vref 进行比较,得出与这两个电压之差成比例的输出电压。脉宽调制器 (PWM) 提供占空比由误差放大器的输出电压决定的脉冲,此脉冲可以接通或断开MOSFET 开关。
当反馈电压低于 Vref 时,反馈系统会延长周期Ton 以提高输出电压。当反馈电压高于Vref 时,反馈系统会缩短周期Ton 以降低输出电压。这样就能获得一个稳定的DC 输出电压。
C1、C2、C3、R3、R4 以及R1 和R2 等元器件均可以调节误差放大器的增益和相位时延,从而提高反馈环路的稳定度 (反馈补偿)。
测量DC-DC 转换器的反馈环路特征
本节将介绍如何使用 E5061B-3L5 LF-RF 网络分析仪来测量反馈环路特征。在开始介绍测量方法之前,我们先快速浏览一下反馈环路控制的基础知识。
环路增益
如图 4 所示,DC-DC 转换器可看作是一个负反馈控制系统,输入信号为Vref,输出信号为 Vout。| G | 称为开环增益,| Vout/ Vref | = | G/(1 + GH)| 称为闭环增益,| GH | 称为环路增益。在此应注意,循环传递函数为GH x (-1) = -GH,因为它包括误差放大器的倒数。传递函数G 与误差放大器至输出 LC 滤波器的总传递函数相对应,而传递函数H 与包括R1 和R2 的电阻分压器电路相对应。电阻器 R1 和 R2 还和 R3、C1、C2、C3 及R4 一起决定误差放大器的增益和相位时延。
这个负反馈环路控制系统能够调节可变的输出电压Vout,使之接近于Vref/H。环路增益 | GH | 越大,电压调节能力越强。随着电压发生变化的频率的增加,环路增益将会降低;当环路增益小于 1 时,调节不再起作用。
环路增益 | GH | 等于 1 (即 0 dB) 的频率称为交叉频率,这个频率就是环路的带宽(图 5)。交叉频率越高,反馈环路就能够对更快频率发生变化的电压进行调节,对负载变化的响应速度也越快。

图4. 负反馈环路控制系统
相位裕量和增益裕量
当反馈控制环路工作在高频时通常会产生相位延时的现象。现在,让我们看一下循环传递函数 –GH 的相位延时。在接近直流的低频范围内,误差放大器只会发生 180° 的相位延时。频率上升得越高, 误差放大器的相位延时就变得越大,同时在环路的其他位置会发生额外的延时。如图 6 所示,在输出 LC 滤波器的谐振频率fc = 1/(2 * * √ (L*C)) 周围会发生大的相位时延。尤其是在普遍使用 ESR 值比较低的电容器来降低输出电压的纹波的应用中,由于 ESR 极低,所以 LC 滤波器的相位响应会接近于理想的 LC 滤波器的相位响应,因此谐振频率附近的相位延时会变得非常大,接近180°。如果反馈环路的总相位时延接近360°,那么反馈环路会呈现正向反馈,而不是负向反馈。而且,如果环路增益| GH | 仍大于 1,不稳定的控制环路会因为环路电路中所用的元器件的变化以及其他条件(例如温度)的变化而造成振荡现象。
为了避免此类问题,需要进行反馈补偿来使环路稳定,在添加反馈补偿元器件 (例如图 4 中的 R3、R4、C1、C2 和 C3) 来调整误差放大器在 LC 滤波器谐振频率附近的增益和相位。如图 5 所示,在环路增益 |GH| = 1 的交叉频率处,-GH 的相位角和 -360° 之差 (也就是,GH 的相位角和-180° 之差) 被称为相位裕量。相位裕量是一个表示环路稳定度的重要参数。相位裕量越大,反馈环路越稳定。
在现实应用中,反馈环路必须要有足够大的相位裕量才能确保在任何负载条件下系统都能稳定地工作。
但是,如果因为过度进行反馈补偿而使交叉频率变低的话,那么反馈系统对负载变化的响应速度也会降低。因此,在设计反馈补偿电路时就必须要使系统的稳定度和响应速度达到最优化的平衡状态,使之达到目标应用的要求。为了优化这些参数, 使用低频网络分析仪来验证反馈环路的真实特征是非常重要的。
与相位裕量的定义方法相类似,在相位角等于0°的频率上,-GH 的增益和0 dB 之间的差值称为增益裕量,增益裕量也是衡量环路稳定度的一个重要参数。

图5. GH 的增益相位特征

图6. 输出级LC 滤波器的增益相位特征

图7. 误差放大器和反馈补偿电路的增益相位特征
使用网络分析仪测量环路增益的方法
低频网络分析仪可以通过额外的注入电路向反馈环路注入源信号,以便测量处于工作状态的反馈环路。分析仪测量注入电路 (带有含高阻抗输入的接收机端口 R 和T) 两端的交流电压的比值。在施加激励信号时要把信号注入到输入阻抗 (Zin) 很高、输出阻抗(Zout) 很低的地方。
具体谈到 DC-DC 变换器的测试情况,通常都是使用由变压器和电阻组成的浮置激励施加电路,把测试信号加在反馈电路路径上的分压电路之前,如图 8 所示。通过把激励信号加在满足Zin >> Zout 的点上, 并让电阻R 满足Zin >> R >> Zout 的条件, 我们就可以通过T/R 比值的测量结果得到循环传递函数 –GH 的特性,这样的测量方法不会干扰反馈环路原本的特征。
注入的信号电平不能太高,以避免反馈环路进入非线性区域。应使用高输入阻抗的探头来完成探测,这样不会影响反馈环路的工作。
在测量频率范围方面,通常从 10 Hz 或 100 Hz 的低频率处开始测量。但一般说来, 对测量 DC-DC 转换器的环路特征最重要的频率范围主要是在几 kHz 到几百kHz 之间。LC 滤波器的谐振频率和环路的交叉频率都在这个范围内。因此,低频范围内的测量没必要如此严格。
注意这里讨论的测量方法是基于只适用于线性电压模式控制下的环路。它不适用于电流模式控制下的环路和非线性控制环路。

图8. 负反馈控制系统的环路增益测量方法
环路增益测量配置示例
图9 显示的配置示例使用E5061B-3L5 LF- RF 网络分析仪的增益相位测试端口来测量环路增益。增益相位测试端口可提供5 Hz 至30 MHz 频率范围、1 MΩ/50 Ω 阻抗的可通断直接接收机输入。
使用变压器T1 和电阻器R5 组成浮置信号施加电路。R5 的阻值应远远小于 Zin (通常为几 kΩ 或几十 kΩ)。另外,如果 R5 的电阻值太小,注入的测试信号就会出现过度衰减。一般广泛使用的是 20 Ω 到 100 Ω,但是低电阻例如 5 Ω 可以提高变压器的带宽,这取决于使用的变压器。
测量时,要把接收机的端口 R 和 T 设置为 1 MΩ 输入模式 (输入阻抗 Zin=1 MΩ// 30 pF)。使用同轴测试电缆把 R 和 T 端口与被测器件相连。对于这个环路增益测量配置,推荐使用同轴测试引线而不是10:1 无源探头,因为在这个配置中,信号源端口和接收机端口都对被测件的接地浮置,10:1 无源探头会导致与杂散耦合有关的测量误差。(注: 端口R 和T 对其机箱接地半浮置,浮置阻抗为大约 30 Ω,详细配置将在图 22 中介绍)。在这种情况下, 如果同轴测试电缆的探测电容相对大一些就不是问题,因为这种测量要求的频率范围通常不超过 1 MHz,即便使用同轴测试
电缆,我们也能获得足够高的探头输入阻抗。如果您在这个包括浮置信号源注入的测量配置中使用10:1 无源探头,建议按照图 9 中虚线部分显示的配置,使用短引线将 LF OUT 端口 (分析仪的机箱接地) 的外部屏蔽连接到被测件的接地。
在测量中通常使用直流电子负载或大功率的电阻器作为转换器的负载。
在对测量系统进行校准时,需要把两个测试电缆的探头点在TP1 测试点上做直通响应校准,这样可以把两个测试电缆之间幅度和相位的差异去掉。

图9. 测量环路增益的配置示例
反馈环路特征的测量示例
图 10 是用图 9 所示的测量配置,在 2 A 负载条件下,测量一个 5 V 至 3.3 V 降压转换器的环路增益的例子。测量的频率范围从 100 Hz 至 1 MHz,源电平为-20 dBm。在测量中把IFBW 设为 AUTO 模式 (100 Hz 极限值), 该模式可在低频范围内自动选择窄 IFBW, 在高频范围内自动选择宽IFBW。在图 10 的测量结果中,上面的轨迹是环路增益的测量结果,下面的轨迹是相位响应特性的测量结果。可以看到在截止频率附近,响应特性曲线上有小的尖峰,这是由 DC-DC 转换器自身的开关噪声造成的。
在这个测量中,我们在交叉频率 (大约为30 kHz) 上放一个游标,仪表测出被测器件的循环传递函数–GH,在交叉频率处的相位测量结果 (大约 80°)就是相位裕量。在这里测量结果显示出转换器的相位裕量足够大,而且还有一定的空间对反馈补偿电路进行调整,把交叉频率进一步提高, 从而加快电路对负载变化的响应速度。
激励注入信号的功率
现在,我们假设在电阻器 R5 上注入一个恒定的浮置 AC 电压,无论测试频率范围如何变化,R5 一直位于注入变压器的次级一侧。根据每个频点上的环路增益,这个浮地交流激励信号以被测器件的接地为基准在仪表测量接收机的R 端口和T 端口上被分成了两个交流电压。在测量频率比较低环路增益比较高时,R 端口上的交流电压会比较小,T 端口上的交流电压会比较大。随着测量频率的提高,R 端口上的交流电压会升高,T 端口上的交流电压会降低。当测量频率达到交叉频率时,环路增益为 0 dB,R 端口和T 端口上的交流电压大小是一样的。
至于激励信号的功率高低的选择,一般情况下需要在测量频率比较低时要把注入的交流激励信号的功率设得高一些,这样可以解决R 端口上出现的交流电压比较小, 容易使测量的信噪比恶化的问题。
不过,这样做的缺点是使反馈环路在测量频率处在交叉频率附件的中间范围时的工作点转向非线性区域。因此,应将注入激励信号的功率要适当地设置成不太大也不太小才好。
为了找到适当的激励信号功率,首先先把仪表激励源的功率设在一个足够低的值 (例如 -20 或 -30 dBm),然后再执行测量。随后在逐渐提高激励源功率的同时, 重复进行测量。当测量结果的波形在某个激励源功率上开始出现异常 (例如开始出现不连续的波形) 时,再把激励源的功率设置在略低于这个引起异常的激励源功率的水平上。另外,如果有必要,还可以在做比值T/R 测量的同时,用仪表的T 端口测量绝对功率来监测信号源的功率,要确保在您所选择的测量激励信号功率的所有范围内,接收机T 端口测到信号功率的大小都是呈线性变化的。或者也可以使用示波器来监测反馈环路上信号的波形,以确保信号波形没有失真为准。

图10. DC-DC 转换器的环路增益测量示例
在分段扫描测量时设置可变的注入激励
有些 DC-DC 转换器的测量可能需要非常小的注入激励信号,小到-30 dBm 甚至是更小。在这种情况下,测量轨迹在低频段会显现出很大的噪声。虽然对于评估环路的稳定性来说这不会是很严重的问题,因为我们只是在交叉频率的附近的中间部分通过观察测量结果的轨迹来评估环路的稳定性。但是,如果您想在测量的低频频段提高测量的信噪比,同时又不希望在测量频率的中间部分施加过大的激励信号的话,那您可能就需要采用分段扫描的测试方法— 生成一个对数频率扫描列表,随着分段扫描频率由低向高增加,把激励源的功率逐渐由高向低进行改变。图 11 所显示的就是按照以下的频率范围和激励源功率的设置列表,用分段扫描的方法测量环路增益的结果。
100 Hz 至500 Hz,激励源功率为-10 dBm
500 Hz 至1 kHz,激励源功率为-15 dBm
1 kHz 至3 kHz,激励源功率为-20 dBm
3 kHz 至5 kHz,激励源功率为-25 dBm
5 kHz 至10 kHz,激励源功率为-30 dBm
10 kHz 至1 MHz,激励源功率为-35 dBm
这个测量所用的扫描列表,如果每一个扫描段包括 1 个测量点,这个列表可以包括 201 个分段,每一个扫描段上的中频带宽都大约是该扫描段频率的 1/ 5。您可以用电脑来设计分段扫描的列表,
写成 CSV 文件格式,然后把文件导入仪表;或者您也可以用仪表内置的 VBA 编程工具生成分段扫描列表。需要注意的是,在图 11 所显示的图形中,我们通过调整仪表屏幕显示的色彩把显示屏上的刻度网格都删除掉了,这是因为即便是在用对数扫描方式进行分段扫描测量的时候,显示屏幕上X 轴的刻度在空间上单独分割依然是等距离的,这会对实际上是以对数刻度得到的测量轨迹带来误解。修改仪表屏幕显示色彩的方法是: 按仪表面板上的 [System] 按键,然后顺序进行以下操作(Misc Setup),(Display Setup), (Color setup)。

图11. 在分段扫描测量时设置可变的注入激励
如何选择激励施加电路的变压器
在选择激励施加电路的变压器时,应该选择在整个测试频率范围内传输响应保持平坦的变压器。变压器的阻抗不能比仪表激励源 50 Ω 的输出阻抗小太多,即它的自感L 要足够大。此外,变压器必须能够在高频范围内正常工作,而不会产生自谐振。在图 10 所示的测量示例中,使用 1:1 脉冲变压器把激励源的测量信号注入给被测器件,变压器的自感为3.4 mH 系数,并与50 Ω 电阻R5 一起构成激励施加电路。
图 12 是用 E5061B-3L5 的S 参数测试端口测量得到的该脉冲变压器在 50 Ω 系统阻抗条件下的传输响应特性S21。测量频率范围是从 10 Hz 至 10 MHz。如游标读数所示,变压器在 1 MHz 及以上的高频范围内具有平坦的频率响应特性。但另一方面, 在 100 Hz 左右的低频范围内,由于变压器的阻抗| Z | = | j * 2 * pi * f * L | 低于仪表激励源 50 Ω 的输出阻抗,因此会出现 20 dB 的损耗,并且施加到变压器初级一侧的交流电压变得非常小。这对测量的信噪比造成了进一步不利的影响。因为低频测量范围内,这个 20 dB 的衰减会加在因为大的环路增益导致的原本就很小的 AC 电平上。

图12. 脉冲变压器 (PN 5188-4425) 的传输特征

图 13. 在测量环路增益的配置中测量到的交流电压的绝对值(激励源的功率固定在-20 dBm)
图 13 显示了接收机R 端口和T 端口测量到的交流电压的绝对值,测量所用的配置与图10 中的环路增益的配置相同激励源的功率固定在= -20 dBm 上。需要注意的是, 虽然R 端口和T 端口的输入阻抗是高阻抗而不是 50 Ω,测量得到的交流电压Vac 仍然被表示为20 * Log (Vac^2/50)。
您可以看到,由于这两个因素的影响, 在100 Hz 附近测量得到的电平是很低的。如果您使用 10:1 无源探头替代同轴测试电缆进行测量,无源探头 20 dB 的衰减会使 R 端口上测得的 AC 电压进一步降低, 在 100 Hz 附近测量时,信噪比 SNR 将进一步恶化。不过,由于对反馈环路的测量结果有重要意义的频率通常都在交叉频率附近,所以这种低频测量频率上出现的测量轨迹的波动应该不会造成太大的影响。
当激励源的功率为固定值时,特别是如果被测器件需要一个很低的注入激励, 为了进一步改善在低频测量范围内环路增益测量的信噪比, 需要使用在低频范围内频率响应特性仍然很平坦的变压器。重点推荐 Picotest 公司生产的J2100 A 激励施加电路变压器, 很适用于这种应用(1 Hz 至 5 MHz 时,R5=5 Ω;10 Hz 至 5 MHz 时,R5=50 Ω;BNC (阴头) 至香蕉插座,http://www.picotest.com) 注意, 当端接 R 5 = 5 Ω 时, 带通的插入损耗大约在 15 dB。或者 North Hills 公司的0017C 50 Ω 视频隔离变压器就很适用于这种应用,其工作频率从10 Hz至 5 MHz, 两端都是BNC (阴头) 接口,两端的阻抗也都是50 Ω,www.northhills-sp.com。
测量DC-DC 转换器和无源PDN 元器件的阻抗
测量DC-DC 转换器的输出阻抗
对于给新型的在低电压大电流条件下工作的LSI 供电的PDN 来说,对它极小的阻抗进行测量已经变得非常重要。在此,如果我们假设 Zpdn 是从负载器件一端看到的Vdd 和接地层之间的阻抗,Delta-I 就是由负载器件的工作所引起的电流变化,在电源层面上会产生电压降Delta-V = Delta-i x Zpdn。更严格地讲,电压降应该是:
Delta-V = IFFT (FFT (delta-I) x Zpdn). [1]
对于 MPU 之类的高性能 LSI 的应用情况,Delta-I 可能是几安培或几十安培, 这时电压降 Delta-V 就不是微不足道的问题了。因为它会致信号完整性和电磁干扰 (EMI) 问题。为了避免这些问题的出现,在从 DC 到 GHz 的广阔的频率范围内,必须将电源层的阻抗 Zpdn 抑制在一个极小的值上。在低频范围内尤其经常要求PDN 要有极小的只有毫欧级的阻抗。
DC- DC 转换器可在低频范围内提供这个极小的阻抗。无论负载如何变化, 通过反馈环路控制来调整转换器的输出电压, 就可以得到一个极小的输出阻抗。输出阻抗和环路增益之间的关系为: Zclosed = Zopen/(1+GH),其中, Zopen 为开环输出阻抗,Zclosed 为闭环输出阻抗,GH 为环路增益。在环路增益较高的低频范围内,闭环输出阻抗将会非常小。
为了测量 DC-DC 转换器的输出阻抗,我们可以使用低频网络分析仪,直接在DC- DC 转换器的输出端子上用探头进行测量得到闭环输出阻抗 Zclosed。本节讨论如何使用配有软件 005 阻抗分析功能的 E5061B-3L5 LF-RF 网络分析仪来测量DC-DC 转换器的输出阻抗。

图14. PDN 中DC-DC 转换器输出阻抗
电流-电压检测方法
这种方法以前用于测量 DC-DC 转换器和开关式电源的输出阻抗。图15 是这种方法的简化示意图。用变压器把网络分析仪激励信号源的地浮置起来,就可以用网络分析仪的高阻抗接收机端口测量已经接地的被测器件上的交流电压和电流。端口T 测量被测件两端的交流电压Vdut,端口R 测量 1 Ω 电阻器上的交流电压,流过被测件的交流电流是 Idut。把两个电压测量结果进行比值计算,得到的 T/R 结果直接就是被测器件的阻抗,这是因为T/R=VT/ VR=Vdut/(1 x Idut)。在本图中,被测器件指DC-DC 转换器和与其相连的负载。
与测量环路增益的情况类似,我们通常使用电子负载或大功率电阻器作为被测器件的负载。实际上,网络分析仪测量的是 DC-DC 转换器的阻抗和负载电阻并联在一起的阻抗,由于 DC-DC 转换器的输出阻抗要比负载阻抗小的多,所以测量 结果主要反应的是被测器件的阻抗。隔直 流电容可以防止被测器件的直流输出信号进入变压器和 1 Ω 电阻器,其阻抗| Z |=| 1/ (j * 2 * pi * f * C)| 应足够小,以便在低频测量范围内获得良好的信噪比。
这种测量方法非常适用于测试输出电压相对较高的 DC-DC 转换器,因为仪表的激励信号源与被测器件的直流输出电压之间有很好的隔离,而且两个测量接收机都是很可靠地通过高阻抗进行连接。此外,由于激励信号源被变压器浮置了起来 (将在下文中描述),在测量结果中也不会存在由测量电缆的接地环路引起的误差。但是, 由 1 Ω 电阻器附近连线的残留阻抗引起的测量误差很难完全消除,因此这个方法不适用于精确测量毫欧级的非常小的阻抗。

图15. 电流-电压检测法
电流-电压检测法的配置示例
图 16 是采用了电流电压检测方法使用E5061B-3L5 增益相位测试端口的配置示例。对于变压器T1,您可以使用与环路增益测量中使用的同一个脉冲转换器。不过在这种测量中我们不推荐使用现成的专门设计用于 50 Ω 或 75 Ω 系统中的隔离变压器,例如North Hills 的 0017C 型变压器, 因为在这种配置结构中这种变压器死活很容易产生一些不需要的残留反应。
使用一个隔直流电容可以防止直流电流流入变压器的绕线组和 1 Ω 的电阻中。用一个大的电解电容足以在低频测量频段把激励信号注入给被测器件。
检测电流用的 1 Ω 电阻器要尽量精确。通过测量这个电阻自身的阻抗,您可以使用简单的运算对测量结果进行补偿。例如, 如果电阻器的阻抗是 0.98 Ω,您可以将测得的阻抗 Zmeas 乘以 0.98 来得出被测件的阻抗Zdut,因为Zmeas = VT/VR = Vdut/ (Idut x 0.98) = Zdut/0.98。如果使用引线电阻器,则应当尽可能地缩短引线长度,并将其直接焊到被测器件输出终端,这样可以最大程度地降低电阻器与被测器件之间引线残留阻抗和接触阻抗导致的测量误差。如果要在上测量很小的交流电压时有良好的信噪比的测量小,就应该把T 端口内的衰减值设为 0 dB,把激励信号源输出功率设置为最大电平,即 10 dBm。为了校准测量系统,可以把上的测试电缆与R 端口的测量电缆练到相同的点上进行直通响应校准。执行直通响应校准时,应将激励信号源的功率降到 -5 dBm 以下, 以防止测量接收机的T 端口过载。

图16. 电流-电压检测方法的配置示例
并联-直通测量法
能够对毫欧量级的微小阻抗进行精确测量的方法是并联-直通法,并联-直通方法在50 Ω 以下直到非常小的阻抗范围的阻抗都具有非常高的灵敏度,是测量 PDN 阻抗的常用方法。图 17 是测量方法的简化示意图。将被测器件并联在激励信号线和接地线之间,然后测量传输系数S21。然后从S21 推导出被测器件的阻抗,S21 表示由非常小的并联阻抗导致的很大的衰减。被测器件的阻抗Zdut 和S21 之间的关系为: Zdut = 25 x S21/(1-S21)。
测试电缆接地环路导致的测量误差[1] [2] [3]
在低频测量范围内,使用传统上接地接收机的低频网络分析仪很难测量出毫欧级并联阻抗,因为激励信号源和接收机之间的测试电缆接地环路会导致测量误差。
现在假设被测器件的阻抗 Zdut 接近于0 Ω,在图 18 的方框图中,电压 Vo 几乎为 0,仪表测量接收机测得的电压VT 也应接近为 0。但是,如虚线所示,由于激励源电流会流入 VT 接收机一侧测量电缆的金属外屏蔽层,这个电流在电缆屏蔽电阻器RC2 上产生的电压下降是VC2,这样实际测得的电压 VT 应等于 VC2,这比我们真正要测量的电压 Vo 高,这是不正确的测量结果。因此,即便当被测器件的阻抗Zdut 是 0 的时候,测量的动态范围也会下降,实际测量的阻抗也不会比RC2 小。根据电缆屏蔽层与连接头挤锻质量的好坏、电缆屏蔽的厚度、电缆的长度等情况,的范围通常在10 毫欧到几十毫欧之间。
通常,测量电缆接地环路误差的问题会在 100 kHz 以下的低频测量范围内出现, 而这个范围正是测量 DC-DC 转换器阻抗以及部分大容量旁路电容阻抗的重要频率范围。同样的问题不会出现在较高频率范围内,原因在于流至 VT 接收机一侧测量电缆屏蔽层的电流会受到屏蔽层自身电抗(X=2 * pi * f * L) 的抑制,测量频率越高该电抗的值也会越高。

图17. 并联-直通测量方法

图18. 测试电缆接地环路导致的测量误差
传统解决方案-1
有几种使用外部器件可以最大程度地减少测量误差的技术。其中最为传统的方法是把激励源一侧或测量接收机一侧,或两侧的同轴测量电缆绕在电感量很大的磁环上,图 19 和 20 表示出了这种方法的等效电路。磁环的阻抗只会抑制流过测量电缆中心导体或流过测量电缆外屏蔽层的交流电流,而不会抑制流过测量电缆的中心导体后再通过测量电缆的外屏蔽层返回的交流电流。当磁环用到 VT 接收机一侧的电缆上时,如图 19 所示,因为流过测量电缆屏蔽层电阻 RC2 的电流会受到自感| Z |=2 * pi * f * L2 的抑制,因而更多的电流会通过激励源一侧的测量电缆的屏蔽层路径返回到激励源一侧。同样,当把磁环用到激励源一侧的电缆上时,如图 20 所示,更多电流也还会返回到激励源一侧的测量电缆的屏蔽层路径上,这是因为更多电流返回到激励源屏蔽层的路径上而不是 VT 接收机一侧电缆的屏蔽层路径会使由RC1、RC2 和L1' (正向电流和反向电流产生的磁场所导致的电感) 组成的总阻抗会变得更小。
为了在很低的测量频率范围上把流至 VT 接收机端测量电缆屏蔽层的电流完全限制掉,需要在同轴测量电缆上多穿几个高磁导率的磁环,或把同轴测量电缆在高磁导率的大磁环上多绕几周,这样可以尽可能提高电缆屏蔽层的阻抗。然而,在实际应用中很难找到非常合适的磁环来彻底消除极低频范围内的测量误差。

图19. 在接收机一侧的测量电缆上使用磁环的解决方案

图20. 在激励源一次的测量电缆上使用磁环的解决方案
传统解决方案-2
另一种减小测量电缆环路误差的方法是把激励源或测量接收机的接地环路浮置起来,把激励源和测量接收机的接地环路断开。通过使用隔离变压器或差分探头即可达到这个目的。图 21 是在激励源一侧连接了隔离变压器的方框图。为了防止直流电流流入变压器,在被测器件和隔离变压器之间必须连接一个隔直流电容。您可以使用现成的宽带 50 Ω 宽带隔离变压器, 例如 North Hills 公司生产的 0017C 隔离变压器。这个隔离变压器还可以用在环路增益的测量中,给被测器件注入测量激励信号。
在断开激励源与测量接收机之间的测试电缆接地环路方面,使用隔离变压器比使用磁环更有效。但是,使用隔离变压器的潜在副作用是在高频测量范围内可能会产生一个较小的剩余响应,这个响应有多大取决于变压器的特性。如果被测器件的环路带宽很宽并且在高频范围内显示出非常小的阻抗时,这个由隔离变压器引起的剩余响应的影响将无法被忽视。

图21. 使用隔离变压器的解决方案
E5061B-3L5 采用的解决方案
E5061B-3L5 的增益相位测试端口 (测量频率范围从 5 Hz 至 30 MHz) 具有独特的硬件体系结构,能够消除激励源至测量接收机测试电缆接地环路引起的测量误差。图 22 给出了使用 E5061B-3L5 增益相位测试端口执行这种应用时的简化方框图。测量接收机由阻抗 | Zg | 半浮置, 该阻抗在 100 kHz 以下的低频范围内大约是 30 Ω。与使用磁环的方法类似,我们可以直观地看到阻抗| Zg | 阻止了屏蔽电流。或者如图所示,假设被测器件接地端的电压摆动是Va,由于 RC2 要比接收机输入阻抗 50 Ω 小得多,因此可通过以下公式近似得出 VT 的值[4]:
VT = VC2 + Vo
= Va x RC2/(RC2 + Zg) + Vo
由于Rc << | Zg |,因此上述公式中的第一项可以被忽略,VT 几乎等于我们真正需要测量的Vo。通过最大程度地降低RC2 的影响,我们能够正确测量出被测器件的阻抗。无需使用外部磁环或隔离变压器, E5061B-3L5 的增益相位测试端口支持您轻松测量出 DC-DC 转换器的毫欧量级的输出阻抗。
另一方面,与其他现有低频网络分析仪一样,E5061B-3L5 的S 参数测试端口(测量频率从5 Hz 至3 GHz) 的测量接收机都是采用网络分析仪标准的接地结构。如果您想使用S 参数测试端口测量毫欧级DC-DC 转换器的输出阻抗 ( 例如, 在从低频到超过 30 MHz 的一次扫描范围内测量PDN 阻抗时),必须将磁环连接至测试电缆。

图22. 使用E5061B-3L5 增益相位测试端口的解决方案
对短路器件进行测量的实验
下面通过一个简单的测量来看看由激励源至测量接收机的测试电缆接地环路导致的测量误差以及E5061B 网络分析仪 增益相位测试端口的有效性。如图 23 所示,在这个测量中,被测器件是一个并联短路 (shunt- short) 器件,它实际上是一根以并联连接的方式焊接到 SMA 接头上的短线。这个短路器件通过 60 厘米长的 BNC 电缆和 SMA-BNC 适配器与仪表相连。图24 和 25 分别是用 4395A 以及 E5061B-3L5 的 S 参数测试端口,在不使用磁环或隔离变压器情况下获得的S21 (衰减值) 测量结果。如图所示,这两个仪表在低频范围内的衰减测量轨迹都高于被测件的真实值,这是不正确的。这些测量误差是由图 18 中所示的激励源和接收机间测试电缆的接地环路引起的。

图23. 被测试的器件

图24. 使用4395A 测得的S21 测量结果(不使用磁环或隔离变压器)

图 25. 使用E5061B-3L5 S 参数测试端口测得的S21 测量结果(不使用磁环或隔离变压器)

图26. 使用E5061B-3L5 S 参数测试端口测得的S21 和| Z | 测量结果不使用磁环
a. 不使用磁环
b. 在测试电缆上使用夹持型磁环。
c. 在测试电缆上使用大磁环。
d. 测试电缆在大磁环上缠绕3 圈。
图26 是在使用磁环的情况下使用E5061B- 3L5 S 参数测试端口对同一个被测器件进行测量得到的结果。所有测量迹线都存储在存储器迹线中。通道 1 测量的是S21 的轨迹,通道 2 测量的是| Z | 的轨迹,(如图所示,| Z | 的轨迹是用E5061B 的并联直通阻抗变换函数计算之后绘制出来的)。
迹线 ( a) 是不使用磁环的测量结果。迹线 (b) 是在激励源一侧的同轴测试电缆上使用了夹持型磁环 ( 常用于抑制接口电缆的噪声) 的测量结果。可以看到, 迹线 (b) 的测量结果略有改进,但在低频测量范围内测量毫欧阻抗时,这种改进量是不够完全的,原因是这种类型的小磁环生成的阻抗实在太小。迹线 (c) 是在激励源一侧的同轴测试电缆上使用了高磁导率(Metglas Finemet F7555G,79 mm, http://www.metglas.com) 大磁环的测量结果。在低频范围的测量结果有明显的改进。迹线 (d) 是把测试电缆在同一侧磁环上缠绕 3 圈(以大幅增加磁环生成的阻抗) 后获得的测量结果。现在,我们可以在大约100 Hz 以下的频率范围内获得正确的测量结果。
另一方面,图 27 给出了使用E5061B-3L5 增益相位测试端口 (不使用磁环或隔离变压器) 获得的测量结果。如图所示,即使不使用磁环或变压器,E5061B-3L5 的增益相位测量端口也可以在低频范围内获得正确的测量结果。

图27. 使用E5061B-3L5 增益相位测试端口测得的S21 和| Z | 测量结果
不使用磁环或隔离变压器
激励源功率= 10 dBm (直通校准时为-5 dBm)
T 端口: ATT = 0 dB, Zin = 50 Ω, R 端口: ATT = 20 dB, Zin = 50 Ω
并联-直通方法的配置示例
图 28 是采用并联-直通方法进行测量的配置示例。测量接收机的端口的输入阻抗设置为 50 Ω。用图 28 所示的配置方式,不用外接隔直流电容器就可以测量输出电压在 5 Vdc 以下的DC-DC 转换器的参数。注意,在这种情况下,分析仪的 50 Ω 端口和功率分离器将会与被测器件产生直流耦合,并与负载器件并联。不过,如果负载电流不是很大的话,会影响到被测器件的负载条件。端口T 衰减值设置为 0 dB,激励源功率设置到最大值,测量灵敏度可以提高。当被测器件的阻抗远远低于激励源的输出阻抗,过量的信号也不会作用到被测器件。如果端口T 衰减值设置为 0 dB, 当执行直通响应校准以防止其过载时,激励源功率会降低。
在仪表的增益相位测试端口的输入阻抗设置为 50 Ω 时,如果施加到该端口上的直流信号的电压比较高,超过了 5 Vdc, 仪表的过载保护功能会启动,E5061B 的测量端口的功能将关闭。通过外接的隔直流电容器,您可以测量输出电压高达10 Vdc 的转换器。然而,被测器件输出电压作用于隔直流电容器应该可以逐渐避免过量的瞬时输出。如果这样做很困难,那么就有必要从其他方面来避免瞬时输出。例如,当施加电压时,暂时将接收机设置为 1 MΩ,并用大功率电阻器(例如 100 Ω 或 1 kΩ) 将电容器的低压端子(分析仪一端) 接地, 以使瞬态电流流入大地。当此端子的电压变得足够低时 (取决于 RC 时间常数,这一过程可能需要几秒钟),将接收机设置为 50 Ω,然后断开电阻器的连接并执行测量。测量结束后,应将接收机重新设置为 1 MΩ,同时用电阻器将电容器的低压端子和高压端子接地, 以便给直流模块放电。
如果您采用并联-直通方法,且使用1 MΩ输入而不是 50 Ω (如图 36 所示),那么可以忽略T 端口上的直流模块。
测量高压转换器的其他方法还包括电流- 电压检测方法,或使用 Picotest J2111A 电流注入器的类似方法 (www.picotest. com)。这些方法虽然在测量精度上稍逊于并联-直通方法,但对于高压转换器 (最高达40 Vdc) 来说更适合。

图28. 并联-直通测量方法配置示例
并联-直通方法配置示例(续)
为了精确地对毫欧级的极小电阻进行测量,确保在测量的过程中探头的接触电阻非常小,测量终端应通过 2 端口探头[1] [2] 接触被测件。实际上我们建议您将测量终端焊接到被测器件上。如果将两个测量终端合在一起,并通过单端探测方式来接触被测器件,这时要保证测量端口的引线应尽可能短,因为其残余阻抗将直接影响毫欧阻抗的测量精度。
图29 是使用2 端口探测法的示例。图中, 两个自制探头连接到测试电缆的末端,探头与被测件的输出终端接触。自制探头可以使用 SMA 接头(剪掉其三个接地引脚, 然后使用剩下的接地引脚和中央引脚进行探测) 或 SMA 半刚性电缆(把电缆剪短,剥出中间导体,然后在外部导体上焊一个短引脚) 来制作探头。
当做直通响应校准的时候,要使直通件的电长度与两个探头的电长度大致相等。

图29. 并联-直通方法的探测示例
DC-DC 转换器输出阻抗的测量示例
图30 和31 是用并联-直通方法和E5061B 增益相位测试端口测量 5 V 至 3.3 V DC- DC 转换器的输出阻抗的测量示例。被测器件是上一章讲环路增益测量示例中使用的同一个转换器, 测量频率范围为 10 Hz 至 10 MHz。IFBW 设置为 Auto / 最大 10 Hz,端口 T 衰减器设置为 0 dB。在测量过程中, 激励源的功率设置为10 dBm;在做直通响应校准时,激励源的功率设置为-5 dBm。
注意: 在给转换器加电或断电的时候,我们建议把 T 端口的衰减器的衰减值临时从 0 dB 改为 20 dB,这样可以避免转换器的瞬间输出电压个测量接收机造成过载。如果仪表由于遇到了瞬间的高电压而进入了过载保护模式,进行恢复的方法是: 按仪表面板上的[System] 按键,选择"Overload Recovery" 和"Clear Overload Protection" 按键。
| Z | 迹线是使用E5061B-005 的阻抗分析功能(增益相位并联-直通法) 绘制而成的。
图 30 中左边的轨迹是在转换器和电子负载关闭的情况下表示的 | Z | 的测量结果。如图所示,转换器在断电状态下的输出阻抗指示的是转换器的输出电容器的自谐振阻抗响应。右边的轨迹是在 0.3 A 负载条件下测量到的 | Z | 的轨迹。如图所示, 通过转换器的反馈回路的作用,在低频范围内| Z | 值被限制在 2 mΩ 以下。由于增益相位测试端口独特的接收机体系结构, E5061B 能够正确测量毫欧级的小阻抗, 甚至在 10 Hz 以下的测量频率,测量结果也不会受到激励源和接收机之间测试电缆接地环路的影响。
图 31 显示了 1 A 和 2 A 负载条件下测量得到的 | Z | 的轨迹。如图所示,在低频范围内,被测器件的阻抗要高于 0.3 A 负载条件下的阻抗。通常,测量各种负载条件下的输出阻抗是很有必要的,这可以让我们知道被测器件的输出阻抗是否能够保持在我们所希望的目标之内,以及当负载条件变化时,阻抗的变化是否是足够小。
另一重要的事情是要确保输出阻抗的迹线不会出现大的正向峰值,因为那样会造成所有负载条件下的瞬态噪声。

图30. 直流-直流转换器输出阻抗测量
断电状态和0.3 A 负载条件下,
起始频率= 10 Hz,终止频率= 10 MHz
激励源功率= 10 dBm (直通校准时为-5 dBm)
T 端口: ATT = 0 dB,Zin = 50 Ω,R 端口: ATT = 20 dB,Zin = 50 Ω

图31. 直流-直流转换器输出阻抗测量
1 A 和2 A 负载条件下,
起始频率= 10 Hz,终止频率= 10 MHz
激励源功率= 10 dBm (直通校准时为-5 dBm)
T 端口: ATT = 0 dB,Zin = 50 Ω,R 端口: ATT = 20 dB,Zin = 50 Ω
测量无源PDN 元器件的阻抗
测量无源元器件的阻抗是设计 DC-DC 转换器和 PDN 的工作中的重要任务。安装在 PCB 裸板电源层上的无源元器件可以在高达几百 MHz 以上的频率范围内把 PDN 的阻抗限制在较低的值上。最常用的无源 PDN 元器件是电容器。电解电容器和高介电MLCC (多层陶瓷电容器) 等大容量电容器常用作直流-直流转换器的输出级电容器,这些电容器也可以当作旁路电容器来使用,以便在频率超出转换器环路带宽的范围时限制 PDN 阻抗。此外,为了在更高频率范围上进一步对阻抗和谐振进行抑制,也会在PCB 板上使用较小的旁路电容器。
同样,在某些情况下,为了抑制 PDN 中出现的噪声,会把铁氧体磁珠或 3 端子滤波器作为去耦器件串接在电路板的供电路径上。
关于其他 PDN 元器件的主题文章,例如铁氧体磁珠和电感器,请参考文件[3]。
使用网络分析仪测量阻抗的方法
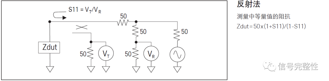
图 33 概括了三种使用网络分析仪测量元器件阻抗的主要技术。我们会看到,当在测量接收机 VT 上测量到的交流电压的变化范围很大时,在相应的阻抗范围内每种方法都可以提供良好的测量灵敏度。并联直通方法在小阻抗范围内具有良好的灵敏度,通常用于测量旁路电容器,这些电容器在串联谐振频率附近的阻抗可以低至毫欧量级。另一方面,要测量阻抗较高的元器件(例如铁氧体磁珠),使用反射法进行测量则更为合理。

图32. 测量PDN 中的无源元器件




图33. 使用网络分析仪测量阻抗的方法
并联-直通方法配置示例
图 34 是用并联-直通测量法在 E5061B 网络分析仪 的S 参数测试端口上测量旁路电容器的配置方法。被测器件安装在一个 50 Ω共面传输线的测试电路板上。E5061B-3L5 的 S 参数测试端口的测量频率范围从 5 Hz 至3 GHz,用户可以用 S 参数在很宽的频率范围内测量被测器件的阻抗特性。
对于最高到 10 MHz 的情况,简单做一个直通相应校准即可以给出足够的测量精度。对于测量频率达到数百 MHz 或更高时,需要在同轴测试接口端面做全 2 端口校准,以消除阻抗失配误差。测试电路板 50 Ω 传输线的电长度的影响可以用端口延伸的方法进行补偿。
如前章所述,与其他网络分析仪类似, E5061B 网络分析仪的 S 参数测试端口的外部屏蔽与分析仪的机箱接地端相连。当被测器件的电容值达到毫法拉级时,由于激励源至接收机测试电缆接地环路的影响,会在低频测量范围内导致阻抗测量结果出现误差。
为避免此类测量误差,应当在测试电缆上使用磁环,如图 19 和 20 所示;或者,在测试频率低于 30 MHz 时使用 E5061B-3L5 的增益相位测试端口。如前章所述,该测试端口的半浮动接收机体系结构可以避免测量误差。图35 显示了一个配置实例。

图34. 在S 参数测试端口上用并联-直通方法进行测量

图35. 在增益相位测试端口上用并联-直通方法进行测量
在直流电压偏置的条件下测量 MLCC
高介电常数的大电容 MLCC 电容值是依赖于直流偏压条件的。为了精确地测量PDN 实际工作条件下MLCC,最好的测量方法就是在施加一定直流电压偏置的条件下测量其阻抗。E5061B-3L5 的内置直流偏置源使您能够从低频范围轻松执行 MLCC 直流偏置测量。图 36 显示的是使用增益相位测试端口进行直流偏置测量配置示例。
基本上,这个配置与图 35 的并联-直通测量方法类似,但是在进行直流偏置的测量时,接收机R 端口和T 端口需要设置成高阻抗输入模式,以测量直流偏置的被测器件。在T 端口上测量被测器件中的交流电压,流过被测器件的交流电流可以用R 端口和T 端口测量电阻Ri 上的交流电压检测出来。在阻抗域中执行三项校准(开路/短路/负载校准) 之后,整个测试系统在测试电路板的测量端子处的测量结果就是经过校准调整的了,被测器件的阻抗值可以直接显示在仪表的屏幕上,而无需考虑使用把T/R 的测量数据变换为阻抗的公式来得到最终的测量结果。
阻抗域中的三项校准可通过以下方式来实现: 对原始 T/R 测量执行单端口全校准和使用反射阻抗转换将测量数据转换为阻抗。(注意,尽管物理连接为并联-直通,但请勿在此情况下使用并联-直通阻抗转换)。

图36. 直流电压偏置的MLCC 测量配置示例
MLCC 测量示例
图 37 显示的是用 E5061B-3L5 S 参数测试端口测量大电容MLCC 阻抗的测量结果。被测器件如图 34 所示将安装在测试电路板上,测试频率范围从 100 Hz 至 1 GHz。在测试电缆的端口上做了全 2 端口校准, 测试板的传输线的误差用端口延伸功能进行了补偿。阻抗的幅度 | Z |,相位轨迹,电容 Cs 以及电感 Ls 都是用 E5061B-005 阻抗分析功能(端口 1-2 并联-直通法) 绘制出来的。
图 38 是使用增益相位测试端口对一个MLCC 进行测量的结果,所用的配置方式如图 36 所示。注意, 在设定测量模式为增益相位并联- 直通法和选择所有待测阻抗参数之后 R 端口和 T 端口的输入阻抗必须设置为 1 MΩ。测试频率范围为 100 Hz 至 10 MHz。如图 36 中的示例所示,通过给你使用阻抗校准功能和开路/ 短路/负载校准器件对仪表进行校准可以完成三项校准。从测试结果可以看到,游标的读数显示10 kHz 时的电容测量结果约为47 uF。
另一方面,图 39 显示在相同测量配置下应用 3 Vdc 直流偏置得到的测量结果。如图所示,由于被测器件与直流电压有很大关系,电容值在 10 kHz 时大幅下降至 29 uF。这意味着在直流偏置条件下, 类似于 PDN 的实际操作环境,进行大电容MLCC 测量十分重要。
大电容 MLCC 还与交流电压电平有关。如果需要,可以在您感兴趣的频率点上检查实际施加到被测器件的交流电压的电平。例如在图36 的配置中,施加到被测器件的交流电压电平可以通过以下公式进行计算:
Vdut = Vsrc x Zdut/(Zdut + 50 + Ri)
Vsrc = 2 x SQRT (50 x 0.001 x 10^(Pset/10)
其中 Pset 为激励源的功率 (单位 dBm), Ri 为图 36 中感应电流的电阻,Zdut 为被测件阻抗,它的值大约为1/(2*pi*f *C)。
同样,也可以用仪表分段扫描的功能,通过逐点调整激励源的设置来给MLCC 施加一个恒定的交流电压[3]。

图37. MLCC 阻抗测量示例
使用S 参数测试端口(端口1-2 并联-直通法)
起始频率= 100 Hz,终止频率= 1 GHz
激励源= 0 dBm,IFBW = 自动/最高100 Hz

图38. MLCC 阻抗测量示例(无直流偏置)
增益相位测试端口(增益相位并联-直通法)
起始频率= 100 Hz,终止频率= 10 MHz
激励源= 0 dBm,IFBW = 自动/最高20 Hz
T 和R 端口: ATT = 20 dB,Zin = 1 MΩ

图39. MLCC 阻抗测量示例(3 V 直流偏置条件下)
增益相位测试端口(增益相位并联-直通法)
起始频率 = 100 Hz,终止频率 = 10 MHz
激励源 = 0 dBm,IFBW = 自动/最高 20 Hz
T 和 R 端口: ATT = 20 dB,Zin = 1 MΩ
对装配了旁路电容器的 PCB 进行测量 [1]
下面这个例子是对一个装有旁路电容器的 PCB 上进行电路板级 PDN 的自阻抗测量。从这个例子中,我们将会验证这些旁路电容器会把 PDN 的阻抗值抑制在目标范围内。图 40 对三种不同的 2 端口探测方法进行了比较。其中,图 40 (c) 的方法是对于测量已经装有器件的 PCB 在高频范围上供电路径和接地路径之间极小自阻抗的最好的方法,在这里,旁路电容器和 PCB 自身的总电感量是阻抗的主要成分。如图 40 (c) 所示通过把两个探测探头从电路板的两面相向地与被测器件电路板进行接触,我们可以把两个探头之间互相耦合的电感效应降至最小,同时,在电路板的层到层之间的测量结果中也不会包括电路板上过孔的电感量。
为了在电路板的同一侧进行探测时把探头的耦合误差降低到最小的程度,需要设法把探头的中心导体和接地管脚之间形成的电流环路面积尽可能地减小到最小的程度,同时,两个探头之间的距离要尽可能地远。不过,如果用图 40 (b) 的方法测量自阻抗时,两个探头之间的距离比起最高测试频率的信号的波长来要足够小才行。



图40.使用探头用两端口法测量PCB 的总结
测量PC 母板的例子
图 41 是对一个装有很多大电容和小电容的 PC 母板进行测量得到的结果。在测量中给母板的供电量是关闭的,我们测量了供电层和接地层之间由旁路电容和PCB 的裸导体的阻抗特性形成的自阻抗。因为在这个被测 PCB 板上没有设计专门用来测试的焊盘,因此我们把其中一个焊接在过孔上的大的旁路电容给拿掉了,在它原来的位置上从电路板的正反两面焊接上了用SMA 接头自制的探头。
在测量之前在同轴测量电缆的端口上做了全 2 端口校准,探头尖的电长度对测量结果的影响通过端口延伸功能进行补偿,频率的扫描范围可以从 100 Hz 到 1 GHz。不过在这个测量中,我们所关心的频率范围主要集中在几kHz 到几百MHz 的范围上, 这是电路板上旁路电容抑制 PDN 阻抗的主要频率范围。(具体最高的测试频率要视应用而定)。
图 41 (a) 中的测量结果是在测量电缆上没有使用磁环的情况下得到的。因为电路板上安装的这些大容量电容会在低频测量范围内产生很小的阻抗,因此在低频测量端,可以看到因为测量电缆的接地环路引起的测量误差。
另一方面,图 41 (b) 的测量结果是在测试电缆上使用了大磁通量的磁环的情况下得到的。借助磁环的影响,在低频测量范围内阻抗的测量结果就精确得多了。
在这个测量中,我们使用 E5061B 的 S 参数测量端口和外置磁环,在一次扫描的过程中就把 PDN 从低频到高频的阻抗全部测量出来。不过,如果您找不到很合适的磁环的话,我们建议您可以先用仪表的增益相位测量端口测量低频段的阻抗,然后再用S 参数测量端口测量高频段的阻抗。

图41. 安装有多个旁路电容器的PCB 板的测量示例
使用S 参数测试端口(端口1-2 并联-直通法)
起始频率= 100 Hz,终止频率= 1 GHz
激励源= 10 dBm,IFBW = 自动/最高100 Hz
审核编辑:汤梓红