时间:2022-11-15 15:35
人气:
作者:admin
1、示波器探头阻值测量
此探头是两档探头,即,×1和×10两档
以下是×1档位电阻值,约170欧姆,电阻很小。

以下是×10档位电阻值,约9M欧姆,电阻很大。

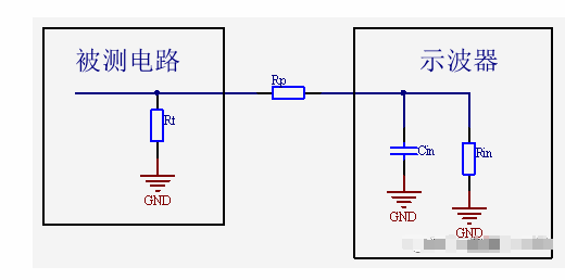
2、×1档位
Rt: 是被测电路的等效电阻
Rin:是示波器的等效输入电阻,目前市面上的示波器都是1M欧姆
Rp: 代表探头阻值,即,×1档位电阻值约170欧姆,相对Rin可以忽略不计
Cin:是示波器的等效输入电容,这个电容无法消除,只能尽量减少,一般15pF左右。
以下是×1档位探头电路示意图

如果Rp+Rin远远大于Rt的时候示波器对被测电路的影响小,可以忽略不计。相反,如果Rp+Rin接近Rt,电流相对流过Rt的比较客观,那么对被测电路影响就大,此时测量的信号是不准确的。最简单的例子,使用示波器×1档位测量12M晶体,发现波形畸变的厉害。这是由于晶体信号微弱,等效阻抗大,示波器的对被测电路影响大所致,因此测量晶体一定要使用×10档位,此档位使示波器输入阻抗变大。另外,Rin和Cin组成了低通滤波器,因此高频信号会有一定程度衰减,被测信号的频率越高衰减的越厉害。
3、×10档位
Rt: 是被测电路的等效电阻
Rin:是示波器的等效输入电阻,目前市面上的示波器都是1M欧姆
Rp: 代表探头阻值,×10档位电阻值约9M欧姆,和Rin分压正好衰减10倍
Cin:是示波器的等效输入电容,这个电容无法消除,只能尽量减少,一般15pF左右
Cp:是补偿电容,一般10pF左右
以下是×10档位探头电路示意图

Rp:Rin = 9:1,如果Cin:Cp也是9:1,即衰减比例是一样的,那么就不会对被测信号产生干扰。电容串联相当于电容减小,即,从探头尖端看进去输入电容变小,输入电阻为10M。输入电阻增大,电容减小,有利于高频信号以及高等效电阻电路的信号测量。不同型号的示波器输入电容一般不同,为了方便探头能够匹配不同型号示波器,此种类探头一般带有可调电容,用于手动校准探头。等效电路如下:

4、两档位探头校准方法
探头连接示波器的标准方波输出,调节探头的可变电容旋钮,使波形呈现完美方波即可。
