时间:2021-06-12 09:05
人气:
作者:admin
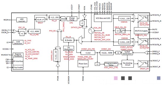
TI公司的LMX2820是高级宽带PLLatinum射频合成器能产生45MHz到22.6-GHz间任何频率,其优质的PLL质量因数为–236 dBcHz,高相位检测频率可以得到非常低的带内噪音和眼镜振动。高速N分频器没有预分频器,因此大大地降低了尖峰的幅度和数量。6 GHz 时在 12 kHz – 95 MHz 的噪声为 36-fs rms,归一化1f噪音为–134 dBcHz。fPD=100MHz的积分模式尖峰95dBc,高相位检测速度有400MHz的小数分频模式和300MHz的小数频分频。设备具有2.5-μs快速VCO恢复时间。支持电源-GHz时VCO高达22.6-GHz,输出相位一些器件同步。主要用在雷达和电子战,5G和毫米波无线基础设备。微波回程,测试和测量设备,高速数据传感器。这里介绍了LMX2820主要特性,以及一些单一和典型的波应用电路图评估LMX2820EVM 主要特性、连接图、电路图、材料清单和 PCB 设计图。
LMX2820 是一款高性能宽带合成器,可生成 45 MHz 至 22.6 GHz 范围内的任何频率。具有–236 dBcHz 品质因数和高相位检测器频率的高性能PLL 可以实现极低的带内噪声和集成抖动。高速N分频器没有预分频器,从而显着降低了杂散的幅度和数量。还有一个可编程输入乘法器来减轻整数边界杂散。
LMX2820 允许用户同步多个设备的输出,还支持需要输入和输出之间确定性延迟的应用。快速校准算法大大减少了 VCO 校准时间,支持需要快速跳频的系统。LMX2820 可以生成或重复符合 JESD204B 标准的 SYSREF,允许将其用作高速数据转换器的低噪声时钟源。该合成器还可以与外部 VCO 一起使用。提供了一个直接的 PFD 输入引脚以支持偏移混合以实现低杂散传输。
该器件采用 3.3V 单电源供电,并且集成了 LDO,无需使用板载低噪声 LDO。
LMX2820主要特性:
• 输出频率:45 MHz 至 22.6 GHz
• 6 GHz 时 36-fs rms 抖动(12 kHz – 95 MHz)
• 高性能锁相环
– 品质因数:–236 dBcHz
– 归一化 1/f 噪声:–134 dBcHz
– -95 dBc 整数模式杂散 (fPD=100 MHz)
– 高相位检测器频率
• 400-MHz 整数模式
• 300-MHz 分数模式
– 可编程输入乘法器
– 用于偏移混合支持的直接 PFD 输入允许 PLL N 分频器成为超低分频器之一
抖动
• 2.5μs 快速 VCO 校准时间
• 具有 200 ns 静音/取消静音时间的静音引脚
• –45-dBc VCO 泄漏,启用倍频器
• 支持高达 22.6 GHz 的外部 VCO
• 跨多个设备的输出相位同步
• 两个差分 RF 输出和一个用于 JESD204B 支持的差分SYSREF 输出
LMX2820应用:
• 雷达和电子战
• 5G 和毫米波无线基础设施
• 微波回程
• 测试和测量设备
• 高速数据转换器时钟

图一。LMX2820功能灯

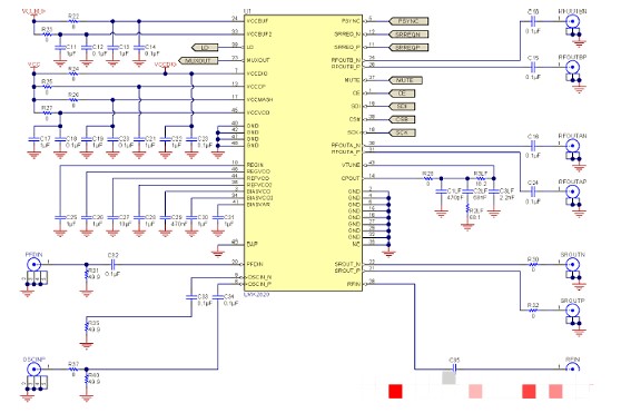
图2。LMX2820典型应用电路图
评估板LMX2820EVM
LMX2820EVM 旨在评估 LMX2820 的性能。该板由一个 LMX2820 设备组成。
LMX2820 是一款高性能宽带合成器,可生成 44.14 MHz 至 22.6 GHz 的任何频率。该器件采用 3.3V 单电源供电,并具有集成 LDO,无需使用板载低噪声 LDO。

图3.评估板LMX2820EVM外形图
评估板LMX2820EVM包括:
• 一块 LMX2820EVM 板 (HSDC060-001)
• 一个 USB2ANY (HPA665)
• 一根 USB 电缆
• 一根 10 针扁平电缆

图4.评估板LMX2820EVM连接图

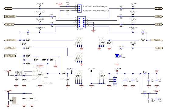
图5.评估板LMX2820EVM电路图(1)

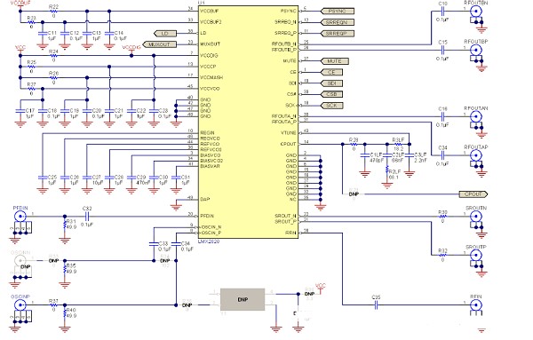
图6.评估板LMX2820EVM电路图(2)
评估板LMX2820EVM材料清单:

责任编辑:pj