时间:2021-06-12 09:06
人气:
作者:admin
Maxim公司的MAX921是输入单向49电流检测放大器(CSA),输入范围从0V到70V,通过,共模范围可低至42V和最高+80V。低输入电流保护为±0.5μV(双重),增益增益为±0.05%(另外),封装MAX49921非常适合电流电流测量。器件电压工作从2.7V到5.5V,电流电流为0.7mA,工作温度-40C到+125C汽车温度范围,并满足AEC-Q100汽车资质。140dB DCCMRR,-3dB选择为20V/V和50V/V。采用2mm x 3mm 8面TDFN封装。主要用在电磁线圈电流检测中,电池监视、电流负载电流监视、高和低边电流检测、超级电容充/放电监测、高压电流监视和汽车电流监测。本文介绍了49921特性和优势、主要边、几种检测电流测量图以及评估板MAX49921 EVK主要特性、电路图、材料清单和PCB设计图。
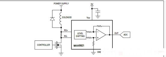
MAX49921 是高精度、单向电流检测放大器 (CSA),工作输入共模范围为 0 至 +70V,但该器件具有低至 -42V 和高达 +80V 的输入共模电压保护,从而提供电池反接和高压保护尖峰。MAX49921非常适合感性负载的电流监测,例如直流电机和螺线管,其中共模电压会因感性反冲、电池反接而变为负值
条件或瞬态事件。
±0.5μV(典型值)的低输入失调和±0.05%(典型值)的低增益误差使该器件最适合高精度电流测量。
MAX49921 的工作电源电压为 +2.7V 至 +5.5V,典型静态电源为 0.7mA。该器件的额定温度范围为 -40C 至 +125C 汽车级温度范围,并且符合 AEC-Q100 标准。MAX49921 采用 2mm x 3mm、8 引脚、侧面可湿性 TDFN 封装,增益选项为 20V/V 和 50V/V。
MAX49921主要特性和优势:
● AEC-Q100 符合汽车应用要求
● ±0.5μV(典型值)输入失调电压
● ±0.05%(典型值)增益误差
● 0 至 +70V 输入电压范围
● -42V 至 +80V 保护抗扰度
● 65kHz,-3dB 带宽
● 140dB 直流共模抑制比
● 增益选项:20V/V、50V/V
● 轨到轨输出
● 2mm x 3mm、8 引脚 TDFN 封装
● -40C 至 +125C 汽车温度范围
MAX49921应用:
● 螺线管电流感应
● 电池电流监测
● 感性负载的电流监控
● 高边和低边精密电流检测
● 超级电容充放电监测
● 精密高压电流监测
● 汽车电流检测

图1.MAX49921感应灯

图2.MAX49921电磁线圈测量电流图

图3.MAX49921直流马达测量电流图
评估板MAX49921 EVK
MAX49921评估板(EV kit)为评估MAX49921高精度、高电压、单向电流检测放大器提供了经过验证的设计。该评估板演示了采用小型 2mm x 3mm 8 引脚 TDFN 封装的 MAX49921。
评估板 PCB 安装了 MAX49921FATA/VY+,这是 50V/V 增益版本。另一个可用的增益选项是引脚兼容的 MAX49921TATA/VY+ (G = 20V/V)。请联系工厂了解 MAX49921TATA/VY+ 的可用性。
评估板MAX49921 EVK主要特性:
●● 精确实时电流监测
●● 0V 至 +70V 输入共模范围
●● 经验证的 PCB 布局
●● 完全组装和测试
图4.评估板MAX49921 EVK外形图

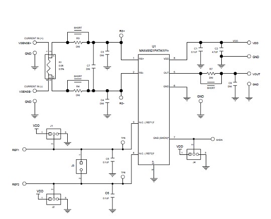
图5.评估板MAX49921 EVK电路图
评估板MAX49921 EVK材料清单:


图6.评估板MAX9921 设计图:左:EVK4 PCB;右:热量

图7.评估板MAX9921 PCB设计图:左:EVK辐射;右:巨丝印
责任编辑:pj