时间:2021-06-12 09:32
人气:
作者:admin
ADI公司的AD5522是高集成度四通道参数单元测量单元(PMU),包括四个参数的单个通道。单通道单元(PPMU)通道包括五个16位,电压输出DAC,可设置驱动电压输入、钳位输入和比较器输入(高输入和低)的输入输入范围。提供范围为驱动和测量电流范围A±5μ80 mA。四范围使用范围±5μ80 mA。检测传感器;双通道还可以使用片外检测检测提供一个高达±80 mA的高电流输出范围。超过±80 mA的电流需要外部放大器。50 MHz的接口可工作在快速更新模式。在83 MHz时,每一个支持低压信号(LVDS)提供接口协议。为通道比较输出,用于通过/不通过测试和特性补件。控制控制器允许用户轻松地更改或驱动条件,DAC和所用设备选电流范围.SDO(火花数据输出)允许回读诊断信息。SPI和LVDS特色,个性型80用户主要用TQFP自动封装。通测试和漏电流测试、电源、仪器仪表、源表测量单位(SMU)以及精密测量。本文介绍了AD5522特性、特色功能和详细的功能、应用电路、以及评估板EVAL-AD522EBDZ主要特性,电路图和材料清单。
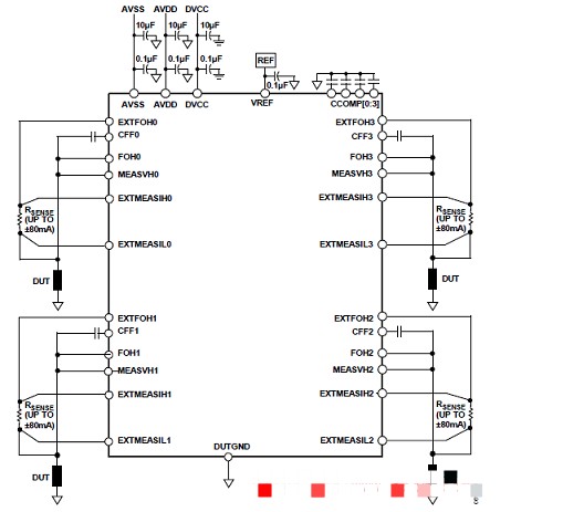
AD5522 是一款高性能、高度集成的参数测量单元,由四个独立通道组成。每个引脚参数测量单元 (PPMU) 通道包括五个 16 位电压输出 DAC,用于设置强制电压输入、钳位输入和比较器输入(高和低)的可编程输入电平。提供五个可编程的力和测量电流范围,范围从 ±5 μA 到 ±80 mA。其中四个系列使用片上检测电阻器;使用片外检测电阻器为每个通道提供一个高达 ±80 mA 的高电流范围。超过 ±80 mA 的电流需要外部放大器。低电容 DUT 连接(FOHx 和 EXTFOHx)确保该设备适用于无继电器测试系统。
PMU 功能通过一个与 SPI、QSPI™、MICROWIRE™ 和 DSP 接口标准兼容的简单 3 线串行接口进行控制。50 MHz 的接口时钟允许快速更新模式。还支持 83 MHz 的低压差分信号 (LVDS) 接口协议。每个通道都提供比较器输出,用于设备不通过测试和表征。控制寄存器允许用户轻松更改强制或测量条件、DAC 电平和选定的电流范围。SDO(串行数据输出)引脚允许用户为诊断目的回读信息。
AD5522主要特性:
四参数测量单元 (PMU)
FV、FI、FN(高阻抗)、MV、MI 功能
4 个可编程电流范围(内部 RSENSE)
±5 μA、±20 μA、±200 μA 和 ±2 mA
1 个可编程电流范围高达 ±80 mA(外部 RSENSE)
具有非对称操作的 22.5 V FV 范围
集成 16 位 DAC 提供可编程电平
片上增益和偏移校正
适用于无继电器系统的低电容输出
每个通道的片上比较器
FI 电压钳位和 FV 电流钳位
保护驱动放大器
系统 PMU 连接
可编程温度关断
SPI 和 LVDS 兼容接口
带裸露焊盘(顶部或底部)的紧凑型 80 引脚 TQFP
AD5522应用:
自动测试设备 (ATE)
每引脚参数测量单元
连续性和泄漏测试
设备电源
仪表
源测量单元 (SMU)
精密测量

图1.AD5522功能智能

图2.AD5522详细信息

图3.AD5522应用饮料容器图

图 4.AD5522 应用电路图:每一个 (Per-Pin) 参数单元
评估板EVAL-AD5522EBDZ
EVAL-522EBDZ 是用于 AD55552222 的全功能评估板。型号中的“D”表示 AD55522 封装为多媒体广告版本。该接口能够以独立模式工作,通过 USB 连接至 PC 接口配合使用。 USB连接至PC接口时,用户可以通过面板的AD7685 ADC测量不同的电压和电流参数,还可以提供使用的软件控制PMU。该软件包括描述EVAL-AD5522EBDZ板和设置的技术笔记。
EVAL-AD5522EB 是一款全功能评估板,旨在让用户能够轻松评估 AD5522 四通道 PMU 的所有功能。该板可通过两种方式进行控制,即通过板载连接器或使用 AD5522 评估软件通过基于 Windows 的 PC 的 USB 端口。默认设置是通过 USB 端口进行控制。有关 AD5522 器件所有功能的完整详细信息以及 AD5522 中每个寄存器的完整详细信息,请参阅 AD5522 数据表。
评估板EVAL-AD5522EBDZ主要特性:
AD5522 的全功能评估板
机上参考
链接选项
直接连接到 PC 的 USB 端口
用于控制的 PC 软件
Paddle-Up AD5522 评估板概述(注意并非所有评估板都使用此处所示的插座夹)。Paddle-Down AD5522 评估板与此类似。

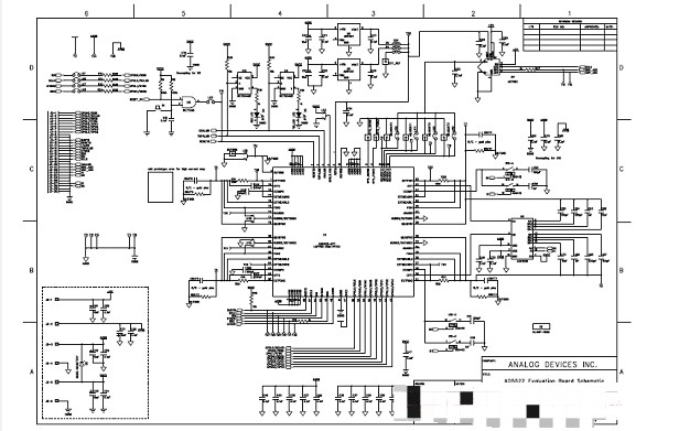
图6.评估板EVAL-AD5522EBDZ电路图(1)

图7.评估板EVAL-AD5522EBDZ电路图(2)
责任编辑:pj
上一篇:电容电流测试仪的测量方法