时间:2021-06-09 11:17
人气:
作者:admin
作者:ADI公司 Doug Mercer,顾问研究员;Antoniu Miclaus,系统应用工程师
本实验旨在构建和研究多种类型的基准电压源/稳压器,分为以下几部分:
目标
可以将先前实验中的零增益放大器(Q1、R2)和稳定电流源(Q2、R3)与负反馈中的PNP电流镜级(Q3、Q4)配合使用,以构建在一定的输入电压范围内提供恒定或可调输出电压的电路。
材料
说明
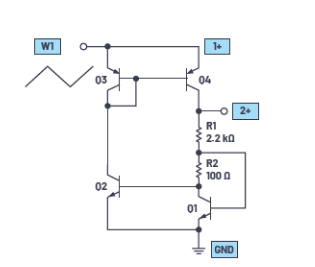
面包板连接如图1所示。AWG1的输出驱动PNP晶体管Q3和Q4的发射极。Q3和Q4配置为电流镜,其基极与Q3的集电极相连。Q4的集电极连接到电阻R1。电阻R1和R2以及晶体管Q1按照2020年11月学子专区实验所示进行连接,“ADALM2000 实验: 零增益放大器。”由于Q2的VBE始终小于Q1的VBE,因此应从器件库存中选择Q1和Q2,使得(在相同的集电极电流下)Q2的VBE小于Q1的VBE。晶体管Q2的基极连接到Q1集电极的零增益输出。Q2的集电极连接到PNP电流镜的输入端,即Q3的基极和集电极。2+(单端)示波器输入用于测量Q4集电极上的输出电压。

图1.稳压器电路。
硬件设置
波形发生器1应配置为1 kHz三角波,峰峰值幅度为4 V,偏置为2 V。示波器通道2的单端输入(2+)用于测量Q4集电极上的稳定输出电压(负输入1-和2–应接地)。

图2.稳压器试验板电路。
程序步骤
绘制输出电压(在Q4的集电极处测量)与输入电压的关系曲线。在多少输入电压电平下,输出电压停止变化/调节?这称为压差。对于输入电压高于压差的情况,输入电压每变化一伏,输出电压变化多少?VOUT的变化/VIN的变化称为电压调整率。将可变电阻的输出节点接地。在输入电压固定(即连接到固定的Vp板电源)的情况下,测量电阻各种设置的输出电压。计算每个设置的电阻中的电流。输出电压与输出电流的关系有何变化?这称为负载调整。

图3.稳压器示波器XY图。
目标
上一节中稳压器电路存在的问题是,可用于输出负载的电流受到通过PNP Q3和Q4映射的NPN Q2提供的反馈电流的限制。我们希望构建一个电路,不仅在输入电压范围内,而且在输出负载电流范围内都能提供恒定或可调输出电压。这第二个电路利用发射极跟随器输出级为输出提供电流。
材料
说明
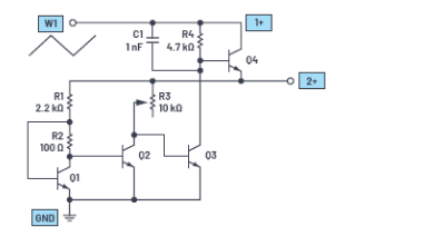
面包板连接如图4所示。晶体管Q1和电阻R1及R2依然配置为零增益放大器。晶体管Q2和可变电阻R3形成稳定的电流源。如果使用SSM2212匹配的NPN对,最好将其用于器件Q1和Q2。共发射极输出级Q3及其集电极负载R4提供增益。发射极跟随器Q4驱动输出节点并关闭负反馈环路。

图4.增强型稳压器。
硬件设置
波形发生器W1应配置为1 kHz三角波,峰峰值幅度为4 V,偏置为2 V。示波器通道2 (2+)用于测量Q4发射极上的稳定输出电压。

图5.增强型稳压器试验板电路。
程序步骤
重复测量此电路的压差、线路和负载调整。它们与第一个稳压器电路有何不同?

图6.增强型稳压器波形XY图。
目标
可以将零增益放大器(Q1、R2)和稳定电流源(Q2、R3)与负反馈中的共发射极放大器级(Q3)配合使用,以构建在一定的输入电流范围内提供恒定或可调输出电压的2端口电路。
材料
说明
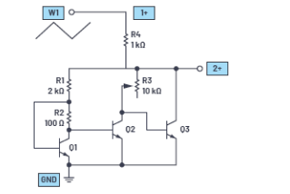
面包板连接如图7所示。函数发生器的输出驱动电阻R4的一端。电阻R1和R2以及晶体管Q1按照11月学子专区文章所示进行连接,”ADALM2000实验:零增益放大器(BJT)。”电阻R3和晶体管Q2按照2021年1月文章所示进行连接,”ADALM2000实验:稳定电流源。”如果使用SSM2212匹配的NPN对,最好将其用于器件Q1和Q2。添加Q3,将其发射极接地,基极连接到Q2的集电极,集电极连接到组合R1、R3、R4和示波器输入2+的节点上。

图7.带隙分流稳压器。
硬件设置
波形发生器W1应配置为1 kHz三角波,峰峰值幅度为4 V,偏置为2 V。示波器通道2的单端输入(2+)用于测量Q3集电极上的调节输出电压。

图8.带隙分流稳压器试验板电路。
程序步骤
配置示波器以捕获测量的两个信号的多个周期。确保启用XY功能。图9提供了示波器显示的图像示例。调节可变电阻R3时,观察输出电压的调节。
您可以在学子专区博客上找到问题答案。
作者简介
Doug Mercer于1977年毕业于伦斯勒理工学院(RPI),获电子工程学士学位。自1977年加入ADI公司以来,他直接或间接贡献了30多款数据转换器产品,并拥有13项专利。他于1995年被任命为ADI研究员。2009年,他从全职工作转型,并继续以名誉研究员身份担任ADI顾问,为“主动学习计划”撰稿。2016年,他被任命为RPI ECSE系的驻校工程师。联系方式:doug.mercer@analog.com。
Antoniu Miclaus现为ADI公司的系统应用工程师,从事ADI教学项目工作,同时为Circuits from the Lab®、QA自动化和流程管理开发嵌入式软件。他于2017年2月在罗马尼亚克卢日-纳波卡加盟ADI公司。他目前是贝碧思鲍耶大学软件工程硕士项目的理学硕士生,拥有克卢日-纳波卡科技大学电子与电信工程学士学位。