时间:2021-05-13 09:47
人气:
作者:admin
LED热测试
为了在不牺牲可靠性的前提下获得最高的光学性能,必须了解特定应用中LED组件的热性能。1993年1月28日的技术备忘录“ LED灯的热特性”讨论了LED灯的基本热模型。本应用简介描述了Avago Technologies用于测量特定应用中安装的LED组件的结温和引脚温度的热测试系统。
通常,对LED组件进行热测试的目的是测量结温到环境的温升,以确保不超过最大结温。LED组件在高于最大结温的温度下的温度循环往往会导致金线键合产生过度的热应力,从而导致过早的灾难性故障。对于大多数Avago Technologies LED灯,最高结温为110°C。可以在产品数据表的“最大绝对额定值”中找到最大结温,也可以从“最大正向电流与温度曲线”推算得出。最大结温是在正向电流为零时,倾斜电流降额曲线的延伸与曲线的环境温度轴的交点。
基本的热测试程序是将特定系统内的LED组件的引脚热耦合,操作该系统并监视热平衡时的温度升高。另外,可以通过测量LED组件的正向电压变化来测量所选LED组件的结温。在这些测量中要格外小心,以确保尽可能重复特定的应用程序。这包括正确的系统机械方向,将系统安装在预期的外壳中以及以类似于正常操作的电压操作系统。

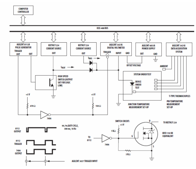
热测试系统
热测试系统的框图如图1所示。热测试系统使用几台测试设备,这些设备由个人计算机通过IEEE-488并行总线控制。测试系统中用于测量LED组件引脚温度的部分由Agilent 3421A数据采集系统和一系列T型热电偶组成。热电偶由Omega TT-T-30 SLE热电偶线组成,该电线被剥皮,扭绞在一起并焊接到被测引脚上。Agilent 3421A将热电偶线上产生的电压直接转换为温度测量值,然后通过IEEE-488总线将其发送到计算机控制器。
其余设备用于通过精确监视正向电压的变化来监视被测LED器件的结温。为了获得最佳结果,被测设备应在1.00 mA的恒定电流下表征温度范围内的正向电压。通常,变化约为-2.2 mV /°C,并且在工作温度范围内呈线性关系。表征后,可将LED组件直接焊接到被测系统中。为了获得最佳结果,被测设备应与被测系统的其余部分电气隔离
被测设备由两个Keithly 224电流源驱动。一个电源用于以1.00 mA偏置电流驱动被测设备。第二个电源用于以可编程加热电流驱动被测设备。请注意,IBIAS加IHEAT应等于被测设备的应用预期驱动电流。对Agilent 8112A脉冲发生器进行了编程,以产生99.7%的占空比波形。
脉冲发生器的输出连接到高速数字开关,该数字开关在占空比的0.3%期间将加热电流源分流到地。脉冲发生器的触发输出用于触发Agilent 3437A数字电压表的采样。请注意,脉冲发生器触发输出的上升沿与0一致。3%的占空比波形,并且数字电压表是负沿触发的。
为了在正确的边沿上触发数字电压表,脉冲发生器的触发输出用TTL电平7406反相器反相。为了获得最高的分辨率,Agilent 3437A被配置为使用0.160 V的偏移量的Agilent 6033A可编程电源,在0.1000 V范围内测量被测设备的电压。
由于LED组件开始冷却在IHEAT电流源被分流后,Agilent 3437被配置为可以相当快地关闭,以尽快测量被测设备的电压。通常,应在分流IHEAT源后的50毫秒内进行此测量。脉冲发生器的触发输出由TTL电平7406反相器反相。
为了获得最高的分辨率,Agilent 3437A被配置为使用0.160 V的偏移量的Agilent 6033A可编程电源,在0.1000 V范围内测量被测设备的电压。由于LED组件开始冷却在IHEAT电流源被分流之后,Agilent 3437被配置为可以相当快地关闭,以尽快测量被测设备的电压。通常,应在分流IHEAT源后的50毫秒内进行此测量。
脉冲发生器的触发输出由TTL电平7406反相器反相。为了获得最高的分辨率,Agilent 3437A被配置为使用0.160 V的偏移量的Agilent 6033A可编程电源,在0.1000 V范围内测量被测设备的电压。由于LED组件开始冷却在IHEAT电流源被分流之后,Agilent 3437被配置为可以相当快地关闭,以尽快测量被测设备的电压。
通常,应在分流IHEAT源后的50毫秒内进行此测量。使用Agilent 6033A可编程电源作为大约1.6 V的偏置电源。由于LED组件开始相当快地冷却,因此Agilent 3437被配置为在IHEAT电流过后尽快测量被测设备的电压源被分流了。通常,应在分流IHEAT源后的50毫秒内进行此测量。
使用Agilent 6033A可编程电源作为大约1.6 V的偏置电源。由于LED组件开始相当快地冷却,因此Agilent 3437被配置为在IHEAT电流过后尽快测量被测设备的电压源被分流了。通常,应在分流IHEAT源后的50毫秒内进行此测量。
上一篇:深度解析电源转换器和测试
下一篇:准确测量输出噪声和纹波的解决方案