时间:2021-05-08 08:34
人气:
作者:admin
本文介绍了仪表设计的挑战以及这些挑战的解决方案。本文还将介绍针对所有不同类型市场的所有仪表设计的一些共同特征。我们还将提供资金支持,以便寻求更好的解决方案。
仪器使工程师能够查看和了解不同的电子或机械过程或系统中发生的情况。这些设备可以获取,分析和显示数据,从而使工程师可以监视和控制机械并进行所有必要的更正。在测试或原型制作期间,仪器可以改善电路,从而可以创建新的更好的设计。
由于需要具有广泛功能和可用性的功能强大的仪器来应对各种应用提出的设计挑战,因此本文将着眼于这些仪器满足客户期望所需的特性,然后将研究一个关键设计组件的重要特性–仪表放大器。
不同的市场期望从一种工具获得不同的特征:军事市场是由可靠性驱动的;消费市场是成本驱动的;医疗市场安全驱动;汽车市场是以上所有因素的结合。尽管如此,仍然有必要指出,旨在满足未来需求的新工具通常必须具有以下一项或多项特征:
在仪器可以有效,准确地测量信号之前,许多应用都需要大量的信号调理,以减少噪声,增加动态范围并补偿传感器的非线性。例如,医疗仪器模拟前端中的信号调理提出了在存在大的差分直流电势时检测小信号的设计挑战。考虑心电图(ECG);心脏电活动的采集和记录(图1)。形成心脏细胞外壳的每个细胞膜都有一个相关的电荷,该电荷在每次心跳时都会去极化。这些脉冲在皮肤上显示为微小的电信号,可被ECG检测,转换为波形并放大。

配套文章《优化仪器信号链以降低成本,提高性能》探讨了设计师如何通过平衡每个阶段中各个组件的规格以满足整个信号链的目标性能水平来构建有效的信号链。在本文中,我们着眼于该过程的一个关键要素,即仪表放大器(或仪表放大器),这是一种特殊的放大器类型,通常是测量前端的第一个组件,因此它的性能对于运算放大器的性能至关重要。整个乐器。
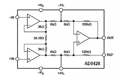
现在,让我们考虑在Mouser网站的“最新产品”部分中找到的几个真实示例。ADI公司的AD8428仪表放大器设计用于精确测量微小的高速信号。它提供了业界领先的增益精度(0.2%),噪声和带宽。ADI AD8428(图2)具有固定的2000增益,是业界最快的仪表放大器之一。AD8428的高CMRR(最小值为130 dB),可防止有害信号破坏采集数据。器件的引脚排列旨在避免寄生电容失配,该失配会在高频下降低CMRR。据说该ADI器件非常适合用于传感器接口,医疗仪器和患者监护应用。

德州仪器(TI)INA826精密仪表放大器具有极低的功耗,并能在很宽的单电源或双电源范围内工作。从负电源一直到正电源的1 V,整个输入共模范围内的共模抑制比均超过84 dB。TI INA826使用轨到轨输出,非常适合从2.7V单电源以及高达±18 V的双电源的低电压操作。TI INA826仪表放大器设计用于多种应用应用,包括工业过程控制,断路器,电池测试和ECG放大器。
编辑:hfy