时间:2020-09-24 09:22
人气:
作者:admin
一、水平方向的时间测量
水平方向的测量有波形频率、周期、上升下降时间等参数,想要更准确还原一个波形的时间参数,首先要考虑奈奎斯特采样定理。因此在每次测量的过程中,我们应该特别关注随着时基档位增大而下降的实际采样率。如果需要对高频信号周期准确测量,就需要采样率大于被测信号频率2倍以上,这个倍比关系越大,理论上采样点越密,显示在示波器屏幕上的周期信号便越稳定。
其次要考虑波形漏失情况,当信号中有偶发异常信号出现时,我们更希望它出现在示波器采集过程中,然而市面上大部分数字示波器是串行工作方式,其进行AD转换数据处理时无法对信号采集,此时称为“示波器盲区”,这种情况下我们尽量用较小的存储深度,来缩短“盲区时间”,保证异常偶发信号更大概率的被捕获。

二、垂直方向的幅度测量
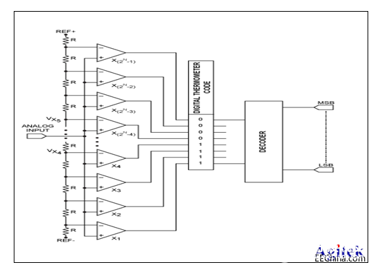
市面上的数字示波器大多采用并行Flash ADC,这种模数转换芯片的特点在于并行分析采集到的电压值,提高模数转换的速度,而且通过增加ADC位数,可以对采集到的电压进行更精准的比较识别。虽然我们之前在文章中写过示波器不适合高精度静态量测量,但是在高频信号测试中,仍然是“拼”ADC位数的时候—ADC位数越多,ADC垂直分辨率越高。

三、统计学上的多次测量
任何物理测量我们都知道测量值都是一个近似值。测量中存在偶然误差和系统误差,为了得到有价值可参考的测量值,通常的做法是进行多次测量统计取值。示波器测量中比如眼图测试,许多标准要求的数据积累量在1Mbit,误码率测试中如果希望被测系统的误码率小于10^(-12),那么至少测量3*10^12 bit才能保证95%以上的置信度。所以对于测量本身来讲,如果能在单位时间内获取到更多有意义的测试结果,意味着结果的置信度越高,这就是“示波器的测量速度”。
如果我们想测量一个周期信号的上升时间,当我们通过一次捕获的几个周期,将每个周期的上升时间测量后取平均值,那么这个测量结果就比测量一个周期的上升时间更可信,而且更大限度的利用了已采集到的数据,因此,相对于得到单周期上升时间测量值,这种多周期测量的“速度更快”。
比如泰克示波器MDO34、MSO46,甚至是MSO5系,6系,在自动测量中都添加了统计图功能,这样充分利用了已采集到的数据,实现更可靠的测量结果。

责任编辑:gt
上一篇:如何利用示波器完成电源时序的测量