时间:2021-02-12 08:09
人气:
作者:admin
想要测量谐振器的Q因子并不少见。可能需要确定其在耦合谐振滤波器中的适用性,或者评估RFID标签的性能。通常,此测量是通过非常轻的输入和输出耦合进行的,以减小50-Ω源阻抗和负载阻抗的负载效应。
1.对于谐振器的2端口Q测量,请建立非常轻的输入和输出耦合,以减小50Ω源阻抗和负载阻抗的负载效应。
到谐振器的耦合和从谐振器的耦合可以用两个电短路的天线或回路耦合到谐振器的电场或磁场来实现(图1)。可以进行这种测量的一种仪器是Copper Mountain Technologies的 TR1300 / 1,这是一种1.3 GHz矢量网络分析仪(VNA)(图2)。
2. TR1300 ,1 VNA可用于进行谐振器Q测量。
在以这种方式测量S21 S参数之后,分析数据以提取谐振器的谐振频率和Q因子。将响应的峰值作为共振频率,然后将两个标记放置在比峰值低3 dB的位置。峰值频率除以峰值的3 dB宽度就等于Q因子。
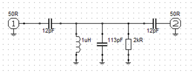
例如,对图3所示电路的扫描会导致图4所示的测量。该图为我们提供了实验的Q因子13.62 /(13.99 − 13.28)= 19.2。

3.所示为用于VNA测量的2端口示例电路。

4.该图说明了图3所示电路的3 dB Q因子测量。
忽略了12pF耦合电容器和50μl源极和负载的影响,原理图中的近似Q系数等于113.pF电容器在13.62 MHz处的导纳除以电阻器的电导,或者9.673e-03 / 5e-04 = 19.3。这表明与实验确定的值存在合理的一致性。
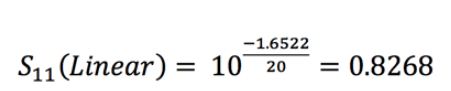
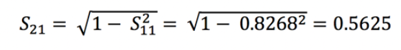
通过减少耦合,可以获得更好的测量结果,使S 21峰值下降至-40 dB左右,从而降低负载效应。但是,S 11读数将变得很小。我们将显示Q因子可能来自S 11测量,但是数量必须足够大才能使用。
那怎么办呢?显然,在S 11 曲线上寻找比最小值高3 dB的点不是问题。上面显示的迹线的最小值为-1.6 dB,因此这显然是不可能的。事实证明,在无损电路中。S 11和S 21之间存在关系:
从前面的图中,我们可以计算出S 21的值:

如果:

然后:

S 21本身并不是真正的值,但是我们仍然可以使用它。计算S 21的值(向下降低3 dB)意味着乘以1 /√2:

现在我们回到S 11:

或-0.748 dB。
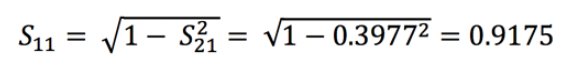
如果我们从较早的测量结果的最小值的每一边都找到了S 11的值,则结果如图5所示。
从所示的三个频率,我们可以计算Q因子:

该结果非常接近于19.2的计算值。
因此,通过相对简单的计算,就可以仅通过回波损耗测量来确定谐振器的Q因子。
编辑:hfy