时间:2020-05-02 16:36
人气:
作者:admin
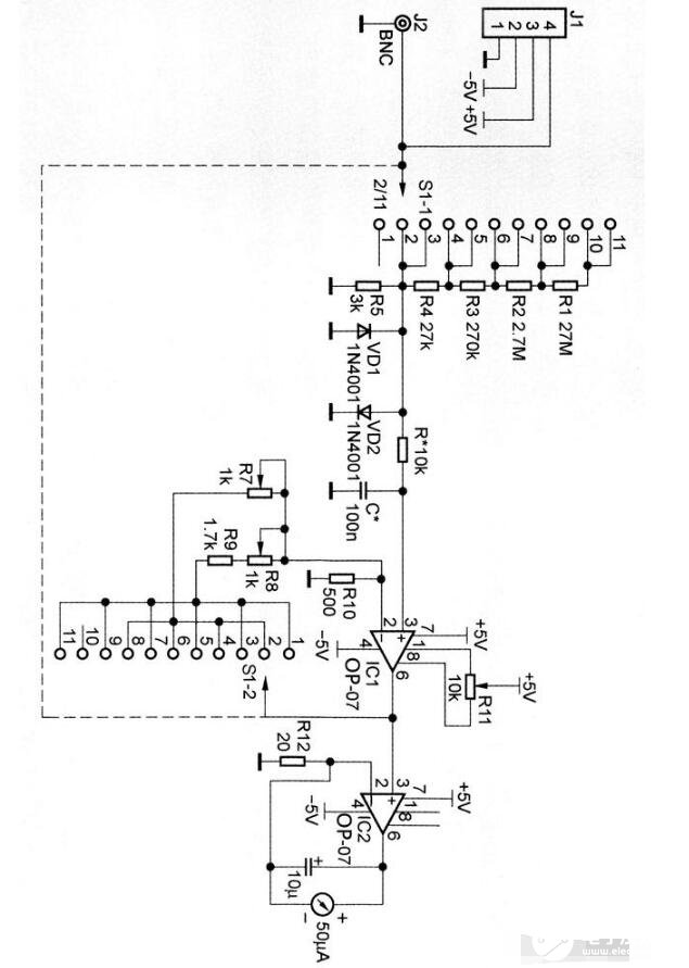
现在的万用表,已经能应对大多数测量了。但是对于玩无线电,测量毫伏甚至微伏的信号,就力不从心了。下图是一个毫伏表电路图:

这个毫伏表电路,是考虑了未来可以扩展的情况,比如增加,射频、视频、射频功率等探头,来对测量功能进行扩展。
电路要做到最小量程为直流300uV,那么对于直流漂移、交流干扰、内部噪声,都是要考虑的。
对于运放,暂不考虑ICL7650这类自动稳零的运放,使用廉价的OP07,输入失调电压仅数十微伏,在这里使用已经足够。
由于考虑以后有扩展探头,并且本机通过J1对探头供电,那么J1到电路板地线上的电流引起的压降,就不能忽视,这会引起参考地偏移,满量程是300uV,那么几微伏的电压,就会对测量结果产生影响。
因此整机布线必须单点接地。
然后,对于外界的干扰,比如市电、广播、无线电信号,要抵抗这些干扰,输入端必须增加低通滤波器,如上图的R*和C*,滤除输入的任何交流信号。
再有,整个电路,不能有非线性部分,大多数毫伏表,都会使用全波整流后在驱动表头,整流电路是非线性元件,会引入偏差,因此这里直接用运放驱动表头。
上一篇:射频探头电路图分享
下一篇:拉力试验机的常见故障及解决办法