时间:2009-08-19 15:52
人气:
作者:admin
摩托车巧加继电器切换照明电路
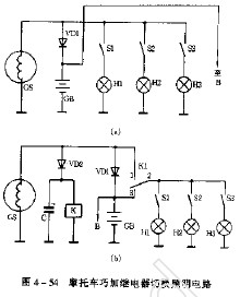
摩托车的喇叭、转向灯、刹车灯一般是由继电器GB供电,而大灯H1、尾灯H2、夜行灯H3等,均由磁电机GS供电,参见图4-54(a)。所以,在摩托车发动机停转时这些灯均熄灭,夜间停车停车时就无停车标志灯。
为了克服上述弊端,对电路进行了改动。增设了一只继电器,使停车、发动机停转时用蓄电池给大灯、尾灯和夜行灯供电,而发动机发动后仍可由磁电机GS供电,电路见图4-54(b).在磁电机GS的输出端接一只二极管VD2,其整流电压经电容器,C滤波后为继电器K提供了工作电流。摩托车发动,GS输出电压时,K吸合,其触点动作,①、②接通,大灯H2、尾灯H2、夜行灯H3由GS供电;当发电机停转时,K失去可电流电压,而蓄电池GB又因VD1反向截止不能为K提供电源,所以继电器K释放,其触点就能恢复常闭状态,②、③接通,蓄电池GB为H1~H3提供电源。S1、S2、S3分别为大灯开关、尾灯开关、夜行灯开关。
元件选择:VD1用2CP1或1N4001;C用CD11-25V-220μF电解电容器;K用J2X-2F小型中功率继电器,其线圈额定电压视摩托车工作电压而定。触点可并联使用,以增大触头容量。

[责任编辑:小敏]--如须转载,请注明来至--www.elecfans.com
上一篇:自行车稳压照明灯电路图
下一篇:巧加电话键盘照明灯