时间:2009-05-14 20:44
人气:
作者:admin

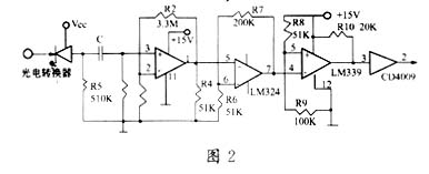
为判断油罐是进油还是出油,需要产生两路光信号:基准和比较信号。两路光电转换及放大电路完全一样,但光信号的延时不一样,光信号通过光电转换器变为电信号,经过两级放大与校准变成TTL电平送到数据处理设备。图3是进出油时所观察到的波形图。随着齿轮的转动,电路会输出一连串脉冲信号,齿轮转得越快,脉冲频率越高,油量变化就越快。也就是说,齿轮转动一格,电路就会输出一个脉冲信号,即表示油库油量上升或下降一格所代表的距离。下面要介绍的数据处理电路的作用主要是精 确统计放大电路输出的脉冲个数,然后通过转换电路将脉冲数转换为油库对应的高度。
2 数据处理电路的硬件设计
数据处理电路是整个系统的核心部分,全部电路集成在一片可编程逻辑器件EPLD内,器件使用Altera公司生产的EPM7000系列。该芯片主要特点是体积小,价格便宜,引脚选择灵活,内部包含3000个有效门,特别适合中小规模电路的设计。在具体设计过程中,用Altera公司的开发软件MAX+PLUSII将待设计的电路用VHDL语言或电路图方式进行描述并输入,由软件自动编译、布局和布线,生成可编程POF文件和SNF仿真文件,待仿真结果正确以后就可以通过编程器将编程文件加载到EPLD内。
本电路的主要功能为:估计输入信号的时钟频率,选择合适的时钟分频信号,对两路输入信号进行同步整形,消除边缘效应引起的毛刺,避免因毛刺而引起的对脉冲数统计的误差。对输入信号进行识别,根据比较信号对基准信号的延迟不同,判断电路工作在1、2模式,还是1、3模式。如果工作在1、2模式,计数器正向计数;如果工作在1、3模式,计数器反向计数;如果输入为一恒定电平,计数器处于保持状态。最后,将计数器结果输出到液晶显示模块或计算机中。图4是数据处理框图。


整形识别电路设计得好/坏直接关系到整个系统的性能指标。在设计整形识别电路之前,我们对油库工作情况进行了分析。由于油罐体积一般比较大,所以进油、出油的速度比较慢,我们曾经用水代替油做过模拟实验,光信号变为脉冲电信号的周期一般都在500ms以上,在如此长周期的信号中会伴随着出现一些大毛刺,(实测最大的毛刺宽度为2ms),如果用此信号作为计数器计数时钟,会给系统带来很大误差。考虑到毛刺多出现在上升沿或下降沿阶段,可以选择用500μs时钟对输入信号进行锁存,这样,一可起同步作用,二可以消除一些小的毛刺,剩下的毛刺就是大于500μs的毛刺,然后用此信号作为161计数器的清零信号,用500μs时钟作为161计数器的计数时钟,按图5所连即可消除前沿和后沿2ms的干扰脉冲。将整形后的两路信号送到识别电