全球最实用的IT互联网信息网站!
AI人工智能P2P分享&下载搜索网页发布信息网站地图
时间:2009-05-19 13:55
人气:
作者:admin
标签: 电路图
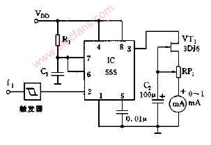
表头频率计电路图
上一篇:555单稳电路用作电容表或电阻表电路图
下一篇:表头式电容测试仪电路图
UV Test®荧光/紫外老化试验箱40瓦紫外荧光
宏展科技|冷热冲击试验箱的性能特点有哪
替代水浸泡水法,气密性检测仪成产品防
高温热重分析仪是什么
示波器怎么看峰峰值呢?
输出过冲原因及改善措施
CPU | 内存 | 硬盘 | 显卡 | 显示器 | 主板 | 电源 | 键鼠 | 网站地图
Copyright © 2025-2035 诺佳网 版权所有 备案号:赣ICP备2025066733号 本站资料均来源互联网收集整理,作品版权归作者所有,如果侵犯了您的版权,请跟我们联系。