时间:2009-07-10 08:57
人气:
作者:admin
双踪示波器使用
017C(YB4242型)双踪示波器使用
一 、实验目的
学会正确使用YB4242 双踪示波器,EM1635函数发生器,电子管毫伏表。
二、 试验原理
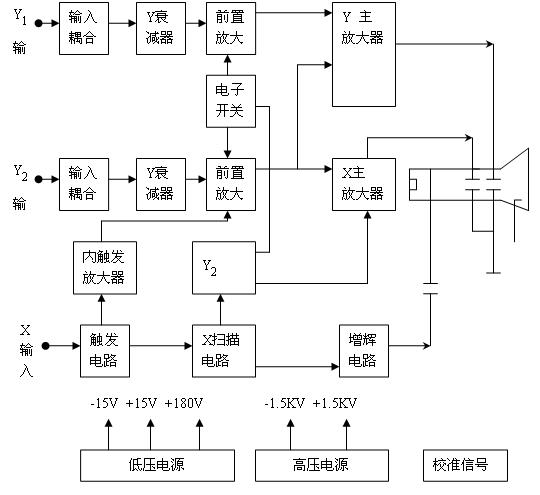
整机方框图如图2-1-1所示。
图2-1-1 示波器整机原理框图

YB4242( SR-017C)型示波器是高灵敏度,慢扫描,双踪示波器。他具有DC-7MHz的带宽,并具有x-y显示功能。机能有1KHz方波标准信号,以满足在定量测试时校准偏转灵敏度和扫描之用。
电路结构主要由:双通道Y轴放大器,触发电路,扫描电路,增辉电路,X放大器,电子开关,标准信号,显示部分,高低电源等单元所组成。
输入信号经衰减器至Y1(Y2)的输入端经前置发大器后,借助电子开关的作用。可以控制任意两个通道的工作状态,经Y主放大器(有相以补偿和高频增益补偿作用)展宽频带后,其输出加到Y轴偏转板上。
Y2通道的前置放大器设有极性转化装置,与电子开关配合可以显示两个通道被测信号的或波。Y2通道的一部分被测信号,同时送到内部触发发大器进行放大,作为“Y2”通道触发的信号源。
具有X-Y显示功能:当Y2 (X)被拉出时,扫描电压被断开,Y2前置放大器为成为X轴前置放大器,Y2位移成为X位移,此时,本仪器成为X—Y显示器(电子开关及扫描系统全部停止工作)。当触发源选择开关在“外”的位置时,触发信号由外触发插座输入;在“内”和“电视”位置时,触发信号来自被测信号的一部分。
触发信号送到触发电路经整形微分电路后,取其负脉冲触发扫描电路,使其产生锯齿波信号,这个信号分两路,一路送X放大器,经放大后加到一对X 偏转板上,另一路送增辉电路。
仪器设有标准信号发生器,产生1KHz的矩形波,用以检查和校准Y轴灵敏度和扫描速度。仪器所需低压电源,由电子稳压器供给。仪器的高压电源,由高频高压发生器供给。
三、实验设备
示波器 一台
直流稳压电源 一台
函数发生器 一台
交流毫伏表 一台
四、实验前预习
1.预习指导书第一节 SR—017C双踪示波器
预习指导书第四节 EM 1635 函数发生器
预习指导书第五节 电子电压表
预习指导书第六节 直流稳压电源
预习指导书第七节 示波器工作原理
2.示波器测试波形时,应怎样调节才能使波形稳定?
3.对所使用的示波器,怎样读取被测波形的幅度和周期?
4.对使用的交流毫伏表如何进行零点校准?如何进行正确的使用和测量?
5.使用示波器进行波形测量时,如果出现图2-1-2所示的波形,试分析是由什么原因产生的?应调节示波器的那些旋钮才能 使波形稳定下来?
五、实验内容与步骤
1.检查示波器是否有两条扫描线
A.打开电源开关,指示应亮,预热三分钟,将面板上的旋钮置于下列位置:“⊥”;“交替”;“自激”;“+”;“电视”或“内”;扫描开关放在快扫描的位置。
B.观察光迹偏离位置,根据箭头所指的方向调节Y1,Y2,X位移旋钮。
C.为了使扫描线清晰,刻调节辉度、聚焦、辅助聚焦等旋钮。
2.观察波形,并测量波形的周期、频率和幅度。
A.用示波器观察EM 1635 函数发生器的输出波形,选频率为1KHz的正弦信号,用GB-9B交流毫伏表或DA-16交流毫伏表测量函数发生器的输出,调节“输出旋钮”(AMPLITUDE),使交流毫伏表指示为3V,将函数发生器的输出与示波器Y1,Y2 通道输入相连接,调节“电平”旋钮,改变 扫描时间,调出4~5个稳定的波形。再将方式选择开关置“交替”、“Y1”、“Y1,+Y2 ”、“Y2 ”、“断续”,并记录旋钮再以上五种位置的波形。(注意:将Y2 极性开关放在使Y1+Y2 =2Y2 的位置)
B.用EM 1635 函数发生器输出频率为2kHz、幅度为6Vp-p的正弦波,用示波器测量它的周期、频率和幅度值。并用交流毫伏表监视EM 1635 函数发生器的输出,结果填表2-1-1。
表2-1-1
3.直流电压测量。测量JW-221双路直流稳压电源的6V、12V、18V三种 情况下的电压。计算相对误差,列表表示。(测试方法见第一部分第一节,三、使用方法四)
4.电子管交流毫伏表的使用。该仪表是一种专测正弦电压有效值的议器,它有高的输入及低的输动阻抗,因此对被测量的量影响很小。
为降低测量误差和干扰,当和电路连接时应使是伏表的“地线“接线柱与被测电路的低 电位点相连.电路的高电位点与毫伏表的“红”(接线柱相连。拆线时,则相反,这样可以避免打环表针。
先将“量程”开关转置 300 V档。然后接通电源预热 3 miin以上。将电子管毫伏表的“输人”端用导线短接,接着将“量程”开关转至所需要测量的范围栏上。调节“零点调整”电位器使表针指示为零。紧接着将“量程”转换开关转置300 V档,才能拆除输入短路线。观察50Hz交流于扰电压对毫仪表的影响;当毫伏表的输入端开路时,将量程开关由300档慢慢的转向低档时,观察表针的变化;用手靠近输入端时;再观察指针的变化。观察完后,将“转换开关”立即转回 300 V档”。
怎样读数,“量程开关”指到“l”打头的档上。读表盘上面刻度值。“量程开关”指到“3” 打头的档上,读表盘下面刻度值。
六、注意事项
1.使用时不要把“辉度”调得太亮,也不要使光点长久停在一点上。
2.暂不使用时,可不必关断电源,只需把辉度调暗一些。
七、实验开拓内容
l .应用李沙育图形来测定信号频率,其测试线路如图2-1-3(测试原理见第一节SR—071C双踪示波在使用),被测信号频率 , , 为己知信号频率, 和 为横割线和纵割线与李沙育图形交点。
2. 应用李沙育图形测定两正弦波形的相位差。如图2-1-4所示利用移相网络产生具有相位差的两个正弦波信号。此时相位差计算方法可参阅第一节SR—07IC双踪示波器。
八、实验报告
归纳示波器的使用要点及测量周期、频率、有效值的方法。报告所测各结果。并进行误差分析。

图2-1-3 用李沙育图形测信号频率 
图2-1-4 用李沙育图形测相位差
2. SS—5702型示波器的使用
一. 实验目的
学会正确使用SS—5702型示波器.
二. 实验原理
SS—5702型双踪示波器原理方框图如图2-1-5所示。

图2-1-5 SS—5702型双踪示波器原理方框图
SS—5702型双踪示波器,是由双通道前置放大器、主放大器、触发放大器、触发信号
生器、扫描发生器、水平放大器、校准器、电源和阴极射线管等组成。
输入信号经衰减器、前置发大器和主发大器, 加至示波管一对垂直偏转板上, 偏转电子束。同时从前置放大器取出部分信号加至触发放大器,经放大后送至触发信号发生器, 然后再去触发扫描发生器, 产生锯齿波信号, 经水平放大器放大后加到示波管的一水平偏转板上使电子束水平偏转。
另外从扫描发生器和水平放大器取出的信号加到Z轴放大器上, 分别控制示波管的栅极和阴极, 实现增辉和消隐。
校正器是产生一个幅度精确的方波信号, 用于校正Y轴灵敏度和扫描速度及探头的补偿.电源是供给各电路工作用。
三.实验设备
1.SS—5702型示波器 一台
2.数字函数发生器 一台
3.DA—16型晶体管毫伏表 一台
4.HT—1713C型直流稳压电源 一台
5.RX7—0型十进制电容箱 一个
6.ZX21型可调电阻箱 一个
四.实验前预习 第一部分第2.6节
五.实验内容与步骤
1.示波器预调
按下“POWER ON”指示灯亮, 调节下列旋钮:
Y,X“POSITION”均置中间;“YMODE,VMODE”置CHI;“AC GND, DC”置DC;“VOLTS/DIV”置5mV/DIV, “VARIABLE”置CAL;“TIME/DIV”置0.5ms/DIV,“VARIABLE”置CAL;“SWEEP MODE”置AUTO;“COUPLING”置AC(EXT DC);“SOURCE”置CHI;“INTER”调适当;“FOCUS”调出细而清晰的扫描线。
2.输入校正信号
用附带的输入电缆线探头将“CAL OUT 0.3V”连接到CHI通道“INPUT”,探头衰减比开关置“X10”;调节“LEVESLOPE”旋钮, 使波形稳定在荧光屏上,并显示出高度为六格的方波波形。
3.测量直流电压
例如测量15V直流电压。
先将“AC,GND,DC”开关置DC;“VOLTS/DIV”置0.5V/DIV,“VARIABLE”乃置CAL。将被测量的15V直流电压通过探头(X10)加至CHI通道“INPUT”,这时看到扫描线上移3格。计算公式如下:
U=V/DIV×H(格数)×10(探头衰减) (2-1-1)
4.测量交流电压
将“AC,GND,DC”开关置AC;“VOLTS/DIV”置1V/DIV,“VARIABLE”乃置CAL;“SWEEP MODE”置AUTO;“TIME/DIV”置0.5ms/DIV,“VARIABLE”置CAL.用晶体管毫伏表测量数字函数发生器输出U=1V,f=1 000HZ的正弦信号,通过探头(×1)送至CH1通道“INPUT”。屏幕显示出正弦波, 若波形不稳定, 调节“LEVEL SLOPE”旋钮使之稳定。再调节CH1通道“POSITIN”使波形置在中间刻度线上,读波形峰值在Y轴方向所占的格数H,则:
Up-p=1V/DIV×H(格数)×1(探头衰减)
5.测量时间和频率
保持“测量交流电压”各旋钮的位置不变,读波形在X轴方向上一个周期所占的格数D,与扫描时间指示值的乘积, 得:
T=0.5ms/DIV×D(格) (2-1-2)
f= (2-1-3)
6.测量相位差
用电阻箱和电容箱连接成2-2电路。在图2-2输入端加U=1V,f=1 000HZ的正弦信号。将示波器CH1和CH2通道的输入电缆线(带探头)分别接到图2-1-6的输入和输出端。调节示波器各有关旋钮,使屏幕显示出的幅度及波形个数适当而稳定清晰的波形,并使二波形的基线与屏幕坐标轴的横轴重合。显示波形如图2-1-7所示。然后读出波形一个周期T在横轴长度上所占的大格数, 再读出二波形之间过零点的间隔τ , 则相位差为:
7.观察波形
将CH1和CH2通道的“AC,GND, DC”开关均置AC;“VOLTDS/DIV”均置2V/DIV,“VARIABLE”乃置CAL;“Y MODE”置DUAL;“SWEEP MODE”乃置AUTO;“TIME/DIV”置0.5ms/DIV,“VARIABLE”置CAL。调数字函数发生器输出为2V,1 000Hz的正弦信号通过探头(×1)同时送入CH1和CH2通道, 观察屏幕显示同相位的两个正弦波形。若将“Y MODE”置ADD, 可以看到两个正弦波相加的波形, 若再接下“POLARITY INV”按钮则两个波形相减, 显示近似一条扫描线。如果两通道的信号幅度不等, 可得到相减得正弦波形。
六.注意事项
1.示波器荧光屏上不能长时间显示光点或扫迹, 会引起示波管荧光涂层灼伤。
2.辉度要适当, 不能过亮, 否则会使操作者刺眼。
3.探头使用时, 不能用力拉扯, 以免损坏。
4.示波器面板上各旋钮及开关,尽量减少拨动次数, 以免缩短寿命。
5.数字函数发生器及直流稳压电源输出端不能短路, 否则仪器内部元件烧坏。
6.晶体管毫伏表通电前, 量程转换开关应置3V档以上, 以防表针打弯。 测量前应校对零点。
七.实验报告
1.将直流,交流电压及时间频率和相位的测量结果整理好, 并与理论值进行比较、分析。
2.用晶体管毫伏表测量数字函数发生器输出电压2V, 用示波器再去测量数字函数发生器输出电压两者不相等, 为什么? 它们之间存在什么关系?
3.说明下列各开关所在位置的作用
(1)AC, GND, DC。
(2)CH1,CH2,DUAL,ADD。
(3)AUTO,NORM。
(4)触发源CH1,CH2。
下一篇:EWB中双踪示波器的使用