时间:2009-02-08 11:00
人气:
作者:admin
热插拔PCI电源控制器MIC2580的应用
MIC2580是MICREL公司2000年7月推出的新产品,是一种适用于PCI热插拔系统及Compact PCITM热插拔系统的电源控制器。该器件主要特点有:可对+3.3V、+5V及±12V电源进行控制;有电路断路器功能来保护系统;有折返电流限制(一种超过阈值电流后自动减小电流的保护功能);+5V及+3.3V电源的阈值电流可设定;有欠压及过流诊断输出;在诊断故障输出中有尖脉冲滤波器;内部有±12V的MOSFET开关;为驱动外部3.3V及5V电源的MOSFET,内部集成了高端驱动器;对于Compact PCITM的I/O终端可预充电。
MIC2580的管脚功能与主要参数特性
MIC2580是24管脚TSSOP封装的器件,各管脚功能如表1所示,主要参数特性如表2所示。
功能简介
1. 启动顺序
当ON处于低电平及四个电源都连接到输入端时,开始启动。四个电源的栅极电压按斜坡上升,上升率取决于外接电容CSLEW值。当四个电源的电压在特性范围内,PWRGD输出低电平,表示电源工作状态良好。经tREST后,POR升为高电平,其定时时间取决于外接电容CRST。
2. 过流检测
5V及3.3V电源的过流是由外接电流检测电阻RSENSE的压降来检测的。最大的允许压降为50mV,则限制电流ILIMIT与RSENSE的关系为:
对于+12V及-12V电源是由内部过流检测及限制电流决定,+12V是1.3A,-12V是0.5A。当检测到过流时,经过10μs后,FAULT输出为低电平,并且四个电源都无输出。如5V电源有短路故障时,5VOUT、3VOUT、12VOUT、M12VOUT输出均为0V,PWRGD输出高电平,FAULT输出低电平,经过一段时间,电路断路器复位,同时FAULT输出高电平。当故障排除后,需重新启动(加复位信号)才能使电路恢复正常。
3. 预充电电压
在CompactPCI应用中,MIC2580-1.0集成了一个1V±20%的电压源,可满足Compact PCI预充电需要。该电压源可提供10mA电流。需要更高的电流时可采用MIC2580-1.6,它集成了一个1.6V±20%的电源,可用于偏置一个NPN三极管,提供大于的10mA电流,如图1所示。
4. 关断

当ON为高电平时,四个电源都关闭。
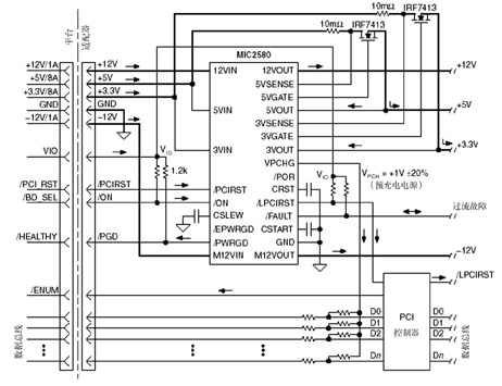
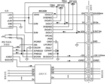
应用电路

MIC2580典型应用电路如图2及图3所示。图2是Compact PCITM适应器的应用电路,图3是热插拔PCI的应用电路。