时间:2008-11-26 18:36
人气:
作者:admin
示波器的差分信号测量
初步介绍差分测量、放大器类型、应用及怎样避免常见错误

当存在500 mVp-p、60 Hz 的共模噪声时,使用传统示波器探头不能测量模拟的4 mVp-p心跳波形(上图)。差分放大器则可以从噪声中提取信号。
引论
所有测量都是两点测量
人们一直在一条电路的两点之间测量电压,不管是使用电压表还是使用示波器。当示波器探头接触电路中的一点时,即使没有连接地线,通常也会在显示器上出现波形。在这种情况下,测量的参考点是经过示波器机箱的安全接地通往电路中的电气地。
数字电压表通过两个探头测量两点之间的电位。由于这两个探头是彼此隔离的,因此这两点可以位于电路中任何地方。但情况并不总是如此。在数字电压表出现前,人们使用VOM(万用表)手持式仪表测量“浮动”电路。由于这些仪表是无源的,因此它们往往会给被测电路带来负荷。使用高阻抗VTVM(真空管电压表),可以执行侵入性较小的测量。VTVM 有一个重大的局限性,即其测量总是以地为参考点。VTVM外壳接地,并连接到参考引线上。由于固态增益电路的问世,高性能电压表可以与地线隔离,从而可以执行浮动测量。
目前的大多数示波器,如老式VTVM,只能测量以大地为参考点的电压,地线则连接到示波器机箱上。这称为“单端”测量,探头地线提供了参考通路。遗憾的是,有时这种局限性会降低测量的完整性,或不可能进行测量。
如果被测电压位于两个电路节点之间而且这两点均未接地,那就不能使用传统的示波器探测技术。常见的实例是测量开关电源中的栅极驱动信号(参见图1)。
像普通电话线路中的那种平衡信号(在两条引线之间,且没有地回路)是不能直接测量的。我们将会看到,甚至某些“以地为参考”的信号也不能如实地使用单端技术来测量。
如果地线不成其为地线
我们都听说过“接地环路”,书本上教我们避免“接地环路”。但接地环路是怎样破坏示波器测量的呢?当两条或多条单独的接地通路聚结于两点或多点时,将会产生接地环路。其结果是导体连成了一个环。当出现变化的磁场时,这个环就成了变压器的次级,其本质是一个短路线匝。在其附近传送非直流电流的任何导体都可以产生激励这个变压器的磁场。主配线中的交流线电压、甚至数字集成电路的输出引线,都可能产生这种激励。在环路中循环的电流会在环路内任何阻抗的两端产生电压。这样,在任何给定的瞬间,接地环路中的不同点将不处在同一电位。把示波器探头的地线连接到被测电路的地上,如果电路“接地”到大地,就会形成接地环路(参见图2)。循环电流作用在探头通路内部的阻抗上会在其中产生电压电位。
图1. 在测试点TP1 和TP2 之间测量开关电源中的栅极驱动信号。两点都没有接地。
图2. 示波器探头形成的接地环路。示波器的金属机箱和被测器件连接到安全地和内部电源公用线上。示波器探头地则通过输入端BNC 连接器连接到示波器机箱上。
这样,示波器输入端BNC 连接器上的“地”电位就不同于被测电路中的地电位(也就是说“地线不成其为地线”)。这种电位差可以是几微伏,也可以高达几百毫伏。由于示波器以输入端BNC 连接器外壳作为测量参考点,故显示的波形可能并不代表探头输入端上的实际信号。当被测信号的幅度下降时,误差会变得更加明显,这在传感器和生物医学测量中十分常见。
在这些情况下,人们经常会去掉探头的接地线。只有在测量频率极低的信号时,这种方法才有效。在较高的频率上,探头开始在信号中增加因谐振电路(由触点电容和屏蔽电感组成)产生的“环”(参见图3)。(正因为如此,您永远要使用尽可能短的地线。)

图3. 探头触点电容和接地电感形成的串联谐振电路。
我们现在遇到了一种两难的情况:造成接地环路,在测量中增加误差;或去掉探头地线,在波形中增加环!为了断开接地环路而经常试用的第二种方法是“浮动”示波器或“浮动”被测电路。“浮动”是指在被测设备上或在示波器上使安全接地的导线开路从而断开与大地的连接。浮动示波器或浮动被测设备(DUT)之后,便可利用短地线使环达到最小,而且不会产生接地环路。
这种作法本身具有危险性,因为在主配线发生短路时,它会使电击保护措施失效。(某些专用电池操作的便携式示波器采用绝缘材料,可以安全进行浮动测量。) 在严格接地的示波器(或被测设备)的电源线中放一个合适的接地故障断路器(GFCI),可以恢复操作人员的安全。但要知道,如果没有低阻抗的接地连接,示波器的放射辐射和传导辐射现在可能会超过政府标准,也会给测量本身造成干扰。在较高的频率上,断开接地线也不可能打破接地环路,因为“浮动”电路实际上通过杂散电容耦合到大地(参见图4)。

图4. 使用接地的示波器探测“浮动的”电池供电手机。手机电路和钢制工作台构架之间的电容对高频率构成了虚拟接地环路。即使测量系统没有引入接地环路,被测设备内部仍可能存在“地线不成其为地线”的综合症(参见图5)。大的静态电流和高频电流作用在设备接地通路中的电阻性元件和电感性元件上便产生了电压梯度。在这种情况下,电路中某一点的“地”电位将不同于另一点的“地”电位。
图5. 接地布线系统中的微小寄生电感和电阻导致VG ≠ V’G。
例如,系统中高增益放大器的输入端的地与电源的“地”电位相差几毫伏。为了精确地测量放大器所看到的输入信号,探头必须参考放大器输入端的地。这些效应多年来一直是灵敏模拟系统的设计人员所面临的挑战。在快速数字系统中也有同样的效应。接地布线系统中的微小电感可能会在其两端产生电位,导致“地面反跳”。检修受到接地电压梯度影响的系统是非常困难的,因为设计人员不能真正查看各个器件所“看到”的信号。把示波器探头地线连接到器件的“接地”点上,会导致不确定性,这些不确定性使新通路的影响添加到接地梯度中。在连接探头地线时,如果电路中的问题变好(或变差),则表明确实发生了变化。我们真正需要的是一种能够用示波器测量可疑器件输入端上的实际信号的方法。
通过使用适当的差分放大器、探头或隔离器,可以执行精确的两点示波器测量,而不会引入接地环路或使测量失败、扰乱被测器件或使用户面临电击危险。
市场上为示波器提供了多种差分放大器和隔离系统,每一种都针对特定的一类测量进行了优化。为了选择合适的解决方案,必需理解各种术语。
差分测量基础
差分测量概述
理想的差分放大器放大两个输入端之间的“差”信号,而且会彻底抑制两个输入端共用的任何电压(参见图6)。其转换公式是:
VO = AV( V+in - V-in)
其中VO 参考大地电位。
受关注的电压,或差信号,称之为差分电压或差模信号,表示为VDM(VDM 就是上述转换公式中的V+in - V-in)。
两个输入端共用的电压称为共模电压,用VCM表示。差分放大器忽略VCM的特性称为共模抑制或CMR。理想的差分放大器会抑制所有的共模成分,不管其幅度和频率是多少。

图6. 差分放大器
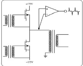
在图7中,差分放大器用于测量逆变器电路中上部的MOSFET(场效应管)栅极驱动信号。随着MOSFET 的通和断,源极电压从正的电源汇流条摆到负的电源汇流条。变压器可以使栅极信号以源极为参考点。差分放大器允许示波器以足够的分辨率(如2 V/ 分度)测量实际VG S 信号(摆幅为几伏),同时抑制几百伏的源极到地的跃迁。
共模抑制比(CMRR)
差分放大器的实际实现方案并不能抑制所有的共模信号。少量共模信号将作为误差信号出现在输出中,无法从预期的差分信号中辨别出来。衡量差分放大器消除不希望的共模信号的能力,称为共模抑制比或简写为CMRR。CMRR的真正定义是“差模增益除以相对于输入的共模增益”:
CMRR =ADM / ACM

图7. 用来测量逆变器桥电路中上部晶体管的栅极- 源极电压的差分放大器。注意在测量过程中,源极电位变化了350V。

图8. CMRR为10,000:1的差分放大器的共模误差。

图9. 对共模抑制进行试验测试。由同一点驱动两个输入端。残留的共模出现在输出端。此项测试没有发现不同的源极阻抗的影响。
这是在实际测量环境中确定共模抑制误差范围的一种便利的测试方法。但有一种效应是这个测试没有捕获到的。两个输入端接到同一点上,在放大器看来驱动阻抗没有差别。这种情况会产生最佳的CMRR。当差分放大器的两个输入端是由差别明显的源极阻抗驱动时,CMRR 值会降低。这种效应的详情将在以后讨论(参见第13 页输入阻抗对CMRR 的影响)。
其他指标参数
差模范围相当于放大器或单端示波器输入端的输入范围指标。超出此范围的输入电压将使放大器受到过渡驱动,导致输出被削波或非线性失真。
共模范围是放大器能够抑制共模信号的电压窗口。共模范围通常大于或等于差模范围。共模范围有可能随着放大器增益的不同设置而改变,这取决于放大器的拓扑。超出放大器的共模范围可以在输出端导致各种结果。在有些情况下,输出波形未被削波,可以生成与真实的输入信号非常近似的输出波形,但有一些附加的偏移。这时显示的波形与期望的波形非常接近,足以让用户毫不迟疑地接受。在进行差分测量前先检验共模信号是否处于可接受的共模范围之内,总不失为一个好方法。
最大共模转换速率适用于某些差分放大器和大多数隔离器。这项指标常令人困惑但却非常重要。一部分困惑缘自仪器制造商之间缺少标准的定义。而且不同的放大器和隔离器在超出最大共模转换速率时的表现也不尽相同。最大共模转换速率实质上是对CMRR 指标的补充。本指标的单位一般为kV/μs。
有些类型的差分放大器也像其他放大器一样,在超出小信号的带宽指标之前就超出了大信号转换速率的限制。当差分放大器一端或两端被驱动到转换速率的极限时,共模抑制就会急剧降低。与CMRR 不同的是,最大转换速率并不意味着输出端共模馈通量的增加。一旦超过了最大共模转换速率,一切均无从谈起- 输出就像被钳位在一个电源汇流条上。
但是对于隔离器来说,这种影响表现得为更加渐进- 就像差分放大器中的CMR一样。随着共模转换速率的增加(与频率相对),有更多的共模成分“馈通”到输出端。这个指标从直觉上表示的是在输出端出现已知的馈通量时的最大共模转换速率。需要注意的是,某些隔离器的共模转换速率实际上就是最大非破坏性极限。这一点非常重要。当转换速率比最大指标低得多时,进行有意义的测量的能力将会受损。在使用隔离器时,最好能在重要的测量之前先测试共模馈通。这很容易做到,只需在探头触点和参考线上都用同一共模信号驱动并观察输出信号。
差分放大器和探头的类型
内置差分放大器。很多示波器都能够用内置的功能进行最简单的差分测量。这种方式叫做“chanel A - chanel B”(通道A 减通道B)方式或者“准差分”方式。虽然性能上受到限制,这项技术还是适合一些测量的需求的。为了进行差分测量,要使用两个垂直通道,一个用于正输入,一个用于负输入。用于负输入的通道被设置成反转方式,显示方式则设置为“ADD Channel A + Channel B”(通道A 加通道B)。为了正常工作,两个输入必须设定在相同的标度系数,两个输入探头也必须是同型号的。现在显示器上出现的就是两个输入端的差电压。
为了获得最大的CMRR,两个通道的增益应当匹配。这不难做到,只须将两个探头连接到方波信号源并使信号源的振幅保持在设定的“电压/ 分度”的动态范围之内(大约±6 分度)。将一个通道的增益方式设置为“uncalibrated - variable”(非校准-可变),并调节可变增益控制旋钮直到显示的波形成为平直的轨迹。这项技术的主要局限性在于其共模范围比较小,这是示波器垂直通道的动态范围造成的。一般来说,其值小于“电压/分度”设定值的10 倍(相对于地)。只要VCM > VDM,获得了差分结果的这种工作方式就可以认为是从两个大电压中提取了小差值。
在模拟信号数字化以后,大多数数字存储示波器是在数字域中完成波形的数学分析。在减掉了共模信号之后,模数转换器有限的分辨率常常不适于检查所得到的差分信号。由于两个通道的交流增益没有精确地匹配,高频的CMRR 相当低劣。
这项技术适用于共模信号的振幅等于或低于差模信号,以及共模成分为直流或低频(如50 或60 Hz 的供电线)的情况。在测量中等幅度的信号时,这项技术可以有效地消除接地环路。
高电压差分探头。最近,市场上出现了高电压有源差分探头。一种采用固定衰减(带可变换差分增益)的新的拓扑可以使这些探头在所有的增益设置上保持其全部的共模范围。这种单一的衰减器大大降低了复杂程度从而减少了用户的成本。
这种探头为测量线连电路(通常用于开关电源、功率变换器、电动机、电灯镇流器等)提供了费用合理而又安全的方法。由于共模范围高达1,000 V,这种探头就不需要极其危险的“浮动示波器”的做法。最近,工作场所意外伤害监控组织,如美国的OSHA(职业安全和健康条例),强化了他们对设备接地的检查,违者将课以高额罚款。
除了安全上的好处之外,这种探头还可改进测量质量。一个明显的好处是能够充分利用示波器的多个通道来同时观察涉及不同电压的多个信号。由于这是真正的差分探头,故两个输入端均为高阻抗,即高电阻和低电容。浮动示波器和隔离器不具有平衡式的输入。参考点(探头上的“接地”夹)有相当大的对地电容。参考点所连接的任何源阻抗在快速共模跃迁过程中都会承受负荷,并使信号衰减。
图10. 即便示波器处于“浮动”状态,寄生电容也会形成交流分压器从而增加测量的误差。注意:回动的探头引线会给栅极增加>100 pF 的电容,有可能破坏电路。
更有甚者,高电容还可能损坏某些电路(参见图10)。将示波器的公共端接到逆变器上部的栅极可以使栅极驱动信号滞后,阻碍器件的关断并破坏输入桥。这种故障通常还会在工作台上出现小火花,很多功率电子器件的设计人员都可以作证。
使用平衡的低输入电容的高压差分探头,可以用任何引线安全地探测电路上的任一点。
高增益差分放大器。高增益差分放大器经常属于外接附件,可以使示波器测量幅度极低的信号,甚至小到几个微伏。为了避免因接地环路和接地梯度效应造成的破坏,这些信号总是以差分方式进行测量的,即便它们是以地为参考。当源不以地为参考时,共模信号可以比有用的差模信号大几个数量级。为了克服这个问题,这些放大器的CMRR值极高,经常达到1,000,000:1 或者更高。
有些高增益放大器还具有可以改善低幅度测量完整性的附加功能。可选的低通滤波功能可以使用户从低频信号中去除频带外噪声。差分偏移功能可用于消除引入到输入配线或传感器桥的偏置电压中的伽伐尼电位。为了能用于高驱动阻抗的信号源,有些型号还允许用户将输入设定在几乎无限大的阻抗上。
对任何差分放大器来说,通道增益最轻微的不匹配都会使放大器的高CMRR值大大降低。当应用中需要使用示波器探头时,只能使用相同的非衰减模式(1X),因为衰减的探头可能匹配得不够好,不足以保持CMRR 值。
高性能差分放大器。带有插入式放大器的示波器的出现使得高性能差分放大器的使用成为可能。这种放大器综合了许多特性,适合于多种应用。校准的偏压补偿可以使该放大器用于单端模式,其轨迹可以参考距地几千个分度的位置。
这样就有可能精确地测量电源中的波纹谷值以及功率放大器的净空度。最先进的高速钳位电路能使放大器从超标几百倍的输入过载中迅速恢复。这就提供了直接测量放大器和DAC电路的稳定时间的可能性。
这种放大器的特点是带宽指标高达100 MHz以上,CMRR特性也很好。但是CMRR 指标是在两个输入端直接连在一起而且用低阻抗信号源驱动的情况下获得的。在实际应用中,信号源阻抗和通道增益的差异会使高频时CMRR 值明显降低。
差分无源探头。为了尽量减少性能的退化,这些放大器只能使用特别匹配的差分无源探头。要保证按照探头制造商给出的程序针对该放大器对探头进行单独校准。
高带宽有源差分探头。这种探头在其触点处对信号进行缓冲,以此保持高频CMRR 的质量,故可消除无源探头导致的性能下降问题。这种探头具有高带宽(100 MHz 以上)、高灵敏度,而且有极佳的高频CMRR 性能。这种探头一般用于测量磁盘驱动器的读出电路(其信号本质上是差分信号)。由于在查找地面反跳问题时不会改变接地梯度,这种探头在探查高速数字电路时得到越来越普遍的应用。
电压隔离器。尽管电压隔离器不是真正的差分放大器,但它们提供了安全地测量浮动电压的一种手段。与差分放大器相比,隔离器也有一些折衷的优势,选择哪一种则取决于应用。如其名称所示,隔离器并不直接连接浮动的输入端与接地的输出端。信号的耦合是通过光学方法或多路径的光学/ 变压器方法实现的。其物理配置有两种:集成的单件系统和分立的发送器/ 接收器系统。
发送器与接收器分立的型号是靠光缆相连。发送器由可充电电池供电,可以远离接收器。在信号发源地的环境不适于人或示波器的情况下,这种方式是很有用的。隔离器还可用于极高的共模电压。浮动电压指标通常受手持式探头的绝缘电压的制约。
如果断电的被测设备可以连接探头,则浮动电压只受发送器与地之间的物理间距的限制。
由于隔离器没有对地的电阻性通路,所以在对泄漏电流极为敏感的应用中是一种很好的选择。装有灵敏的GFCI (接地故障断路器)的电路,如医用电子设备,在连接到差分放大器时可能引起GFCI 跳闸。而没有终止于地的衰减器也使隔离器对静态(直流)共模电压具有无限的CMRR。

图11. 隔离外壳产生的不平衡输入电容。由此形成的交流分压器使得探头夹子处的Vref’≠Vref
隔离器的劣势在于它不是真正的差分放大器,也就是说,它的输入是不平衡的(参见图11)。测量(+)输入端和参考(-)输入端对大地的电容差别相当大。这就产生了与前述浮动示波器相同的问题。参考引线的源阻抗在高频段与接地电容形成了一个衰减器。
将参考点连接到电路中驱动阻抗最低的点上(必要时可颠倒示波器的通道以便重新获得正确的极性)即可使这些问题的影响减至最小。如果隔离器的发送器与接收器是分立的,应尽可能将发送器与接地表面相隔离,以便最大限度地减少对地的电容耦合。将隔离器置于纸板箱或木制板条箱内都可以显著改进其性能!
差分测量的应用
功率电子部件
高电压差分放大器是测量线路连接电路的理想的手段,这种电路包括开关电源的原线圈、电动机、电灯镇流器,以及其他类似的系统。这种电路不需要“浮动示波器”这样的危险做法。低的输入电容也不会增加栅极驱动电路的负荷而影响逆变器的运行。
在描述功率开关器件(如MOSFET 和IGBT)的特性时常常要测量动态饱和特性。带有高速输入钳位电路的高性能差分放大器能够精确地测量导通饱和度,即当器件关断时过驱动(满标度的几百倍)之后的几纳秒。这样就可以使用精确测量饱和度特性所需要的高灵敏度。
在测量次级电路时这种放大器也是有用的。通过激活校准的偏压补偿(也叫比较电压),放大器也可用于单端模式以监视波纹谷和线性稳压器的净空度(参见图12)。若将偏压补偿设定到输出电压,则可以在各种动态负荷条件下以高灵敏度直接测量VCE 净空度。
系统功率分配
在开发高精度模拟量、混合信号和高速数字系统时,常常要解决功率分配方面的问题。这种工作可能是设计者最可怕的梦魇。CAD 系统经常也无助于事,因为很难或者根本不可能为引起此类问题的微小的寄生效应建立模型。配备了差分放大器的示波器是追踪和鉴别系统中的故障点的最好工具。
图12. 用校准的偏压补偿精确测量输出稳压器集电极上的电源波纹谷。注意:示波器设定在100 mV/ 分度,地电位在屏幕外61 个分度。

图13. 平衡桥电路中的传感器。在两个分压支路的抽头之间进行差分测量。
单端测量常常将功率分配问题隐藏起来,因为这种测量为被测信号另外提供了接地路径。这不仅使测量发生了变化,而且也常常会影响电路的工作,可能改进也可能降低电路的性能。
将差分探头置于集成电路的电源引线上,可以给出器件电源的真实状况。逻辑器件的引线电感常常使集成电路与局部的旁路电容隔离开来。即便电源看似纯净,接地和电源引脚也可能相对于系统中的其他地线发生漂移。移动探头可以跟踪单个器件的地与系统中其他地之间的动态接地电压梯度。数字系统中的地面反跳效应可能更容易测量。在集成电路的输入引脚及接地引脚之间进行探查就可给出该器件所看到的实际信号的状况。
平衡信号
有些系统使用的信号本质上就是差分信号。当信号两端共有同一的驱动阻抗时就认为这两端是平衡的。平衡系统在专业音频设备、电话和磁记录系统(模拟与数字存储器)中是很普遍的,这里仅给出少数几例。差分信号在高速数字系统中也分布得越来越普遍。如果对这种信号一次测量一端并将结果“相加”,那么这种低效率的尝试充其量是一种容易出错的方法。当只有信号的一端承载探头时能量就经常转移到未被测量的一端。以差分方法测量平衡系统可以得到信号的真实描述。
传感器
差分测量普遍应用于传感器系统。由于信号幅度小,还需要消除接地环路,所以就排除了使用单端测量的可能性。“传感器”一词使人想到了用于测量机械现象的设备,如测量加速度、振动、压力等等。差分测量技术的应用已超出了这一范围,还包括视频和医学成象器、麦克风、化学传感器,等等,不一而足。
电阻值可以发生变化的传感器经常工作在所谓平衡桥的配置中(参见图13)。这种配置是利用三个已知电阻器和传感器构成一对分压器。桥电路电源为这对分压器提供偏压,而在分压器的抽头之间进行差分式的电压测量。这种配置的好处是消除了电源波动的影响。在系统被激励之前,传感器经常生成一个代表其稳态的直流输出电压。为了获得高分辨率,最好是将直流成分去掉。如果需要测量极低的频率成分(<2 Hz),在放大器输入端采用交流耦合是无效的。为了适应这种需求,很多高增益差分放大器都有差分偏移功能。这种功能实际上是在一个输入端串接一个浮动的可调电源,这样就允许放大器保持直流耦合。偏移控制的范围相当大,在较高的增益设置中可达到±100 万分度。
生物物理测量
警告: 不要在人体上接入包括差分放大器在内的任何电子仪器,除非这种仪器是专为人而设计的。合适的设备应被确认符合由所在国批准的专门的法规。
测量神经活动所形成的电信号面临着诸多挑战。这种信号的幅度极低,常常小于1 毫伏。共模成分可能比有用信号大几百倍甚至几千倍。源阻抗也相当高。差分信号通常被高幅度的噪声破坏。所幸的是高增益差分放大器可以用来测量这些信号。1,000,000:1 或者更高的CMRR 指标可以有效地消除共模成分。
为了应付输入信号的高阻抗,可将放大器的输入电阻配置为无限大。(注意:如果标本未经其他设备接地,应当使用通过100kΩ电阻接地的单独的探头以便减少共模范围超载的机会。)皮肤触点一般采用银/ 氯化银电极。这样可以建立与皮肤的离子连接,还可生成半电池电压为400 mV的伽伐尼电池用以给测量加入偏置电压。放大器的差分偏移可用于去除偏压同时又保持低频响应特性。由于大多数生物物理活动发生在20 Hz 以下的频率,可以利用有限带宽滤波器减少高频差分噪声但不会使有用信号发生改变。
维持测量的完整性
测量的误差源
像其他的测量方法一样,差分测量也受到产生误差的条件的制约。这些误差在结果中也许很明显,也许并非显而易见,还有可能被误认为是想要的测量结果。下面将讨论一些比较常见的误差源。为了了解产生误差的原因和避免的方法,首先需要对差分示波器或探头的内部运行情况有一个基本的了解。
系统的核心是差分放大级(参见图14)。其图示符号与运算放大器相同。差分放大器像运算放大器一样可以抑制输入的共模信号而只放大两个输入端的电压差。与运算放大器不同的是,差分放大器具有已知的、有限的增益。在有些配置中,增益可由用户选择。输出是单端的,而且以地为参照。为了获得很高的阻抗,输入部分常采用FET(场效应管)。输入信号可以通过高阻抗的衰减器以便使大信号减小到放大器可以处理的范围。对于衰减器的要求要比单端放大器高得多。两端必须有相同的直流和交流衰减。衰减量的不匹配对CMRR具有第一位的影响。例如,为了保持100,000:1 的CMRR指标,衰减器的匹配度必须好于十万分之一(0.001%);这样就在差分放大器中不给误差留下余地!当然,还需要从信号源开始全程保持这种匹配度。

图14. 带衰减器的差分放大器简图。
输入连接
一般来说,差分放大器或探头与信号源的互连是产生误差的最大来源。为了维持输入的匹配,两个通道应尽可能一样。两个输入端的任何接线的都应长度相同。如果使用探头,其型号与长度也应相同。在测量高共模电压的低频信号时,应避免使用带衰减的探头。在高增益时则完全不能使用这种探头,因为不可能精地平衡它们的衰减量。当高电压或高频率的应用需要衰减时,应使用为差分放大器专门设计的专用无源探头。这种探头具有能精密调整直流衰减和交流补偿的装置。为获得最佳的性能,每一个特定的放大器都应专用一套探头,而且要根据这套探头附带的程序针对该放大器进行校准。
一种常用的方法是将+ 和- 输入缆线成对绞扭在一起。这样可减少拾取线路频率干扰和其他噪声的可能。以间隔方式布线的输入缆线(参见图15)的作用相当于变压器的一个线圈。穿过这个环路的任何交流磁场都会感应出一个电压,此电压作为差分成分出现在放大器的输入端,而且会如实地合计到输出上去!若将输入引线铰接在一起(如图16),则感应电压往往出现在VCM 通道,可以被差分放大器抑制。
在共模信号超量的高频测量中可以将两条输入线绕在铁氧体磁环上而得到改善。这样作可衰减两个输入端共有的高频信号。由于差分信号是在两个方向上穿过磁芯,因此不受影响。
图15. 随时间变化的磁场穿过间隔开的引线时感生出电压,犹如变压器的线圈。此电压作为差分成分输入放大器并累加到真正的VDM 信号- 上。

图16. 将输入引线绞扭在一起,环路面积非常小,故穿过其中的磁场较少。感应电压往往出现在VCM 通道,可以被差分放大器抑制。
接地
大多数差分放大器的输入连接器是外壳接地的BNC连接器。在使用探头或同轴输入线缆连接时,总会有如何接地的问题。由于测量应用千差万别,故没有严格的标准可循。
在测量低频的低电位信号时,地线一般最好是只接在放大器一侧,而不要接在两个输入端上。这样可给感应到屏蔽层的电流提供返回的通路,但又不会形成接地环路而对测量或被测设备形成干扰。
在高频部分,探头的输入电容与引线电感形成串联“空腔”谐振电路,并可能结成环状。在单端测量中,使用尽可能短的接地线可使这种效应减至最小。这样会降低电感量,有效地增高谐振频率,使其有望超出放大器的带宽。差分测量是在两个探头接触点之间进行的,其中并不涉及接地的概念。然而如果因为共模成分的快速上升而产生了环,则使用短的接地线可减少谐振电路中的电感量,从而减少了环状成分。在有些情况下,也可以用附加接地线的方法减少快速差分信号所产生的环。如果共模源在高频时对地的阻抗很低,也就是被电容器旁路,就属于这种情况。如其不然,附加地线可能会使情况变得更糟!如果发生了这种事,可试着将探头一起在输入端接地。这样可以通过屏蔽降低有效电感。
当然,将探头的地接到电路上可能会生成接地环路。在测量高频信号时这通常不会产生问题。测量高频时的最好忠告就是试着用和不用接地引线进行测量;然后采用能给出最好结果的设置。当把探头接地引线接到电路时,要切记将它接地!在使用差分放大器时很容易忘记地线的连接在哪里,因为它们可以探查电路的任何地方而不会有发生损害的危险。
图16. 源阻抗不平衡所造成的影响。+输入衰减器是从0Ω驱动的,但-输入衰减器是从3kΩ以下驱动的。结果与900kΩ相加,使衰减增加而CMRR降低。
输入阻抗对CMRR 的影响
任何源阻抗的作用就是与输入电阻(直流)和输入电容(交流)组成一个分压器。对单端测量来说,阻抗的影响一般可以忽略,因为误差很少能达到1%。但对差分测量,这个小的误差造成输入增益的不匹配,这会减少共模抑制的能力(见图17)。
测量差分放大器的CMRR 指标通常是经过T 型BNC 连接器共同驱动两个输入端。这样向输入端看进去的阻抗差实际为零。现实中的信号源理应具有相同的驱动阻抗。但这很难做到。于是,CMRR 的实际性能要比放大器的指标低得多。
如果放大器的输入阻抗、衰减倍数和源阻抗全都已知,那么通过计算每个输入分支的分压比就可以确定实际的CMRR。不过,若只对测量的实绩做出主观的判断会更容易些。
很多高增益放大器都可以配置成仪器用放大器。仪器用放大器没有输入衰减器,本身的输入电阻是无限大(>1012 Ω)。在源阻抗相当高时(如生理学实验)这种方式可以大大改善低频的CMR。尽管仪器用放大器的输入电阻为无限大,其输入电容还是有的。随着共模频率的增加,信号源的高阻抗对CMR的改善效果将迅速退化。由于仪器用放大器没有输入衰减器,其共模范围和差模范围都比较狭窄。

图18. 消费音频电子部件中的VCM。这些设备通常使用双芯电源线,其机箱和电路都是浮动的。
共模范围
任何放大器都有可能被过驱动,并引起输出的“钳位”。当输入的差模信号大到足以强制放大器超出其输出动态范围时,差分放大器也会发生同样的效应。差分放大器还要承受另一种过载,即超出输入共模范围。当预期的信号所依附的电压(VCM)超出了放大器的输入共模范围时就会发生这种情况。
由于放大器抑制了共模信号,所以动态范围受到输入级而不是输出摆幅的限制。带输入衰减器的放大器共模范围比差模范围大。由于共模成分在测量中是看不到的(但愿如此),所以共模范围过载对于用户可能并不明显。当共模成分为直流时尤其如此。在超出VCM范围时,有些放大器的拓扑仍然近似地给出带有明显增益误差的差分信号。由于波形貌似正确,很多用户被这种错误的测量结果所愚弄。
有些放大器带有过载指示器以警告用户发生了共模过载的情况。一个好的方法就是在进行重要的测量之前先检验共模是否在规定的范围之内。只要将一个输入端接地并且用放大器本身测量共模成分就可以很容易地进行检验。然后再对另一个输入端重复此过程。
测量完全浮动信号
完全浮动(没有任何接地)的信号源在用差分放大器进行测量时会造成特殊的问题。常见的例子有电池供电的电子设备、消费音频部件和实验用生理标本。由于没有分支阻抗接地,该地区的任何交流电场都可以通过电容耦合到被测设备中去(参见图18)。在这种测量环境中充斥着从荧光灯和建筑物配线中辐射出来的线路频率电场。当这种电场耦合到被测设备中时,便产生了共模电压。若耦合量足够大而放大器的输入阻抗又比较高,就可能在不经意间超出了放大器的共模范围。当放大器配置成仪器用放大器时尤其如此,因为对线路频率的负载阻抗近乎无限大。
通过提供分支阻抗接地、减少电容性耦合或者减少场强等都可以避免出现过载的情况。增加到地的并联支路是最为容易的方法。这种方法不需要直接短路,通常有10 kΩ的电阻就足够了。如果加入分支阻抗对被测设备或测量过程造成了干扰,可以试着将被测设备用接地的金属屏蔽物封装起来以减少电容性耦合。这实际上是加了一个给交流电场提供接地通路的法拉第屏蔽。最后一个方法是设法将场强减至最小。作为一个好的开始,可以用白炽灯替代荧光灯以及使电路配线与被测设备之间保持最大距离。
带宽
差分放大器和单端示波器放大器一样,常可以对带宽限制进行控制。高增益放大器可以提供低通频率的选择。带宽限制可减少高频噪声成分并使低频的降低减至最小。带宽限制滤波器位于输入信号被转换为单端之后。所以,使用带宽限制不会增加高频的输入共模范围。
术语
ADC - 模数转换器。数字存储示波器需要将模拟输入转换到数字域,模数转换器是数字存储示波器的“心脏”部件。ADC 的许多特性(如采样率、分辨率、精度和线性度等)均直接与示波器的性能有关。
平衡式- 通过一对线进行传输的信号,每条线的源阻抗相同。地线不可用作信号的返回路径。
带宽限制器- 一种用户可选的滤波器,用于衰减有用带宽之外的噪声。除非特别说明,滤波器均为低通拓扑,单极(-6 dB/octave)滚降。
钳位电路- 一种限制放大器输出电压的摆幅使之工作于线性范围的电路。通常采用减少过载恢复时间的方法实现。
削波- 放大器再现输入信号时由于输出电压范围不够而产生的失真的波形。正如其名称所示,输出波形好象经过了“切削”。
共模- 输入信号中差分放大器的两个输入端公用(振幅与相位均相同)的成分。理想的差分放大器抑制所有的共模信号。
共模范围- 差分放大器可以抑制的共模信号的最大电压(相对于地)。共模范围通常比差模范围大。取决于放大器的拓扑结构,共模范围可能随增益而变化。
共模抑制- 差分放大器对输入信号中共模成分的消除功能。
共模抑制比(CMRR) - 对差分放大器抑制共模信号的能力的量度。CMRR 的计算公式为:
CMRR = 差模增益/ 共模增益
由于共模抑制能力一般随频率的增加而降低,故通常给出特定频率下的CMRR 值。
差分放大器- 一种三端增益电路,可以处理两个输入端之间不相同的信号成分,同时忽略两个输入端上相同的信号成分。
差模- 在差分放大器两个输入端之间不相同的信号。差模信号(VDM)可以表示为:
VDM = (V+Input ) - (V-Input )
差模范围- 差分放大器可以接受而且不会使输出过载的差分输入信号的最大振幅。若超出差模范围,放大器则将信号削波或钳位。差模范围通常随放大器增益的增加而减少。
差分偏移- 高增益差分放大器中使用的一种电路,用于抵销出现于差分输入信号中的直流偏压。差分偏移电路电气上相当于在一条输入线上串接一只可调的电池。
差分探头- 为差分应用专门设计的探头。有源差分探头在其触点处包含一个差分放大器。无源差分探头用于差分放大器,并可使两个信号通道上的直流和交流衰减校准到精确地互相匹配。
浮动信号- 不参照地电位的信号。浮动信号不能作为单端仪器的输入而直接测量。
浮动示波器- 使得示波器的保护接地系统失效以便进行浮动测量的用法。由于整个示波器的机箱与探头的“接地”夹同电位,故这种危险的做法可能导致用户遭受电击。
接地环路- 多个低阻抗通路接到同一个地电位而形成的电路。接地环路起到变压器短路线匝的作用,可以感应出循环的地电流。这些电流可使电路内的地电位发生轻微的改变。
隔离器,隔离探头- 一种利用单端接地仪器进行两点的浮动电压测量的装置。其实现方法是将输入信号转换为光的形式和/或磁的形式(通过变压器)。
最大共模转换速率- 在差分放大器或隔离器输入端上的共模成分变化速率(dv/dt)的上限。上升时间超出最大共模转换速率指标的信号可能会使输出信号产生极度的失真。此指标有时称为仪器的最大非破坏性极限。
准差分- 建立差分放大器的一种方法,做法是将两个常规示波器的输入通道相加(其中的一个通道设置为反转方式)。为了产生有意义的结果,两个通道必须设置在相同的“电压/ 分度”档位。与真正的差分放大器相比,准差分方式的共模范围有限,而且CMRR 值较低,尤其是在高频段。
偏压补偿(比较电压) - 某些差分放大器提供的一种配置,将精密校准的电压源接入放大器的一个输入端。此法可提供校准偏移范围极大的单端放大器。与差分偏移不同,偏压补偿方式只能完成单端(以地为参考)测量。
单端测量- 以地为参考点测量电压电位的方法。常规示波器的输入端只能进行单端测量。