| 摘 要:介绍了一种新型的气体泄漏超声检测系统,在分析小孔气体泄漏产生超声波的原理的基础上,阐述了该检测系统的原理及设计方案。该系统能对各种压力容器的孔隙泄漏所产生的微弱超声信号进行精确检测。该系统利用DSP技术对泄漏所产生的超声波信号进行分析处理和声压级计算,从而实现对泄漏的检测及泄漏量的估算。 |
目前,
工业上和生活中均大量用到用于储存和输送压缩气体的压力容器,如气缸、气罐、煤气管道等。由于各种原因,容器会产生漏孔从而发生气体泄漏。据估计,工业上由于泄漏而损失掉的压缩气体平均占到40%左右。泄漏不但会造成能源的浪费,而且如果是有害气体的话,还会对空气造成污染。因此,准确地判断和定位产生泄漏的位置,对于提高企业的生产效率和节约能源具有重大的意义。
传统的泄漏检测方法如绝对压力法、压差法、气泡法等,操作复杂并且对技术人员要求较高,而且不具有实时性。目前,工业上广泛利用泄漏产生超声波的原理来进行泄漏检测。利用超声波检测气体泄漏位置,不仅方法简单,而且准确可靠。基于此,本文研究并设计了一种新型的超声波气体泄漏检测系统。
1 检测原理 1.1气体泄漏产生超声波 如果一个容器内充满气体,当其内部压强大于外部压强时,由于内外压差较大,一旦容器有漏孔,气体就会从漏孔冲出。当漏孔尺寸较小且雷诺数较高时,冲出气体就会形成湍流,湍流在漏孔附近会产生一定频率的声波,如图1所示。声波振动的频率与漏孔尺寸有关,漏孔较大时人耳可听到漏气声,漏孔很小且声波频率大于20kHz时,人耳就听不到了,但它们能在空气中传播,被称作空载超声波。超声波是高频短波信号,其强度随着离开声源(漏孔)距离的增加而迅速衰减。因此,超声波被认为是一种方向性很强的信号,用此信号判断泄漏位置相当简单。

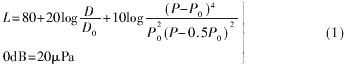
图1 气体泄漏产生超声波1.2 声压与泄漏量的关系 泄漏超声本质上是湍流和冲击噪声。泄漏驻点压力P与泄漏孔口直径D决定了湍流声的声压级L。著名学者马大猷教授推出如下公式
[1]:

式中,L为垂直方向距离喷口1m处的声压级(单位:dB);D为喷口直径(单位:mm);D
0=1mm;P
0为环境大气绝对压力;P为泄漏孔驻压。
由此可知, 在与泄漏孔的距离一定时,泄漏超声的声压级是随泄漏孔尺寸和系统压力的变化而变化的。
泄漏产生的超声波频带比较宽,一般在20kHz到100kHz之间。在不同的频率点,超声波的能量是不同的。实际上,它的频谱峰值也是随泄漏孔的尺寸和压力的变化而变化的。比如:在一定的泄漏孔径和压力下,如果泄漏超声波的频谱峰值是在38kHz点,那么加大孔径以后它的频谱峰值可能出现在36kHz点;如果孔径不变,加大系统内外压差,频谱峰值可能出现在43kHz点。但是在同一频率点,对于形状相同的泄漏孔,泄漏所产生的超声波的声强随泄漏量的增大而增大。另外,如果泄漏量恒定,即泄漏面积一定,则泄漏孔的形状越接近于圆形,声压越高。当泄漏孔的雷诺数用式(2)表示时,在40kHz点声压与雷诺数之间的关系如图2所示。

图2 声压级与雷诺数的关系 
式中,ρ为气体密度;μ为粘度;V为流速;D为力学平均直径。
由图2可知,如果能检测出泄漏孔附近在某一个频率点的声强,则可以推算出该泄漏孔的雷诺数。对于该泄漏孔,由于它的力学平均直径是确定的,所以这时雷诺数与气体泄漏量成正比关系。但是对于不同的泄漏孔,并不知道它的力学平均直径,因此光知道雷诺数还不能求出泄漏量。在工业上,对于管道气体,由于有源源不断的气体补给,管道里面的气压一般都是恒定值。而对于工业容器,由于小孔泄漏的泄漏量非常微弱,容器当中的压力变化非常缓慢,所以可以认为在一段时期内是恒定值。当系统内外压力一定时,对于不同的泄漏孔,它的泄漏流速都是一定的,可以用公式(3)
[2]来表示:

式中,V为气体流速;p为管内压力;P
0为环境大气绝对压力;T1为绝对温度;σ=P
0/P;R为气体常数;K=

,对于空气,k=1.4,则K=2.646。
当雷诺数、气体流速知道以后,就可以反求出该泄漏孔力学平均直径D,即可得出泄漏量。通过以上分析得出:只要能检测出距离泄漏点一定距离的超声波在某一个频率点的强度,再给出泄漏系统内外压力,就可以估算出气体泄漏量。
2 系统硬件实现 小孔气体泄漏所发出的超声波强度是极其微弱的,而且在工业场合,环境噪声是相当大的。所以要检测出在恶劣环境下的气体泄漏所发出的超声,必须对系统信号放大部分进行精心的设计。在本系统中只检测40kHz点的泄漏超声波的强度,原因是通过实验得出,在40kHz点的泄漏超声波能量都是比较大的,而且泄漏声和本底噪声能量差值也最大(如图3所示)。这样选择可以增加系统灵敏度。
系统原理如图4所示。系统分为
模拟和数字两部分,模拟部分包括信号放大电路和
音频处理电路等。信号放大电路由前置放大电路、带通滤波电路和二次放大电路组成。音频处理电路由本振电路、混频器、功率
驱动电路组成。数字部分主要由DSP和LCD、
RAM、键盘等外围设备组成。
传感器信号经过放大滤波以后,一路交由DSP处理,另一路通过降频转化为可听声。下面分别介绍各部分原理。

图3 本底噪声与泄漏声声压图

图4 系统原理图 2.1 信号放大电路
图5所示为模拟电路的信号放大部分。
前置放大电路选用
AD公司的专用
高精度仪器三运放AD620。AD620是由三个精密运放集成的差分专用仪器运放,它具有低偏移、高增益(信号可直接放大到1000倍)、高共模拟制比的特点,特别适用于放大传感器信号。由于传感器接收到的大量的低频噪声(如50Hz的工频噪声)强度远大于它所接收到的超声信号,所以在传感器与AD620之间必须接一个无源
高通滤波器。这样虽然增加了传感器的功耗,但是在后面可以通过增大放大倍数来弥补。第二级是一个有源带通滤波电路。在这一级可以滤掉前面滤波器没有滤掉的大部分背景噪声和由器件或电路产生的噪声。这里选择的通带为38kHz~42kHz。第二级和第三级运放都采用AD公司的OP777,它是一个超精密的低噪声运放,具有极低的电压和
电流偏移以及很高的增益稳定性。第三级是一个一般的同相放大电路。经过第三级放大以后,信号范围为-3.3V~+3.3V,再经过如图所示的两个20kΩ的
电阻,并接上+3.3V的偏置电压,就可以使输入到DSP的AD采样信号变为0~3.3V。
虽然选用的器件是低噪声的,但是对于检测极其微弱的泄漏超声信号来说,还是不能忽略器件本身的噪声。在信号进入DSP以后再一次对其进行数字滤波,滤掉由前面器件和电路产生的直流电压偏置和噪声。这样可以得到足够高精度的泄漏超声波信号。

图5 信号放大电路

图6 音频处理电路原理图 2.2 音频处理电路设计 设计音频处理电路的目的是能够比较方便地判断哪里有泄漏的产生。人耳的听觉范围大约在1kHz到20kHz之间。因此检测到的超声信号必须通过降频才能为人耳所听到。降频的原理是利用差分信号的乘法特性:

然后在Uo后接上低通滤波器,则可得差频信号。如选用本振电路的频率为37kHz,那么得到的差频信号为3kHz,可为人耳听到。音频处理电路的原理图如图6所示。
2.3 DSP DSP的主要功能是负责A/D转换、对A/D转换后的信号进行分析处理、对LCD及
电源进行管理。这里采用TMS320LF2407A。DSP
芯片是一种具有特殊结构的
微处理器。芯片内部采用程序和数据分开的哈佛结构,具有专门的硬件乘法器,广泛采用流水线操作,并提供特殊的DSP指令,可以快速地实现各种
数字信号处理
算法。TMS320LF240X是德州仪器(
TI)公司推出的基于C2×LP16位的定点低功耗的数字信号
处理器系列,2407A型处理器是此系列中的
最新产品。40M指令/秒(40MIPS)的处理速度可以提供远远超过传统的16位
微控制器和微处理器的性能。它的内置10位模/数转换电路可以使电路得以简化。
2.4 LCD显示部分设计 LCD的作用是显示泄漏孔的声强和估算的泄漏值以及由键盘输入的数据。这里选用内藏
三星公司的KS0713显示
控制芯片的LCD显示模块。它有128×64的点阵。其供电电压只需3.3V。KS0713芯片速度相当快,内部晶振频率可达2MHz,很适合使用高速
CPU芯片的场合。这里采用DSP的数字I/O口来控制LCD模块,如图7所示。

图7 TMSLF2407A与KS0713的接口

图8 键盘接口电路

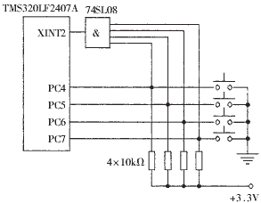
图9 主程序流程图 2.5 键盘电路设计 键盘的作用是输入泄漏系统的内外压力值和选择不同的气体常数。在估算气体泄漏量时,需要知道气体的流速,由公式(3)可知,泄漏气体的流速可以通过气体内外的压力和气体常数等换算出来,这些数值是通过键盘输入进去的。这里采用一维键盘,用DSP的四个数字I/O口来接收键盘输入,采用软件的方法消除键盘的抖动。本系统设计了四个按键:“功能” 键、“+”键、“-”键和“确定”键。功能键用于循环选择容器内气压、容器外气压和气体常数的设置等。每按一次功能键,在上述三个功能间切换一次。键盘接口电路如图8所示。
3 系统软件部分设计 因为系统要完成测量泄漏超声的声压级、估算泄漏量以及完成显示功能,所以软件主要由信号采集子程序、滤波子程序、FFT变换程序、泄漏估算子程序、LCD显示子程序、键盘服务子程序等组成。限于篇幅,在此只列出程序设计的总体思路,如图9所示。本文所介绍的超声波泄漏检测系统具有精度高、体积小、便于携带和具有很好的人机交互界面等特点。该系统还利用DSP等技术实现了对泄漏量的估算。
温馨提示:以上内容整理于网络,仅供参考,如果对您有帮助,留下您的阅读感言吧!
相关阅读
本类排行
相关标签
本类推荐