时间:2008-06-18 21:59
人气:
作者:admin
电子式电度表基本原理
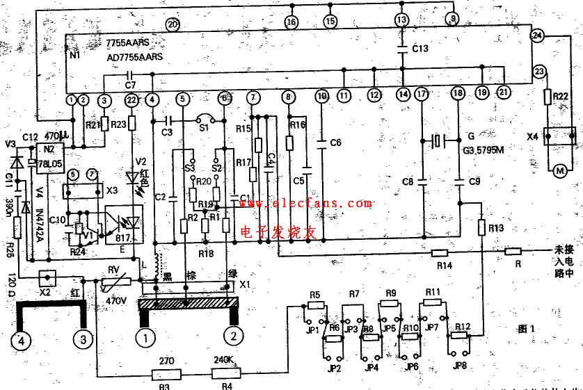
电子式电度表是利用电子电路/芯片来测量电能;用分压电阻或电压互感器将电压信号变成可用于电子测量的小信号,用分流器或电流互感器将电流信号变成可用于电子测量的小信号,利用专用的电能测量芯片将变换好的电压、电流信号进行模拟或数字乘法,并对电能进行累计,然后输出频率与电能成正比的脉冲信号;脉冲信号驱动步进马达带动机械计度器显示,或送微计算机处理后进行数码显示。

上一篇:电子电度表功率表工作原理及窃电
下一篇:日本泰克推出手提式实时频谱分析仪