全球最实用的IT互联网信息网站!

AI人工智能P2P分享&下载搜索网页发布信息网站地图

当前位置:诺佳网 > 电子/半导体 > 测量仪表 >

防腐电源智能监控节点的设计

时间:2006-04-07 00:36

人气:

作者:admin

标签: 防腐电源  点的设计 

导读:防腐电源智能监控节点的设计- 摘 要:介绍了一种防腐电源智能监控节点的设计方法及相关的硬件电路,用以实现野外防腐电源的无人化监控与检测。研究了系统硬件结构、信号调理电路...

摘 要:介绍了一种防腐电源智能监控节点的设计方法及相关的硬件电路,用以实现野外防腐电源的无人化监控与检测。研究了系统硬件结构、信号调理电路以及有关芯片微处理器接口电路,阐述了监控软件的设计思路。试验表明,该系统结构简单、成本低廉、性能可靠,能满足工业现场的需要。

 金属发生腐蚀的现象随处可见。腐蚀给金属材料造成的直接和间接损失是巨大的,以至造成灾难性的破坏事故,引起严重的环境污染。研究表明,因腐蚀造成的损失一般占国民生产总值的3%~4%,其中约有15%是可以通过现有的防腐技术避免的,而阴极保护技术的发展又是与防腐技术的进步分不开的。
  防腐电源是阴极保护技术中最为关键的设备。由于易腐蚀的金属构件大部分分布在野外或者地下,并且分布范围广,如石油管道、输电线路、海上平台等,所以必然要求发展可靠性高、智能化的新型防腐电源,并且要求通过工业网远程采集现场数据,进行计算分析,实现远程控制,从而提高现场设备的可靠性,实现无人管理。
1 防腐电源系统的结构组成
  阴极保护技术简单地说就是测量被保护金属构件的电位(即管地电位),并根据其大小变化,调节补偿保护电流大小,起到对金属构件的保护作用。图1是远程监控防腐电源系统示意图。


图1 远程监控防腐电源示意图


  很显然,防腐电源是阴极保护系统中最核心的设备,其监控系统要能对其电位、电流、电压等运行参数进行检测与控制,实现网络化监控,满足实时、快速响应的要求。
2 监控节点的硬件设计
  系统硬件由两块电路板组成。一块为模拟板,主要对来自防腐电源的测量信号进行滤波、放大、采样保持,以及自动选择放大倍数等;一块为数字板,主要完成采样信号的模/数转换、计算(消除噪声并还原信号)、参数设置和数据传输[1]等。监控系统的总体框图如图2所示。


图2 监控节点总体框图


  监控系统直接测量的是防腐电源现场的电信号,包括电压信号和电流信号。防腐电源的现场环境恶劣,待测信号中夹杂着诸多干扰信号。前置调理电路包括差模放大电路和有源滤波电路,用来抑制现场信号中的共模干扰信号和高频干扰信号。系统通过485总线与上位机进行通讯,使用约定的协议交换数据。
2.1 模拟电路设计
  模拟电路框图如图3所示,其中Vin1、Vin2、Iin1、Iin2为从防腐电源现场采集的信号。由于待测信号比较微弱,现场环境又比较恶劣,待测信号中叠加了很多干扰信号,为了从噪声中提取出有用的信号,采用差模调理电路和有源滤波电路相结合的调理电路对输入信号去干扰,然后通过电压分档电路估算信号的范围,提供给单片机。单片机根据给定的信号计算出合适的放大倍数,进而控制可编程放大器AD526的放大倍数,将已调理的信号放大到有效范围,输入到数字板上的AD574进行模/数转换[2]


图3 模拟电路框图


2.1.1 信号调理设计
  通过试验对现场信号进行分析,发现干扰信号主要来自电源线的耦合干扰、电源的瞬态电压干扰和外部电磁辐射干扰。因此,这部分电路的作用有两个:一是根据干扰信号的频率特点设计滤波电路,有效地滤除干扰信号;二是对输入信号适当放大,完成阻抗转换。
2.1.2 自动增益调节电路的设计
  调理好的信号通过多路模拟开关进行逐一选定和处理。信号通过模拟开关后,一路进入分档电路测定范围,另一路进入放大单元放大到合适的工作范围。
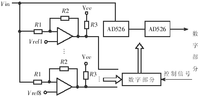
  AD526是专用五级变增益运放,增益级数为G=1、2、4、8、16,增益控制输入脚有三个。设计中将两个AD526串联,这样就构成了1~256增益的放大单元,变增益放大电路如图4所示。


图4 自动增益电路


  该电路由8个电压比较器构成分档电路,单片机读取其输出信号,根据得到的分档信号设定合适的放大倍数,控制放大单元的工作,实现自动调整增益,保证每路信号都能放大到A/D的最佳工作范围,满足高精度、宽范围的设计要求。
2.2 数字电路设计
  数字电路框图如图5所示。单片机80C51是本系统的核心,通过扩展ROM增加系统的数据存储容量。A/D为数据采集模块,D/A为标准电流控制信号输出模块,MAX485是与上位机进行通讯的模块,Vin为模拟部分的输出信号[3]


图5 数字电路框图


2.2.1 通讯接口设计
  系统通过485通讯接口与上位机通讯,交换数据。RS-485采用的是一对平衡差分信号线,为半双工通讯方式。RS-485对于多站连接是十分方便的,其标准允许最多并联32台驱动器和32台接收器,这足以满足一个中型构件的多点防腐系统的要求。总线两端接匹配电阻,提高了抗干扰能力。RS-485传输速率最高为10Mbit/s,最大电缆长度为1200m。考虑到现场工作环境的恶劣性,使用TVS管实现了防雷功能,保护系统不受瞬间高压破坏,提高了运行的可靠性。
2.2.2 标准控制电流输出设计
  上位机将接收到的数据进行处理,运用一定的控制算法得出所需要的反馈控制信号。由于防腐电源为模拟器件电路,无法直接接收数字控制信号,因此必须通过单片机转换成模拟信号,才能控制电源工作。
  系统中采用的AD421是一种单片高性能数/模转换器。它由电流环路供电,16位数字信号以串行方式输入,5~20mA电流输出,可实现远程智能工业控制。其数字输入信号通过光电隔离保证信号的准确有效,输出为标准的电流信号,具有较强的抗干扰能力,可以直接驱动相关的模拟器件。
3 监控节点的软件设计
  为了提高程序编写效率,采用了目前广泛使用的MCS-51单片机高级语言C51作为软件开发工具[4]
  监控系统的整个程序主要由主程序、三个中断处理程序、两个计算程序组成。完成的主要功能是:系统复位后的初始化、控制采样、进行A/D转换、根据采样值进行信号处理、选择放大倍数(量程)、控制通讯接口传送数据等。主程序流程图如图6所示[5]


图6 主程序流程图


  本设计采用通用元件、模块化设计方法和可变增益电路,在满足高精度宽量程要求的同时,简化了系统结构,大大提高了系统的可靠性,同时节约了成本。该设计对于防腐工业中实现远程集约化管理具有现实意义。

 

上一篇:

下一篇:没有了

温馨提示:以上内容整理于网络,仅供参考,如果对您有帮助,留下您的阅读感言吧!
相关阅读
本类排行
相关标签
本类推荐

CPU | 内存 | 硬盘 | 显卡 | 显示器 | 主板 | 电源 | 键鼠 | 网站地图

Copyright © 2025-2035 诺佳网 版权所有 备案号:赣ICP备2025066733号
本站资料均来源互联网收集整理,作品版权归作者所有,如果侵犯了您的版权,请跟我们联系。

关注微信