全球最实用的IT互联网信息网站!
AI人工智能P2P分享&下载搜索网页发布信息网站地图
板级备件通用测试系统设计
阅读全文2009-11-16
基于遥测的移动舱室内气体检测方法
MAXQ314 单相交流电源测量IC,带有I²C接
热敏电阻的测量电路
阅读全文2009-11-14
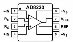
AD8220 ADI推出新型JFET输入的仪表放大器
阅读全文2009-11-13
力科示波器PCI Express解码注释软件提供新的功能
泰克为DPO7000系列示波器新增MIPI支持功能
阅读全文2009-11-03
使用IxLoad进行高清视频质量测试
阅读全文2009-11-02
实时分析技术和测量给无线通信带来的好处
3G接入WLAN测试方案 WLAN测试基本概念
替代水浸泡水法,气密性检测仪成产品防
高温热重分析仪是什么
示波器怎么看峰峰值呢?
输出过冲原因及改善措施
CPU | 内存 | 硬盘 | 显卡 | 显示器 | 主板 | 电源 | 键鼠 | 网站地图
Copyright © 2025-2035 诺佳网 版权所有 备案号:赣ICP备2025066733号 本站资料均来源互联网收集整理,作品版权归作者所有,如果侵犯了您的版权,请跟我们联系。