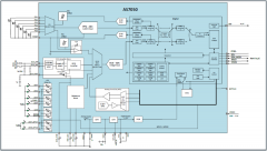
方案 | 基于 ams OSRAM AS7050 + SFH7074 的心率血氧检测
阅读全文2022-09-07
阅读全文2022-09-07
阅读全文2022-09-07
阅读全文2022-09-06
阅读全文2022-09-06
阅读全文2022-09-06
阅读全文2022-09-06
阅读全文2022-09-06
阅读全文2022-09-06
阅读全文2022-09-06