全球最实用的IT互联网站!
人工智能P2P分享搜索全网发布信息网站地图标签大全
在测试点中增加示波器对测量有何影响?
阅读全文2020-10-07
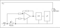
差分放大器是高边电流测量电路中的基本元件?
普通的示波器与市电没有隔离是会导致零线或火
电源变压器与数字多用表(DMM)上配备的欧姆表
NHR-7330阀位反馈控制器可选择继电器输出和OC门输
关于利用2700自动扫描各个通道的阻值来判断温度
OPTIV影像测量设备实现了测量结果的数字化追溯
图像测量法是基于使用高亮 LED 和 CCD 成像法来检
射频电路的技术指标以仪器的接收端能够测量的
如何判断万用表探头上的地能否直接接被测板子
替代水浸泡水法,气密性检测仪成产品防
高温热重分析仪是什么
示波器怎么看峰峰值呢?
输出过冲原因及改善措施
CPU | 内存 | 硬盘 | 显卡 | 显示器 | 主板 | 电源 | 键鼠 | 网站地图
Copyright © 2025-2035 诺佳网 版权所有 备案号:赣ICP备2025066733号 本站资料均来源互联网收集整理,作品版权归作者所有,如果侵犯了您的版权,请跟我们联系。