全球最实用的IT互联网站!
人工智能P2P分享搜索全网发布信息网站地图标签大全
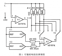
满足较高精度电阻测量仪表校正要求的电阻设计
阅读全文2020-07-20
温湿度仪器仪表行业发展现状分析
基于7107半双积分式模/数转换和单片机实现记录式
INTEGRA 1530数字式计量仪表为各种电源监控应用提
NRP-Z28/-Z98功率控制探头实现高精度信号功率输出
R&S SMC100A射频信号发生器适合于测量有高功率输入
R&S SMC100A信号发生器的性能特点及应用领域
关于交流接触器吸合动态的演示过程
OGI红外热像仪与嗅探器探头结合使用的特征介绍
互感器变比设置数值不匹配的解决方法
替代水浸泡水法,气密性检测仪成产品防
高温热重分析仪是什么
示波器怎么看峰峰值呢?
输出过冲原因及改善措施
CPU | 内存 | 硬盘 | 显卡 | 显示器 | 主板 | 电源 | 键鼠 | 网站地图
Copyright © 2025-2035 诺佳网 版权所有 备案号:赣ICP备2025066733号 本站资料均来源互联网收集整理,作品版权归作者所有,如果侵犯了您的版权,请跟我们联系。