全球最实用的IT互联网站!
人工智能P2P分享搜索全网发布信息网站地图标签大全
基于图形化编程软件和数据采集卡实现多路温度
阅读全文2020-04-24
从时域到频域-换个角度看世界
温湿度变送器的技术参数_温湿度变送器的工作原
阅读全文2020-04-23
电磁能量计的主要特点_电磁能量计的优点
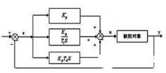
基于LabVIEW软件平台实现增量型PID控制器的设计与
漏电起痕试验仪的实验原理_漏电起痕试验仪的参
阅读全文2020-04-22
漏电起痕试验仪使用方法及注意事项
绝缘耐压测试仪的原理_绝缘耐压测试仪的特点
耐电压测试仪校准电流的方法及安全注意事项
耐电压测试仪操作规程及注意事项
替代水浸泡水法,气密性检测仪成产品防
高温热重分析仪是什么
示波器怎么看峰峰值呢?
输出过冲原因及改善措施
CPU | 内存 | 硬盘 | 显卡 | 显示器 | 主板 | 电源 | 键鼠 | 网站地图
Copyright © 2025-2035 诺佳网 版权所有 备案号:赣ICP备2025066733号 本站资料均来源互联网收集整理,作品版权归作者所有,如果侵犯了您的版权,请跟我们联系。