时间:2023-09-25 18:01
人气:
作者:admin
一、电动汽车驱动电机控制器概述
电机控制器,控制动力电源与驱动电机之间能量传输的装置,由控制信号接口电路、驱动电机控制电路和驱动电路组成。 在电动车辆中,电机控制器的功能是根据档位、油门、刹车等指令,将动力蓄电池所存储的电能转化为驱动电机所需的电能,来控制电动车辆的启动运行、进退速度、爬坡力度等行驶状态,或者将帮助电动车辆刹车,并将部分刹车能量存储到动力蓄电池中。 它是电动车辆的关键零部件之一。 电机控制器的基本功能可分为两个部分:

二、电动汽车驱动电机控制器的基本结构
电动汽车驱动电机控制器基本结构可分为:壳体、高低压连接器、电子控制元件、电气控制元件、电气功率元件。

电气功率元件主要为IGBT集成功率模块,是电气控制器关键零部件。 下图为IGBT集成功率模块:

通过电子控制元件与电气控制元件对IGBT集成功率模块的控制,输出可控的三相正弦交流电流,从而控制电机的转速、转矩。 如图为IGBT集成功率模块原理简图:

IGBT集成功率模块原理简图
1. 壳体与连接器 电机控制器的壳体的主要用于固定各电子控制元件、电气控制元件、电气功率元件及连接器,并提供密闭的防尘防水(IP67)空间保护各电子控制元件、电气控制元件、电气功率元件。 由于车用电机控制器IGBT集成功率模块输出功率高,温升快。 壳体提供相应冷却水路从整车冷却系统引入冷却液以冷却IGBT集成功率模块。 如图所示为电机控制器壳体:

连接器安装于壳体外部,可分为高压连接器与低压连接器。 高压连接器主要用于与外部电能的传输的对接。 低压连接器主要用于12V电源的供应、与其他控制器通讯。 如下图所示为高低压连接器:

2. 电子控制元件 电子控制元件相当于电机控制器的大脑,根据接收的外部通讯信号及内部电气件的运行情况,通过电气控制元件直接或间接地控制电气集成功率模块,使得控制器可靠稳定的工作,合理控制电机进行运作。 电子控制元件有逻辑电路板、控制电路板、驱动电路板。 如下图所示为电子控制元件:


3. 电气控制元件 电气控制元件主要有高压接触器、功率电阻、电容、电流传感器等。 高压继电器可由逻辑板中12V低压控制电气回路通断,从而控制电气功率器件电源供应。 如图2所示为高压继电器:


电容的主要作用电路滤波。 由于IGBT功率集成模块工作过程中会造成直流电路电流振荡,为减少振荡电流对直流电路的影响,通过此电容的并接对振荡电流进行滤波处理。 如图所示为常见电容:

功率电阻主要由于电容的存在,防止电容无负载充电瞬间短路效应。 通过继电器与功率电阻组成预充回路,可先将预充回路导通,对电容进行充电。 待充电完成后,导通主回路后断开预充回路,持续为功率器件提供电能。 如图所示:

电流传感器主要对三相输出的电流进行采样检测,反馈至控制电路板。 如图所示为霍尔电流传感器:

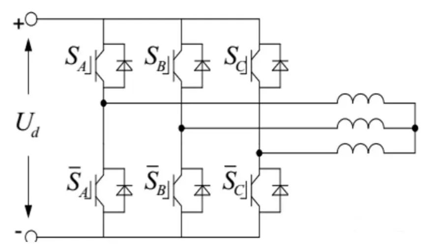
4. 电气功率性元件 电机控制器的功率元件主要是IGBT集成功率模块。 IGBT集成功率模块是将直流电转化为交流电的执行装置,也是电气控制器中的关键零部件,通过控制IGBT集成功率模块中的6个子模块的通断,可将直流电转换为交流电。 三、驱动电机控制器的功能

1. CAN通讯 电机系统具备高速CAN网络通讯功能。 能根据整车CAN协议内容正确的进行CAN报文发送、接收及解析,有效的实现单品及整车功能策略。 如图所示整车CAN通讯示意图:

2. 能量转换 第一种 直流电转换为三相交流电:将电能转化为机械能,用于驱动车辆行驶运行,如图所示为直流电转交流电示意图:

第二种 三相交流转直流:将机械能转化为电能,实现制动能量回收,提高车辆续航里程。如图所示为交流电转直流电示意图:

3. 扭矩执行 正扭矩执行:驾驶员踩油门时,整车控制器发送正扭矩值给电机控制器,电机系统驱动车辆运行;如图所示为正扭矩执行图:

负扭矩执行:驾驶员踩刹车时,整车控制器发送负扭矩值给电机控制器,电机系统将能量反馈到动力蓄电池,实现能量回收。如图所示为负扭矩执行图:

4. 放电功能 电机控制器内含有大容量电容,考虑电容自行放电时间长存在高压安全风险,故电机系统需具备放电功能。 5. 安全保护功能 电机系统具备故障检测、故障提醒、故障处理等安全保护功能。 如图所示为控制器功能示意图:

编辑:黄飞
Samtec应用漫谈 | 新VITA™93.0 QMC™标准为坚