时间:2020-08-07 16:11
人气:
作者:admin
电气图是电气工程中各部门进行沟通、交流信息的载体,由于电气图所表达的对象不同,提供信息的类型及表达方式也不同,这样就使电气图具有多样性。同一套电气设备,可以有不同类型的电气图,以适应不同使用对象的要求。对于供配电设备来说,主要电气图是指一次回路和二次回路的电路图。但要表示清楚一项电气工程或一种电气设备的功能、用途、工作原理、安装和使用方法等,只有这两种图是不够的。例如,表示系统的规模、整体方案、组成情况、主要特性,用概略图;表示系统的工作原理、工作流程和分析电路特性,需用电路图;表示元件之间的关系、连接方式和特点,需用接线图。在数字电路中,由于各种数字集成电路的应用,使电路能实现逻辑功能,因此就有反映集成电路逻辑功能的逻辑图。
根据各电气图所表示的电气设备、工程内容及表达形式的不同,电气图通常可分为以下几类。
系统图或框图
系统图或框图(也称概略图)就是用符号或带注释的框概略表示系统或分系统的基本组成、相互关系及其主要特征的一种简图。它通常是某一系统、某一装置或某一成套设计图中的第一张图样。系统图或框图可分不同层次绘制,可参照绘图对象的逐级分解来划分层次。它还可作为教学、训练、操作和维修的基础文件,使人们对系统、装置、设备等有一个大概的了解,为进一步编制详细的技术文件以及绘制电路图、接线图和逻辑图等提供依据,也为进行有关计算、选择导线和电气设备等提供了重要依据。
电气系统图和框图原则上没有区别。在实际使用时,电气系统图通常用于系统或成套装置,框图则用于分系统或设备。
系统图或框图布局采用功能布局法,能清楚地表达过程和信息的流向,为便于识图,控制信号流向与过程流向应互相垂直。系统图或框图的基本形式如下所述。
(1)用一般符号表示的系统图
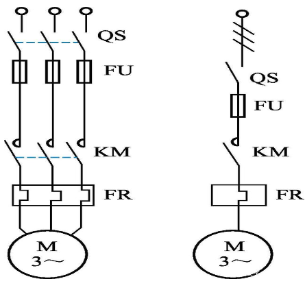
这种系统图通常采用单线表示法绘制。例如,电动机的主电路如图所示,它表示了主电路的供电关系,它的供电过程是由电源三相交流电→开关QS→熔断器FU→接触器KM→热继电器热元件FR→电动机M。又如,某供电系统如图所示,表示这个变电所把10kV电压通过变压器变换为380V电压,经断路器QF和母线后通过FU 1 、FU 2 、FU 3 分别供给三条支路。系统图或框图常用来表示整个工程或其中某一项目的供电方式和电能输送关系,也可表示某一装置或设备各主要组成部分的关系。


(2)框图
对于较为复杂的电子设备,除了电路原理图之外,往往还会用到电路方框图。例如,示波器是由一只示波管和为示波管提供各种信号的电路组成的。在示波器的控制面板上设有一些输入插座和控制键钮。测量用的探头通过电缆和插头与示波器输入端子相连。
示波器的种类较多,但基本原理与结构基本相似,一般由垂直偏转系统、水平偏转系统、辅助电路、电源及示波管电路组成。通用示波器的基本结构框图,如图所示。

电路方框图和电路原理图相比,包含的电路信息比较少。实际应用中,根据电路方框图是无法弄清楚电子设备的具体电路的,它只能作为分析复杂电子设备电路的辅助手段。
电路图
电路图是以电路的工作原理及阅读和分析电路方便为原则,用国家统一规定的电气图形符号和文字符号,按工作顺序用图形符号从上而下、从左到右排列,详细表示电路、设备或成套装置的工作原理、基本组成和连接关系。电路图是表示电流从电源到负载的传送情况和电气元件的工作原理,而不考虑其实际位置的一种简图。其目的是便于详细理解设备工作原理、分析和计算电路特性及参数,为测试和寻找故障提供信息,为编制接线图提供依据,为安装和维修提供依据,所以这种图又称为电气原理或原理接线图。
电路图在绘制时应注意设备和元件的表示方法。在电路图中,设备和元件采用符号表示,并应以适当形式标注其代号、名称、型号、规格、数量等。并应注意设备和元件的工作状态,设备和元件的可动部分通常应表示在非激励或不工作的状态或位置。符号的布置,对于驱动部分和被驱动部分之间采用机械联结的设备和元件(如接触器的线圈、主触头、辅助触头),以及同一个设备的多个元件(如转换开关的各对触头),可在图上采用集中、半集中或分开布置。
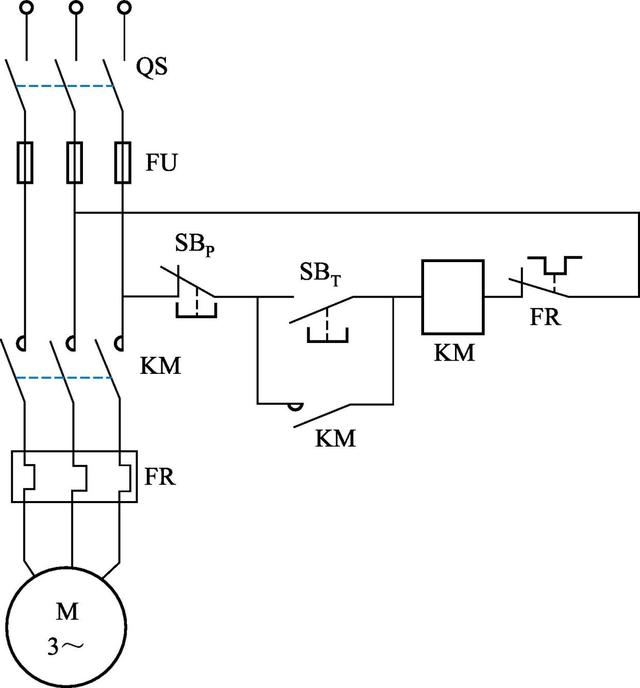
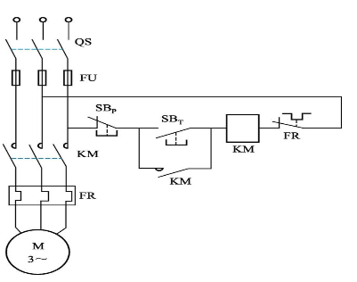
例如,电动机的控制线路原理如图所示。就表示了系统的供电和控制关系。

位置图
位置图(布置图)是指用正投法绘制的图。位置图是表示成套装置和设备中各个项目的布局、安装位置的图。位置简图一般用图形符号绘制。
接线图
接线图(或接线表)表示成套装置、设备、电气元件的连接关系,用以进行安装接线、检查、试验与维修的一种简图或表格,称为接线图或接线表。
接线图主要用于表示电气装置内部元件之间及其外部其他装置之间的连接关系,它是便于制作、安装及维修人员接线和检查的一种简图或表格。
图就是电动机控制线路的主电路接线图,它清楚地表示了各元件之间的实际位置和连接关系:电源(L 1 、L 2 、L 3 )由BX-3×6的导线接至端子排X的1、2、3号,然后通过熔断器FU 1 ~FU 3 接至交流接触器KM的主触点,再经过继电器的发热元件接到端子排的4、5、6号,最后用导线接入电动机的U、V、W端子。

(1)画电气接线图时应遵循的原则
①电气接线图必须保证电气原理图中各电气设备和控制元件动作原理的实现。
②电气接线图只标明电气设备和控制元件之间的相互连接线路,而不标明电气设备和控制元件的动作原理。
③电气接线图中的控制元件位置要依据它所在的实际位置绘制。
④电气接线图中各电气设备和控制元件要按照国家标准规定的电气图形符号绘制。
⑤电气接线图中的各电气设备和控制元件,其具体型号可标在每个控制元件图形旁边,或者画表格说明。
⑥实际电气设备和控制元件结构都很复杂,画接线图时,只画出接线部件的电气图形符号。
(2)其他接线图
当一个装置比较复杂时,接线图又可分解为以下几种。
①单元接线图。它是表示成套装置或设备中一个结构单元内的各元件之间的连接关系的一种接线图。这里所指的“结构单元”是指在各种情况下可独立运行的组件或某种组合体,如电动机、开关柜等。
②互连接线图。它是表示成套装置或设备的不同单元之间连接关系的一种接线图。
③端子接线图。它是表示成套装置或设备的端子以及接在端子上外部接线(必要时包括内部接线)的一种接线图。
④电线电缆配置图。它是表示电线电缆两端位置,必要时还包括电线电缆功能、特性和路径等信息的一种接线图。
电气平面图
电气平面图是表示电气工程项目的电气设备、装置和线路的平面布置图。例如,为了表示电动机及其控制设备的具体平面布置,则可采用如图所示的平面布置图。图中示出了电源经控制箱或配电箱,再分别经导线BX-3×6mm 2 、BX-3×4mm 2 、BX-3×2mm 2 接至电动机1、2、3的具体平面布置。

除此之外,为了表示电源、控制设备的安装尺寸、安装方法、控制设备箱的加工尺寸等,还必须有其他一些图。不过,这些图与一般按正投影法绘制的机械图没有多大区别,通常可不列入电气图。
逻辑图
逻辑图是用二进制逻辑单元图形符号绘制的,以实现一定逻辑功能的一种简图,可分为理论逻辑图(纯逻辑图)和工程逻辑图(详细逻辑图)两类。理论逻辑图只表示功能而不涉及实现方法,因此是一种功能图;工程逻辑图不仅表示功能,而且有具体的实现方法,因此是一种电路图。
设备元件和材料表
设备元件和材料表就是把成套装置、设备、装置中各组成部分和相应数据列成表格,来表示各组成部分的名称、型号、规格和数量等,便于读图者阅读,了解各元器件在装置中的作用和功能,从而读懂装置的工作原理。设备元件和材料表是电气图中的重要组成部分,它可置于图中的某一位置,也可单列一页。表是电动机控制线路元器件明细表。

上一篇:高速连接器设计的细节有哪些
Samtec应用漫谈 | 新VITA™93.0 QMC™标准为坚