时间:2018-07-02 09:38
人气:
作者:admin
连接器可能不是电路中最复杂的零件,但肯定是最重要的零件之一。提到电路,人们可能会有几种不同的认识。大多数工程师对电路的第一认识是:电路是可以在图纸上画出来的理论层面的东西。虽然这很重要,而且未经深思熟虑的电路肯定无法正常工作,因为这只是电路设计工作的一部分。电路还应当用于执行特定功能的设备或产品中。通常,这些产品会非常大,如飞机、火车,它们肯定无法适应大型电路板,它们可能根本就没有电路板。为此,可以选择将连接器作为一种快速高效的连接方式,来连接可能位于不同物理电路板上的电路部分,它们就是连接电子高速公路的叉口。
市面上有许多不同种类的连接器,所有这些器件都具有相同的作用,只是实现方式不同。有的用于存在振动问题的汽车应用,有的用于有静电的露天环境中,种类繁多,数不胜数。连接器有助于减少制造时间,因为工人焊接多个连接点所花费的时间远远多于将一个连接器连接到另一个连接器的时间。希望本文能从整体上对连接器进行解释,并说明既定应用应该使用那些连接器。
术语“矩形连接器”指连接器的实际形状。这意味着此连接器的外壳形状为矩形。由于这种连接器简单易用,非常适用于制造,所以经常可以在 PCB 板上看到。电路板通常带有通孔或者可插入母插口的表面贴装公针座,这是将电线连接到电路板的不错方式。母头连接器带有插口,电线压接在上面,可连接到其他部分。例如公针座 B2B-XH-A(LF)(SN) 以及配接该针座的母端外壳 XHP-2。这些产品来自 JST Sales America Inc.,无法单独使用。XHP-2 只是一个塑料外壳,此连接器内无插口,因此也没有电线从中引出。这些插口是该外壳专用的专有配件。尽管各触头非常类似,始终建议使用特定连接器外壳专用的恰当触头,以确保连接器正常工作。在 Digi-Key 的 XHP-2 页面底部有个“相关产品”部分会提供相关插口(图 1)。

图 1:XHP-2 产品页“相关产品”部分。
制造商生产系列连接器时,通常会生产出采用许多不同针脚数的同款连接器。这些将被贴上系列连接器的标签,如前两个实例中的 XH 系列。看一下矩形连接器 - 外壳页面中的 XH 系列选项,不难发现所有连接器相关产品的每种外壳采用相同的触头。通常,大多数系列连接器的触头会略有不同;有时会提供线规选项,有时还有不同的镀层选项。这并非硬性规定;有些系列的连接器具有不同尺寸的触头,典型情况是连接器具有专用电源引脚和信号引脚。例如 AUHR-05V-H,它设计有四个信号引脚和一个电源引脚。看看这些触头就会发现它们有两种不同的样式,一个电源引脚和一个信号引脚。电源引脚采用较大的 22-26 号导线,信号引脚则采用 28-30 号导线。镀层选项指触头表面处理。最常用的镀层选项是锡和金。锡较为便宜,适合很多在非腐蚀性环境下使用的或可靠性要求不高的产品的触头表面。金更适合腐蚀性环境中的应用,因为金是不易被腐蚀的贵金属。建议不要将金触头配接到锡触头,因为二者的金属片将混合在一起,并最终发生氧化。
JST 已预压接了 2" / 6" / 12" 长的引线。这些引线实例如 ASXHSXH22K152,它无需昂贵的手工工具即可实现原型开发。为此,许多制造商采用预压接引线,Digi-Key 网站上称作跳线,预压接引线的页面整篇对这种连接器进行了展示。当开发产品预算较少时,这非常有用。如果是生产规模,则工具加工最终比购买预压接引线更经济。与查找外壳插口一样,Digi-Key 网页将在单独的触头页面提供一个工具选项卡。例如,我们可以看一下 XHP-2 的裸插口 SXH-001T-P0.6,将会发现有个工具方框(图 2)。

图 2:产品页上所展示的 XH 系列连接器工具。
需要使用的另一种工具是插拔工具,用于插入和取出触头。由于该产品编号为 XJ-06,也在“工具”框中列出。并非所有触头都需要插入工具,但如果需要取出触头,大多数都需要卸出工具。最终,要使用前述公针座 B2B-XH-A(LF)(SN),将需要以下元器件:
公针座 – B2B-XH-A(LF)(SN)
母外壳 – XHP-2
需要如 WC-110 之类工具的插口(如 SXH-001T-P0.6)、或者预压接引线(如 ASXHSXH22K152)
取出触头的插拔工具 - XJ-06
矩形连接器是非常流行的连接器样式。它们通常不会用于高电流应用,但非常适合小电流应用,可为电路板供电或发送/接收信号,从成本来看经济实惠。其中大多数连接器带有闩锁,用于固定,因此具有良好的抗振性。矩形连接器并非只有这些样式,还有自由悬挂和面板安装矩形连接器。例如 TE Connectivity AMP Connectors 的 3-640441-2。这种连接器可以配接板载针座,也可配接自由悬挂的连接器 3-647001-2。注意,这些连接器采用与之前连接器不同的端接形式,这点很重要。之前的公头是要通过通孔焊接到电路板上,之前的母头则要在触头上使用压接端接。这些连接器采用 IDC(绝缘穿刺触头)。这意味着有导体穿透绝缘层与电线接触。
压接
焊接
IDC
螺钉
以上为四种主要端接形式。压接需要有一个触头,在其周围缠绕一根电线,使之与电线形成电气接触,同时用触头的另一部分压住绝缘层。TE Connectivity 提供了一个不错的视频,其中介绍了什么是压接,什么是合格的压接。该视频名为“Crimp Theory Fundamentals:Series I English”(压接理论基础:系列 I 英语版)。焊接端接意味着通孔元器件焊接到电路板上,或者连接器上有焊接电线的焊杯或位置。IDC 或绝缘穿刺触头通过穿透绝缘层形成接触,螺钉端接意味着使用螺钉将电线夹紧到触头上。焊接端接表示触头已经在连接器内,而压接端接则表示触头与外壳是单独提供的。在 Digi-Key 网站上,可能不容易弄清楚外壳是否带有触头。Digi-Key 网站上有多个连接器产品页面;其中许多页面都有“外壳”字样。这些页面仅介绍外壳,并且一般会将触头作为关联产品列出。这种产品页面示例如图 3 所示。
图 3:“矩形连接器 – 外壳”产品页面导航字符串示例
使用矩形连接器时,还需要注意引脚间距。间距指两个引脚之间的距离。最常见的尺寸为 1.27 mm、2.00 mm 和 2.54 mm。这些尺寸并非标准规定;但却是最常用的尺寸。尤其是在电子领域,间距越小越好,但这只是一条指导原则,而非规定。板空间将有助于确定既定应用中哪种间距最合适。
针座是非常常见的连接器,它们焊接在电路板上,可以很容地将插口置于其上。第一个示例是有护罩的针座;也有无护罩针座,如 Wurth Electronics Inc. 的 61300311121(图 4)。
图 4:Wurth Electronics 的 61300311121 三位针座。
这些针座常见于各种评估反,用来测试芯片的各种参数。它们可用于轻松连接电路板,或将其连接到试验板上。例如 Arduino Pro Mini 3.3v。此电路板带有测试电路并使用 ATmega328 芯片,但没有任何引脚连接。可以将针座焊接到电路板上,这样一来,电路板就可以放入试验板,从而实现易用性。必要时,这样的针座还可使用跳线将引脚短接在一起。选择跳线时,需要知道针座间距。这种针座间距为 2.54 mm,因此 TE Connectivity AMP Connectors 的 382811-8 等跳线是可以接受的,因为它具有相同的间距。大多数试验板间距为 2.54 mm,通常作为标准计量单位称为 0.1" 间距。这些试验板通常配接到具有同一种连接面的插口,如 5-534998-6。
图 5:TE Connectivity 的 5-534998-6 0.1 英寸十二针位插口。
这种特定的连接器应焊接到电路板上,但也有可以自由悬挂的插口,可连接到带状电缆,如 ASSMANN WSW Components 的 AWP 10-7240-T。
图 6:Assmann 的 AWP 10-7240-T 十位自由悬挂插口
这些类型的连接器通常将使用 IDC 端接来连接带状电缆,并且通常带有防拉线扣,如 AWZ-10-T。Digi-Key 出售诸如此类插口电缆组件,相关信息见“矩形电缆组件”页面。插口到插口选择如 Samtec Inc. 的 FFSD-05-D-04.00-01-N,插口到插头选择如 FFMD-05-T-06.00-01-N,插头到插头选择如 FFMD-05-D-06.00-01。
圆形连接器与矩形连接器类似,它们可将电路的零件连接在一起。由于形状是圆形,因而得名圆形连接器。这些连接器和矩形连接器一样可以安装在电路板上,但更多见的是自由悬挂或面板安装的情况。有多种方法可将圆形连接器固定在一起,通常会使用螺纹连接器或卡口式连接器,以确保连接器不会脱落。许多圆形连接器用于工业和军事应用。通常,圆形连接器具有高电流能力,比矩形连接器更容易达到 IP 防护等级。IP 防护等级是“侵入防护”等级,表示连接器防尘、防水的程度。在肮脏或潮湿的应用环境中,这是非常有吸引力的品质。想象一下,配电箱到塔顶之间需要一个电路给传感器提供电源、接地和信号线。可能是在户外,暴露在雨中或雪中。应对这种情况的好办法就是采用面板安装型圆形连接器,如 Conxall/Switchcraft 的 17282-3SG-300。
图 7:Conxall/Switchcraft 的 17282-3SG-300 三针位圆形连接器为 IP67 防护等级。
此连接器为 IP67 防护等级,因此可在不超过一米的水下正常工作,是潜在潮湿环境的完美解决方案。圆形连接器有个优点,因为形状是圆形,所以可以方便地安装在面板上。在钢材或铝材上切割矩形孔比切割圆形孔要困难得多。17282-3SG-300 有盖子,不使用时可以盖上 (16295),还有一个小衬垫,用于防止水流出 (16293)。此连接器可以配接自由悬挂连接器,如 16282-3PG-311。这些连接器采用卡销锁定进行固定,可以轻松配接和断开。此连接器可能无法应对所有室外问题,但它明确说明了圆形连接器的一些有利属性。
和矩形连接器一样,圆形连接器通常有配件和工具。Digi-Key 网站通常在特定产品页面上列出所有配件,并且在查找连接器的实际触头时,通常可以找到工具。如前所述,Digi-Key 网站页面会说“外壳”不包含触头,同时只会说“圆形连接器”将已经含有触头。许多圆形连接器都属于军规连接器。这些连接器已标准化,因此无论是哪家制造商,零件全都满足相同的规范。除了军规连接器外,还有衍生系列,这些系列遵循相同的指导原则,但未经过真正军规连接器所需进行的认证。衍生系列将与其对应的军规连接器完全一样;它们只是不具备证明其属于军规零件的文件。这些衍生连接器将严格采用对应军规零件的编号体系。通常,这些编号仅包括零件编号的前缀变化。
为了说明这些编号体系,以 MS3102E14S-2P 为例。可以看到这一款零件出自两个不同的制造商(ITT Cannon 和 Amphenol Industrial Operations)。编号实际上说明了该连接器的所有属性,由于编号已标准化,不同制造商的连接器只要编号相同均可互换。为进一步研究,我们使用 Amphenol 规格书第 70 页上的“如何订购”部分,将此编号分解成几个部分。
MS – 表示军队标准
3102 – 表示具有耐候等级的盒式安装插座

图 8:带尺寸标示的 Amphenol 圆形连接器示意图。(图片由 Amphenol Industrial Operations 提供)
14S –(在其壳体上)表示连接器的外壳尺寸

图 9:外壳尺寸标示为 14S 的连接器尺寸值。(图片由 Amphenol Industrial Operations 提供)
14S-2 – 表示触头排列

图 10:14S 外壳尺寸的触头排列。(图片由 Amphenol Industrial Operations 提供)
P – 表示引脚触头
该编号详细说明了连接器的各种属性。盒式安装插座如图 8 所示;但有适用于不同外壳尺寸的各种尺寸。触头排列描述了触头如何布置,MS3102E14S-2P 的触头排列如图 11 所示。
图 11:Amphenol 尺寸标示为 14S-2 的 MS3102E14S-2P 连接器触头排列。(图片由 Amphenol Industrial Operations 提供)
该连接器本身装有触头;但其中很多是压接触头。要查找这些连接器的可订购触头,需要知道触头尺寸。触头尺寸标注在触头排列下方。例如 MIL-5015 衍生零件 97-4102A-18-4S。该零件用 97 替换 MS,因为连接器属于 97 系列。4102A 仍属于盒式插座,如同之前的 MS3102E14S-2P,可在 97 系列目录中找到:

图 12:Amphenol 带尺寸标示的 97-4102A 盒式插座示意图。(图片由 Amphenol Industrial Operations 提供)
97-4102A-18-4S 具有 18-4 触头排列,它采用了四个 #16 触头。目录第 26 页有触头订购信息。图 13 是散装触头订购信息图。

图 13:散装触头订购信息。(图片由 Amphenol Industrial Operations 提供)
使用前文中关于此连接器的信息将有助于查找到合适的触头。此连接器的文字标注采用 #16 触头,外壳尺寸为 18-4。使用此信息,通过查找该表上第八行,就可确定触头尺寸。从图可见触头尺寸是 16 号,适用 18 到 36 号连接器,从而确定最终插座触头零件编号 9745-1622S-X(920)。若要通过 Digi-Key 等分销商进行订购,需要指明零件编号可能缺失一些细微信息。从此示例可见该触头已经列出。Amphenol 订购指南中的零件编号为 9745-1622S-X(920),Digi-Key 网站的制造商零件编号为 97-45-1622S-4(920)。(920) 之前的 X 是银镀层或金镀层选项的通用占位符。Digi-Key 网站上的 4 表示带有银镀层。在 Digi-Key 网站的产品页面“其他名称”下,此连接器还有另一个名称:97451622S40920。毫无疑问这会造成混淆),因此有必要提一下,像 Digi-Key 这样分销商均会专业团队帮助您了解如何订购正确的连接器。若需联系 Digi-Key,只需拨打 1-800-344-4539,然后要求与应用工程师通话即可。
DIN 连接器是圆形连接器的另一个示例。这些是小型圆形连接器,通常用于信号级通信。这些连接器的连接面直径为 13.2 mm。这点可通过 CUI, Inc. 的 SD-80 进行说明,其连接面直径为 13.2 mm。DIN 连接器将具有相同的连接面尺寸;但是,根据所需的排列,有多种触头排列可以选择。连接器上会有一个凹槽,用于确保连接器只能单一方向配接。图 14 是从 SD 系列规格书中截取的一部分,可以对此进行说明。

图 14:CUI 的 SD 系列 DIN 连接器触头排列(图片由 CUI 提供)
这些连接器还有另一个额定值,用于表示可以配接和断开的次数。在规格书中称其为“使用寿命”,表示可靠配接和断开的次数,通常称为“配接次数”。这种型号将在配接 5,000 次后,使用寿命结束。这可在规格书的“规格”部分找到(图 15)。

图 15:CUI 的 SD 系列 DIN 连接器规格图,“使用寿命”或配接次数突出显示。(图片由 CUI 提供)
端子块用于将两根或多根电线连接在一起。通常采用螺纹锁定,将电线固定在端子块内部。它们通常采用塑料绝缘体,上面带有触头,其中每条电路都用绝缘体分隔开。端子块有很多不同的种类,包括针座、插头、插座、隔板块、线对板、DIN 导轨通道、接口模块和面板安装选件,所有这些都可在 Digi-Key 网站的端子块部分找到。这些通常都采用螺钉端接,或者弹簧端接。
隔板块采用塑料外壳,带有螺纹端子,用于电线端接。其中一个示例如 Eaton 的 TB100-08SP(图 16)。
图 16:Eaton 的八电路隔板块 (TB100-08SP)。
这些隔板块用于连接其任一侧的电线。这种型号能处理最高每触头 30 安培的电流和最高 300 V 的电压。许多隔板块带有跳线,以将端子块上的电路相互连接起来。制造商说明文档中应会对此进行说明。TB100-08SP 属于 Magnum TB100 系列。此产品位于第一页“尺寸 – 英寸”表的接线柱数为 08 的行(图 17)。

图 17:Eaton 的 Magnum TB100 系列尺寸规格(图片由 Eaton 提供)
要查找相关五金件,请查看规格书的第二页。螺钉、快速连接器件和所列跳线均有几个不同的选择。通常,制造商会在其规格书中列出所有这些配件。对于此产品,列出了三种跳线(图 18)。

图 18:TB100 系列端子块跳线。(图片由 Eaton 提供)
这些零件编号都非常短,因此难以查找。它们通常不在分销商网站的相同页面中列出。在 Digi-Key 网站上,这些位于端子块 – 配件 – 跳线页面。为了轻松查看该产品是否可用,不要在整个网站的搜索栏中输入编号,更高效的做法是导航到端子块配件页面并在结果页中进行搜索,如图 19 搜索 J101。

图 19:Digi-Key J101 跳线零件搜索示例。
搜索结果为 J101/J。这就是 TB100-08SP 所属 TB100 系列的正确跳线;它具有正确的间距 9.53 mm,并且形状如规格书上的插图所示。配件方面,Digi-Key 网站的“产品属性”表中通常有“配套/相关产品”条目,以显示配件匹配的系列或零件(图 20)。

图 20:Digi-Key J101/J 跳线零件搜索页面,突出显示“配套/相关产品”产品属性。
这些连接器非常像本文矩形连接器部分所提到的针座和自由悬挂插口。针座通常安装在电路板上,自由悬挂端将安装在针座插座上。例如 On-Shore Technology, Inc. 的 OSTOQ063250,它可配接到 OSTTJ0631530。通常,不同制造商的零件可以互换。如果在 Digi-Key 网站上查找 OSTJ0631530,要查找与此配接的类似产品,首先在产品规格中从选择间距,然后选择针脚数、类型(图 21)。

图 21:在 Digi-Key 网站搜索配接连接器时,勾选相关框。
在该页面底部点击“搜索”按钮(图 22)。

图 22:选择所有匹配的属性后,单击该页面底部的搜索框。
图 23、24 和 25 显示搜索到的连接器的正面。
图 23:1827745 – Phoenix Contact。
图 24:TJ0631530000G – Amphenol Anytek。
图 25:1792810000 - Weidmuller。
这些制造商零件的前端均采用相同的键。许多可插拔端子块都是如此,这是为了使用起来更加方便。每个间距的零件正面稍有不同。这些插头都是自由悬挂式,带有触头插口,也有带有公插针的自由悬挂插座。例如 Phoenix Contact 的 1858073。或者,也有带公插针的插座,它可以安装到其他配件上,但仍然保留螺钉端接,而不是焊接端接,如 Phoenix Contact 的 1788570。
到目前为止,所有这些都是螺钉端接,但弹簧端接也十分常见。弹簧端接的一个例子是 Phoenix Contact 的 1881367。此连接器在后部使用弹簧将电线固定到位;压下弹簧即可取下电线(图 26)。
图 26:1881367 – Phoenix Contact。
DIN 导轨在许多工业应用中很常见,有针对 DIN 导轨应用制造的端子块。和之前的示例一样,它们将用于连接电路,但外观差异较大。它们底部带有卡槽,用于连接到 DIN 导轨,如 Weidmuller 的 1020000000(图 27)。
图 27:Weidmuller 的 1020000000 DIN 导轨端子块。
这些类型的端子块通常带有可添加的面板,以将端子块的内腔封闭起来。这些可在 Digi-Key 网站的相关页面中找到,例如 1020000000 的端板 1050000000。如果有必要将某个端子块连接到另一个端子块,如 1693800000,我们还提供跳线。
接口模块可被视为一种适配器。它们带有控制侧连接和工艺侧连接。例如 American Electrical, Inc. 的 DSUB-9-MF。通过此连接器,公头或母头 9 针位 D-Sub 连接器可轻松拆分成分立电线,如图 28 所示。
图 28:American Electrical, Inc. 的 DSUB-9-MF 接口模块
接口模块有许多种其他形式。接口模块的另一个很好的例子是连接分立电线的 RJ45 插孔,如 Phoenix Contact 的 2900701(图 29)。
图 29:Phoenix Contact 的 2900701 接口模块。
端子块也可进行面板安装。配接侧将与自由悬挂及固定式端子块遵循的相同规则。如果知道连接器的间距,基本上就可配接另一个制造商的端子块。可以倍增成为壁装电源插座的一个例子是 Phoenix Contact 的 1861167。该连接器的一侧通常有安装孔,如图 30 所示。
图 30:面板安装端子块通常带有安装孔,如 Phoenix Contact 的 1861167。
注意,它不提供螺钉,这很重要。通常五金件是单独提供的,没有例外。如前所述,Digi-Key 网站上通常有相关部分会显示这些连接器的配件。这一特定型号出售时带有五金套件,0728263。
D-Sub 又称为 D 型超微连接器,因其配接侧形状而得名;其形状像 D。具有标准引脚编号的 D-Sub 连接器有配套的标准外壳尺寸。在 Digi-Key 网站上,将提供外壳尺寸和连接器布局标志,以帮助识别。这点可通过 NorComp Inc. 的 171 系列得以说明。
有五种外壳尺寸选择和连接器布局,每种都对应一个引脚数。
引脚数外壳尺寸连接器布局零件编号91(DE,E)171-009-103L001152(DA,A)171-015-103L001253(DB,B)171-025-103L001374(DC,C)171-037-103L001505(DD,D)171-050-103L001表 1:标准 D-Sub 外壳尺寸和连接器布局精选。
与标准外壳尺寸和布局一样,也有相同外壳尺寸的高密度布局,但多一行触头,在相同面积中安装了更高密度的触头。TE Connectivity AMP Connectors 的 AMPLITIMITE HD-22 系列便是一个良好范例
引脚数外壳尺寸连接器布局零件编号151(DE,E) 高密度5749767-1262(DA,A) 高密度5748481-5443(DB,B) 高密度5748482-5624(DC,C) 高密度5748394-5785(DD,D) 高密度5748483-5表 2:高密度 D-Sub 外壳尺寸和连接器布局精选。
虽然这些并非所有外壳尺寸或布局,但它涵盖了大多数主要类型。许多 D-Sub 连接器也有电源引脚和同轴引脚。例如 ITT Cannon 的 DCMM-13W6S。这种连接器有七个信号引脚和六个可用作同轴或电源引脚的引脚。其正面仍然有和前述示例相同的 4(DC,C) 尺寸,但布局与前文所述的两个 4(DC,C) 连接器不同。
套管连接器通常用于向消费级电子设备供电。它们是圆形的,有许多种不同的尺寸。这些可在各种电子设备中找到,如笔记本壁式适配器。套管连接器的一个例子是 CUI, Inc. 的 PP3-002A,它采用非常标准的尺寸(图 31)。
图 31:CUI 的 PP3-002A 套管连接器。
其外径为 5.5 mm,内径为 2.1 mm,这是较常见的套管连接器尺寸。大多数套管连接器的内径要么是 2.1 mm,要么是 2.5 mm,它们的外径通常为 5.5 mm。这些连接器有许多不同的尺寸,当 2.1 mm 或 2.5 mm 直径会产生问题时使用。了解连接器尺寸的最佳办法是获得说明文档,制造商应在某个地方记录实际尺寸。如果没有可用说明文档,建议使用卡尺确定插头直径。这些类型的套管插头将配接套管插孔,如图 32 所示 PJ-036AH-SMT-TR。
图 32:CUI 的 PJ-036AH-SMT-TR 套管插孔。
还有套管音频连接器。最容易辨识的插孔之一是 1/8" 插孔,如 CUI, Inc. 的 SP-3501。这是这是一种非常常见的耳机插孔,可用于许多 1/8" 插孔,如计算机、手机、许多 MP3 播放器和其他音频播放设备上的插孔。
Digi-Key 等分销商将此类连接器描述成 3.5 mm 插头。许多分销商之所以这样描述的原因在于它们实际直径为 3.5 mm,即 0.138"。这一尺寸易于按照产品图纸制造(图 34)。

图 34:3.5 mm 音频插头尺寸。
这种样式的连接器的优点之一在于它不受连接器的制造商所限。1/8" 插孔是行业公认的连接器尺寸。SP-3501 可用于任何消费级 1/8" 插孔,与制造商无关。注意,这类连接器并非只有这一个尺寸,1/8" 和 1/4" 都是非常标准的尺寸,这一点仍然很重要。1/8" 连接器将用于插入耳机或较小的计算机扬声器。1/4" 连接器过去常用于电话线中,现在更常用于通过踏板连接电吉他及其功放。这两个尺寸都是标准尺寸,并且易于从一个制造商转换到另一个制造商。其他套管音频连接器的使用方式可能有所不同。例如 CUI, Inc. 的 SP-25401(图 35)。
图 35:CUI 的 SP-25401 是 2.5 mm 插头。
此连接器看起来和 SP-3501 十分相似;但其直径比 SP-3501 小整整一毫米。其直径为 2.5 mm,不能配接 SP-3501 的插孔。知道这些插孔的直径很重要,可以免配接失败,知道直径后,就容易将其配接到另一制造商的相同尺寸的零件。SP-25401 不同于 SP-3501,它有四根导线,而不是三根。这可通过插孔上的金属导线看到,SP-25401 上有三个绝缘环,隔离出四个导体区域。SP-3501 有两个绝缘体、三个导体区域,这是典型的立体声音频插孔。
USB 的形式有多种。最常见的 USB 类型是 USB A,通常用于计算机外围设备,或者用于为各种电器充电。通常,计算机具有公头 USB A,设备侧为母头。它们通常有四个触头,两个用于电源和接地、两个用于数据。其中一个连接器示例如 Amphenol FCI 的 87583-3010RPALF(图 36)。
图 36:Amphenol 的 87583-3010RPALF USB A 插座。
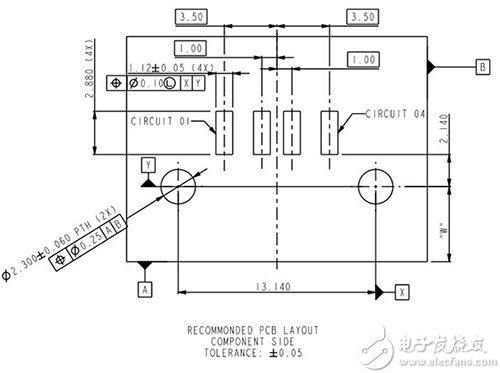
此连接器有四个触头和一个固定柱,用于固定到 PCB 板上。使用这样的连接器时,需要知道如何为 PCB 板布局。不过制造商一般都为这些元器件留有建议的基底面,如图 37 所示的 87583-3010RPALF。

图 37:87583-3010RPALF USB A 插座建议 PCB 布局。
这些连接器将遵循标准,因此能将一个制造商的零件与另一个制造商的零件配接。如果工程师在母头侧使用 87583-3010RPALF,则可以使用 Molex LLC 的 048037220 为其配接(图 38)。
图 38:USB A 公插头,Molex 的 0480372200。
制造商之间的标准化和互换性使得 USB 成为当今市场非常主流的选择。USB A 并非市面上唯一的 USB 接头;其他一些类型如 USB B,也非常流行。USB B 连接器可在许多打印机和 Arduino Uno 产品中找到。它们比 USB A 类型更稳固,并且触头布局不同。USB A 的所有触头呈一条线排列,而 USB B 的触头分为绝缘体上两个,绝缘体下两个,如 On-Shore Technology, Inc. 的 USB-B1HSW6。图 39 说明了这种差异,图左侧为 USB A,图右侧为 USB B。

图 39:USB A(左)和 USB B(右)的不同触头布局。
由于 USB B 母头侧有四个触头被绝缘体分成两行,因此 USB B 公头侧将有四个触头被分隔成顶部两个、底部两个,如 ASSMANN WSW Components 的 A-USBPB-N。图 40 显示触头在此元器件上的布局,这是所有 USB B 连接器的标准布局。

图 40:ASSMANN A-USBPB-N 插口的引脚布局。
USB-mini 也是 USB 连接器的流行样式。它们曾用于许多老式手机和外围设备上。例如 Hirose Electrical Co. LTD 的 UX60A-MB-5ST(图 41)。
图 41:Hirose 的 UX60A-MB-5ST USB-mini 插座。
它们比 USB A 和 USB B 更小。其配接连接器为自由悬挂式,如 UX40A-MB-5P,本身无法识别,但连接到电缆时可清楚辨识。图 42 左侧为 UX40A-MB-5P,右侧为 UX40-MB-5PP-500-1002,这是 UX40A-MB-5P 的电缆版本。
图 42:Hirose 的 UX40A-MB-5P USB-mini(左)和电缆版本,UX40-MB-5PP-500-1002(右)。
需要指出的是,USB A 和 USB mini 之间的引脚计数有差异。USB A 有四个引脚,一个电源、一个接地、两个数据。USB mini 有五个引脚,这些功能和 USB A 相同,但还有第五个称为“检测引脚”的引脚。通过第五个引脚,电缆可发送信号,以便设备进行需要成为主设备还是从设备的通信。对于具有 USB A 和 USB mini 的 USB 电缆,检测引脚将短接至接地。这叫 USB On The Go,或者 USB OTG。Maxim Integrated 有一篇名为USB On-the-Go 基础知识的文章对此进行了深入探讨。
同轴连接器用于端接同轴电缆。要了解连接器,首先要了解什么是同轴电缆,这点很重要。它是由介电材料包裹的实心导线,介电材料外还覆盖另一条导线。这些连接器的导线以相同的方式布局。这些导线将有一条中心导线、一个绝缘体和围绕内部导线的第二根导线,如 TE Connectivity AMP Connectors 的 1909763-1(图 43)。
图 43:TE Connectivity 的 1909763-1 同轴连接器。
如图所示,中间的公插针不接触到连接器的外壳。这种特定连接器是超小型同轴连接器。市面上有多种不同的同轴连接器。主要有 BNC、SMA、RP-SMA、UMCC 以及其他种类。在选择同轴连接器时需要考虑多个方面。连接器的样式必须相同;若没有适配器,不能将 BNC 连接器配接到 SMA 连接器。确定样式后,下一步是知道阻抗。有的样式有若干不同的阻抗选择,BNC 连接器就是这样的例子。看看 Digi-Key 网站上的 BNC 连接器,就会清楚发现有一对阻抗选项,75 Ω 或 50 Ω。建议阻抗要与配接连接器的阻抗匹配。如果配接 BNC 连接器为 75 Ω,则需要选择 75 Ω 连接器。如果工程师的任务是端接同轴电缆到 SMA 连接器上,他们可以遵循以下思路。SMA 连接器阻抗为 50 Ω,将配接到另一个 SMA 连接器。如果已安装的连接器为带有母插口的面板安装插座,如 Amphenol RF Division 的 132139,工程师知道他需要带有公插针的自由悬挂插头,如 Amphenol RF Division 的 132114。如果一侧为带有插口的插座,另一则将需要带有引脚的插头。看看 Digi-Key 网站上的 132114,“产品属性”框中有一条名为“电缆组”的条目。它将显示此连接器可以使用的配套电缆(图 44)。

图 44:Digi-Key 的 132114 零件搜索中的条目显示与此连接器配套的电缆组。
找到电缆组后,就该从中确定一种电缆了。如果是涉及数百根电缆的大型项目,最好转到网站中的 RF 电缆部分,在 Digi-Key 网站“电缆,电线”页面下的电缆,电线 > 同轴电缆 (RF) 页面,从参数搜索的“电缆类型”选项中选择其中一个电缆类型(图 45)。

图 45:选择所需的电缆类型选项,以查找相应的零件。
132114 电缆类型上的选项之一是 RG-316,选中它后将只筛选出 Alpha Wire 的 9316 BR005 作为电缆选项。如果只需要少数电缆,在 Digi-Key 网站上浏览同轴电缆组件会更加省事,见电缆组件 > 同轴电缆 (RF) 页面。可从该页面选择 SMA - SMA 连接器,然后选择 RG-316 电缆类型。Amphenol RF Division 的 135101-01-06.00 是电缆组件的一个不错的例子,如果只需要 6" 电缆,它就很好用(图 46)。
此电缆组件有 RG-316 电缆,连接两个带公插针的自由悬挂 SMA 插头。通常会有配套连接器的电缆组件。这样做的原因是,电缆通常批量出售,而且连接器通常所必需的电缆很少,如果不配套电缆,通常会造成电缆成本很高。制造商知道加工工具价格昂贵,因此通常将电缆组件组装好,以足客户的特定需求。看看同轴连接器,我们就会发现这些成品电缆组件的成本往往比自己制作电缆组件的成本低很多。
关于连接器的话题还有很多内容值得探讨。希望这篇文章能帮助您增强对不同样式和类型连接器的理解。连接器绝对是个大的主题,鉴于本文篇幅有限,恕难尽述。这里只是简单介绍了几款不同类型的连接器、它们的用途以及选择这些连接器时应注意的事项。通常,连接器提供时会组装好;但是,有时只提供外壳,电线和触头需要后续添加。端接连接器的方式有多种,如焊接、压接、使用绝缘穿刺触头或者螺钉端接。关于连接器的话题,还有很多值得一写的,希望本文是个良好的开始,有助于读者了解种类繁多的连接器以及如何使用它们完成电路。在设计电路时,连接器经常被忽视,而在实际应用中,即使是最简单的零件,也可能会够造成短路或断路。
Samtec应用漫谈 | 新VITA™93.0 QMC™标准为坚